GM Service Manual Online
For 1990-2009 cars only
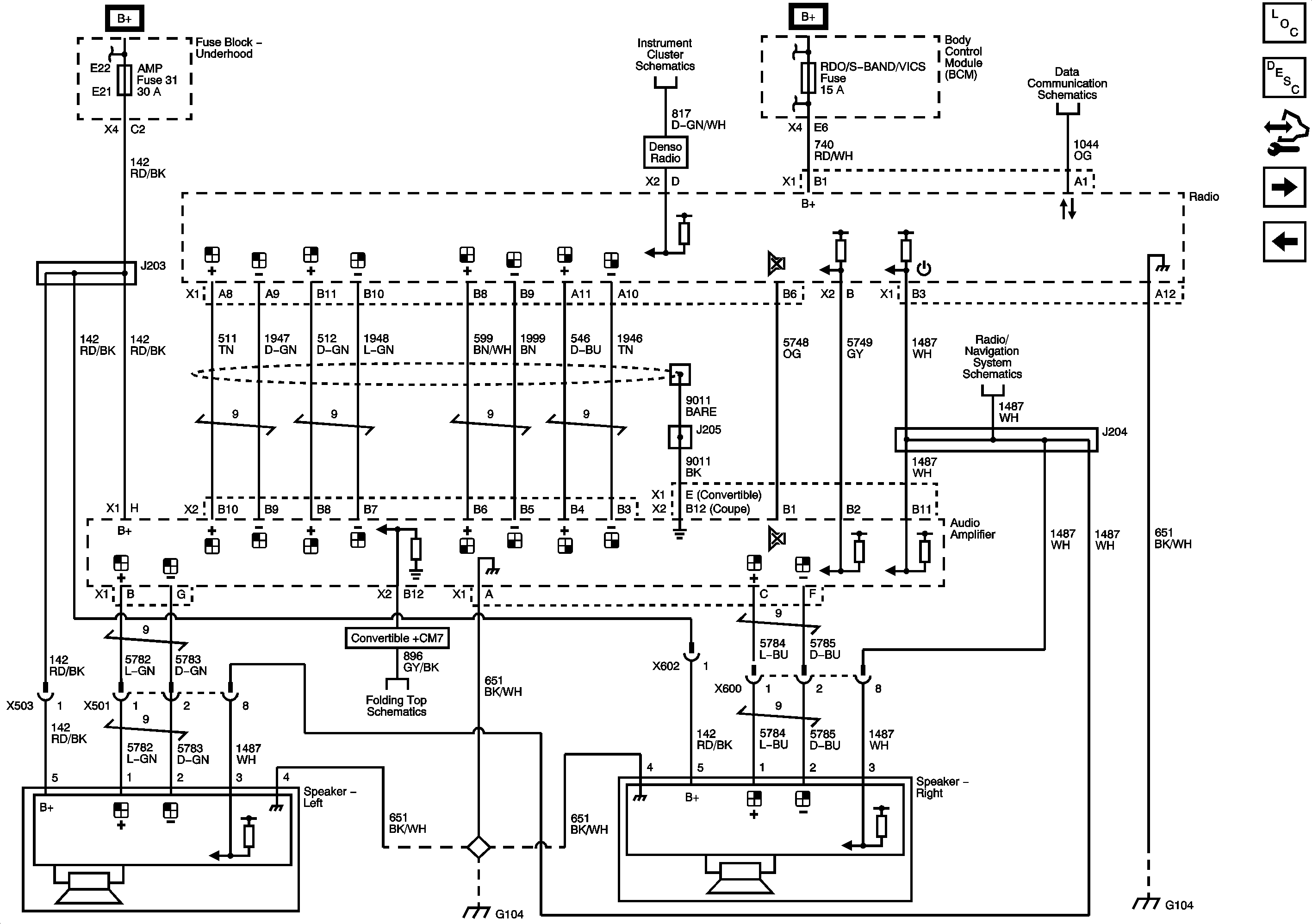
Figure 1:

Power, Ground, Serial Data, Radio, Amplifier and Audio Signals (US8/U66)


Object Number: 1892864  Size: FS
Master Electrical Component List
Radio/Audio System Description and Operation
Control Module References
Speakers (U66)
Figure 2:

Speakers (U66)


Object Number: 1892869  Size: FS
Master Electrical Component List
Radio/Audio System Description and Operation
Control Module References
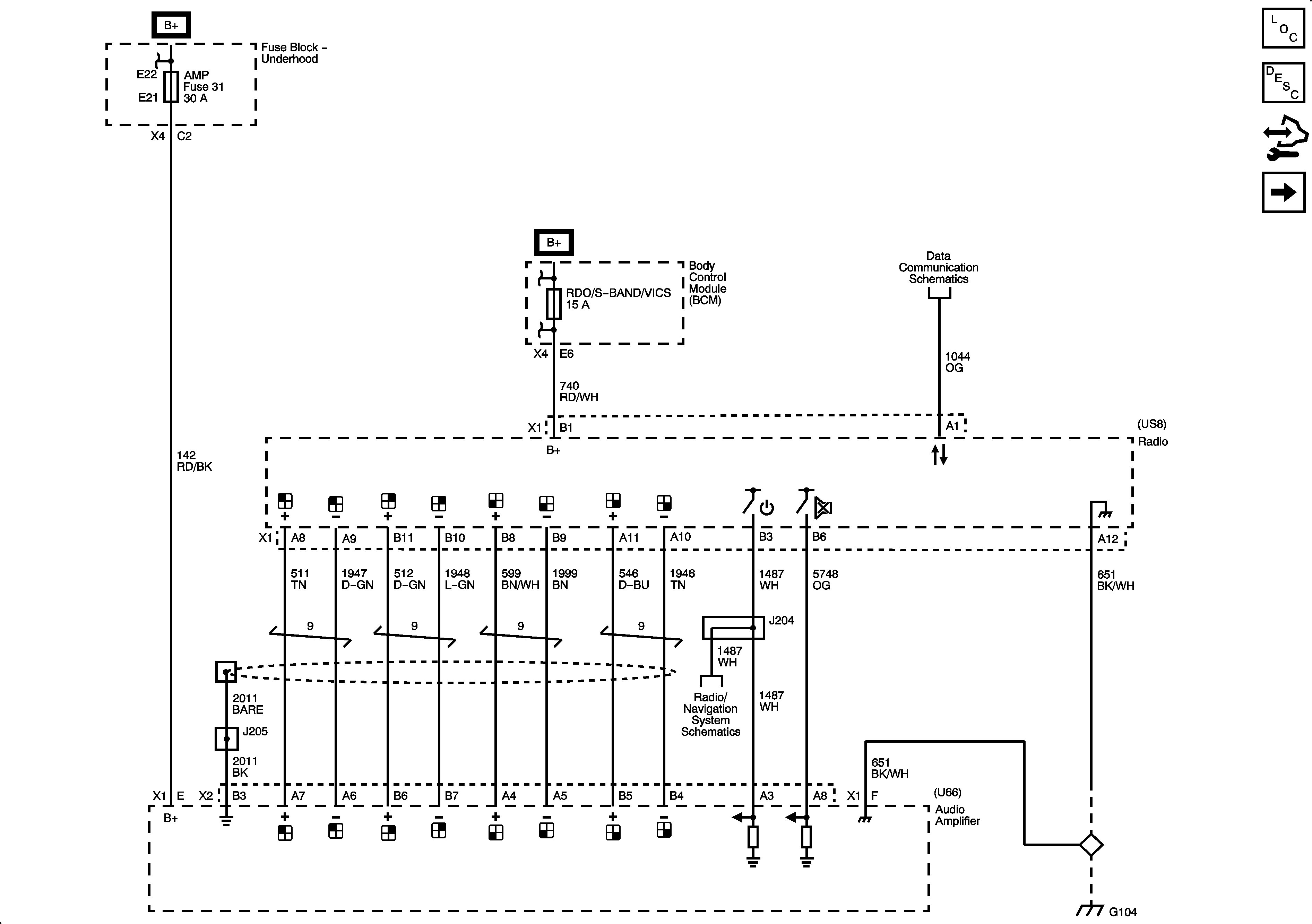
Power, Ground, Serial Data, Radio, Amplifier Audio Signals, and Front Speakers (U65)
Power, Ground, Serial Data, Radio, Amplifier, and Audio Signals (US8/U66)
Figure 3:

Power, Ground, Serial Data, Radio, Amplifier, Audio Signals and Front Speakers (U65)


Object Number: 1893004  Size: FS
Master Electrical Component List
Radio/Audio System Description and Operation
Control Module References
Speakers and Noise Compensation Microphone (U65)
Speakers (U66)
Figure 4:

Speakers and Noise Compension Microphone (U65)


Object Number: 1893086  Size: FS
Master Electrical Component List
Radio/Audio System Description and Operation
Control Module References
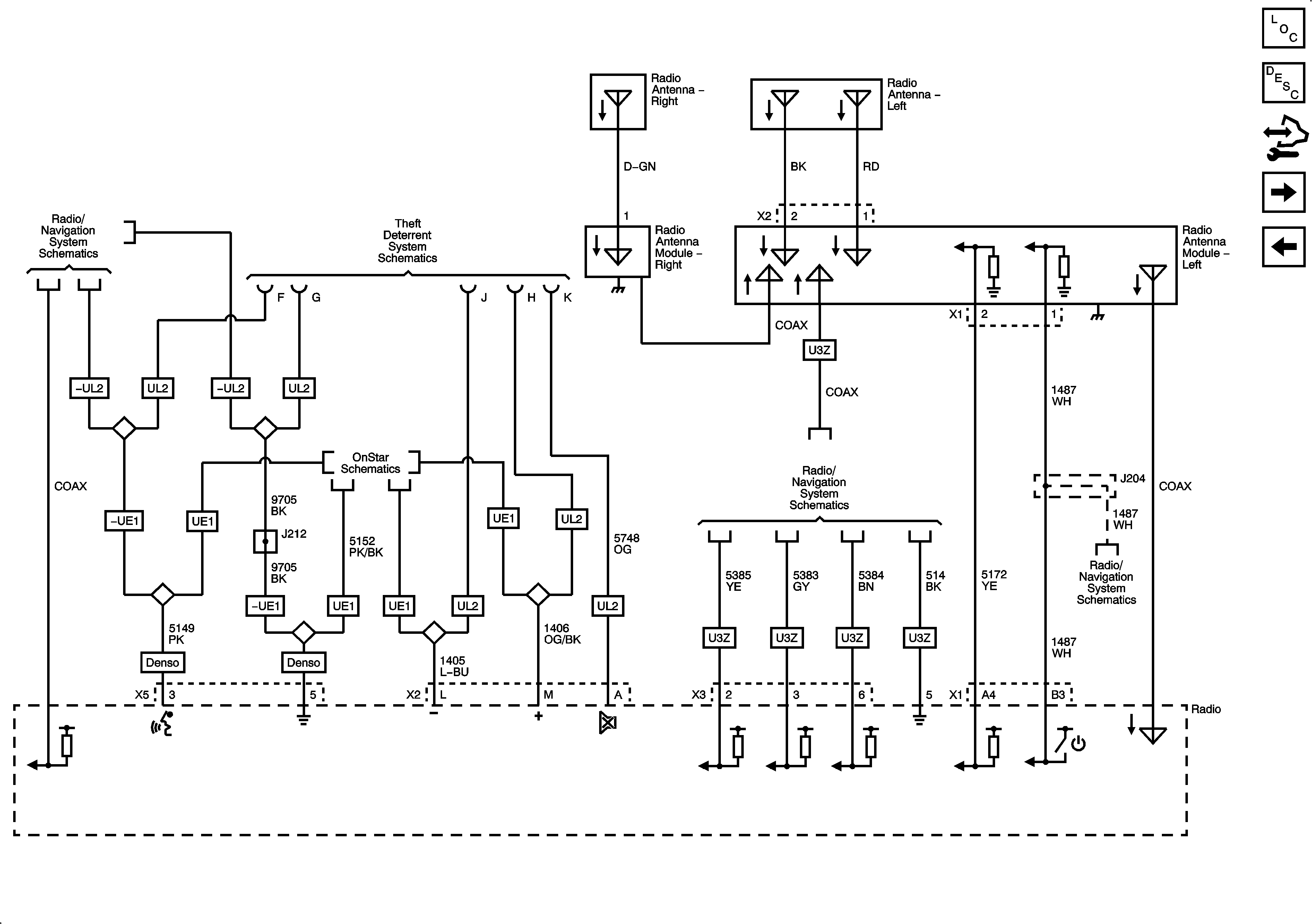
Antennas Except (U2K), Navigation, and OnStar References
Power, Ground, Serial Data, Radio, Amplifier Audio Signals, and Front Speakers (U65)
Figure 5:

Antennas Except (U2K), Navigation and OnStar References


Object Number: 1893091  Size: FS
Master Electrical Component List
Radio/Audio System Description and Operation
Control Module References
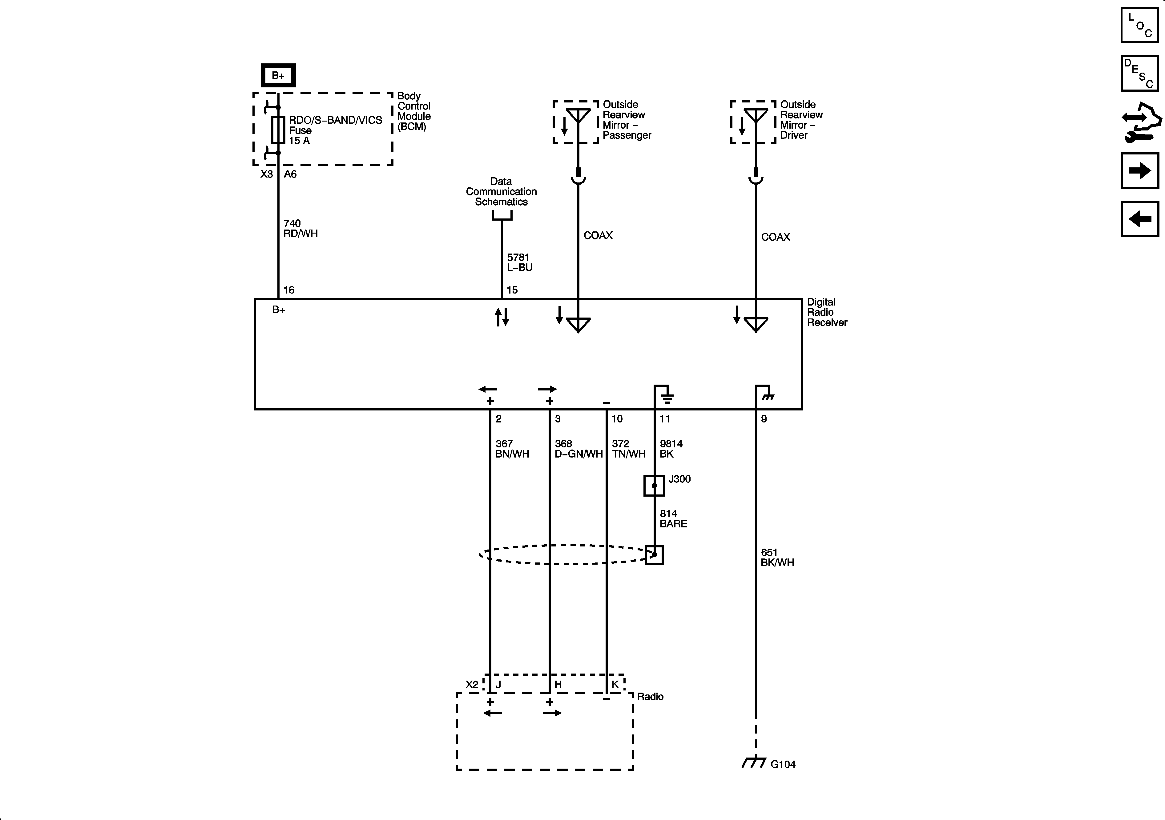
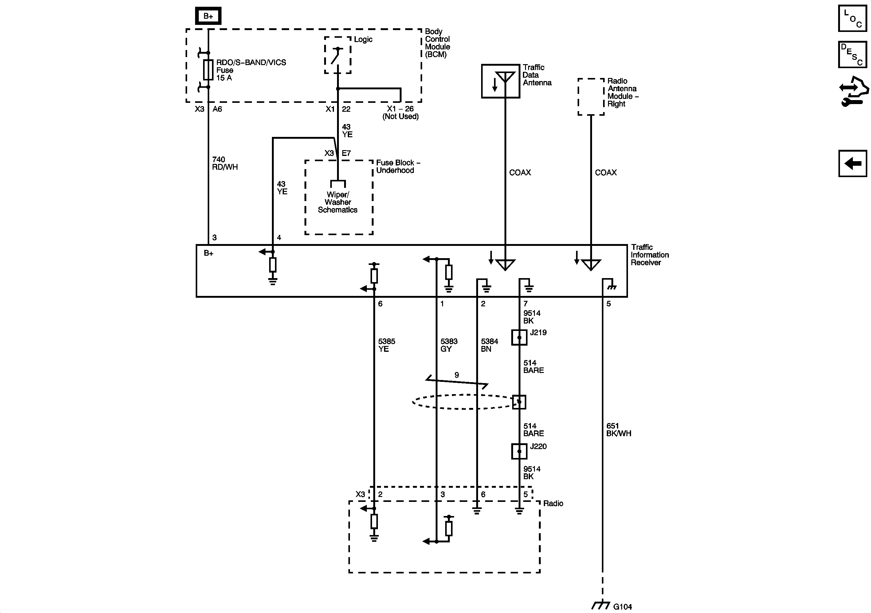
Satellite Radio - U2K
Speakers and Noise Compensation Microphone (U65)
Figure 6:

Satellite Radio (U2K)


Object Number: 1893093  Size: FS
Master Electrical Component List
Radio/Audio System Description and Operation
Control Module References
Steering Wheel Controls (UK3)
Antennas Except (U2K), Navigation, and OnStar References
Figure 7:

Steering Wheel Controls (UK3)


Object Number: 1893107  Size: FS
Master Electrical Component List
Navigation System Description and Operation
Control Module References
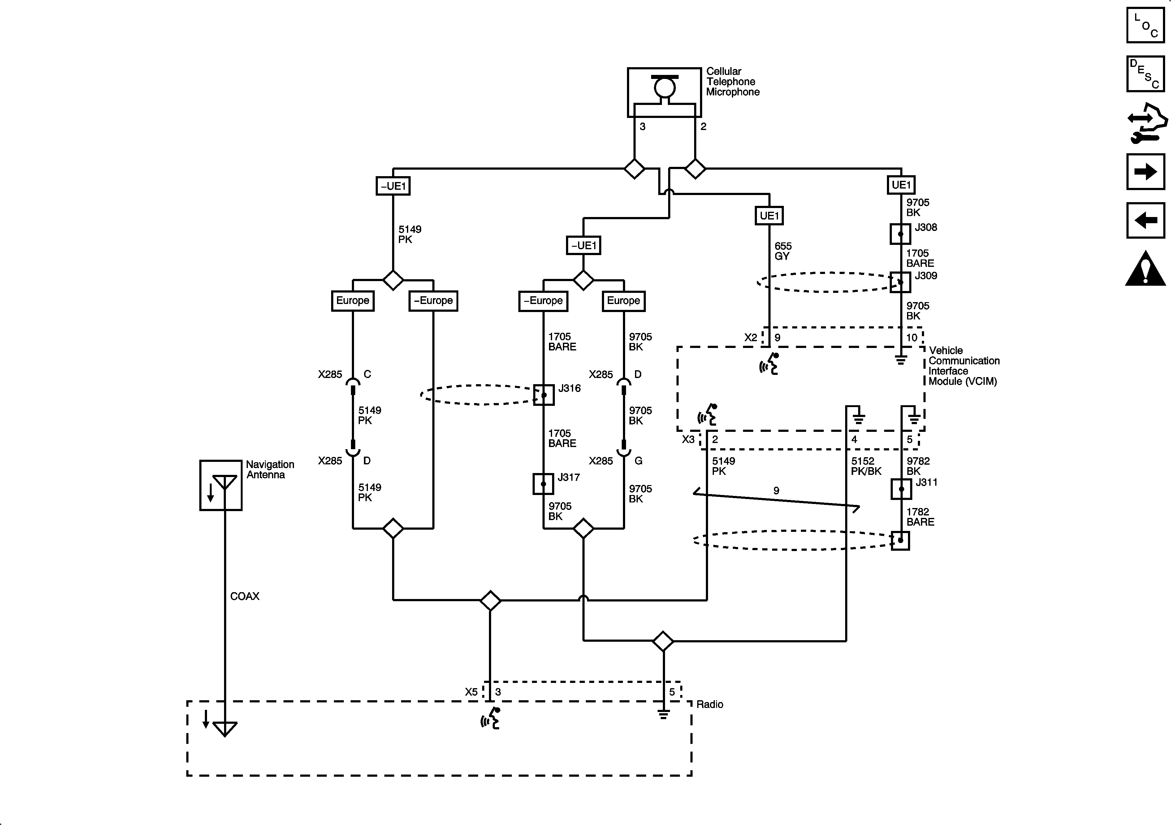
Navigation Except Japan
Satellite Radio - U2K
Figure 8:

Navigation - Except Japan


Object Number: 1893109  Size: FS
Master Electrical Component List
Navigation System Description and Operation
Control Module References
Japan (U32)
Steering Wheel Controls (UK3)
Figure 9:

Japan (U32)


Object Number: 1893126  Size: FS
Master Electrical Component List
Navigation System Description and Operation
Control Module References
Navigation Except Japan