GM Service Manual Online
For 1990-2009 cars only
Makes
🢒
Chevrolet
🢒
2008
🢒
Corvette
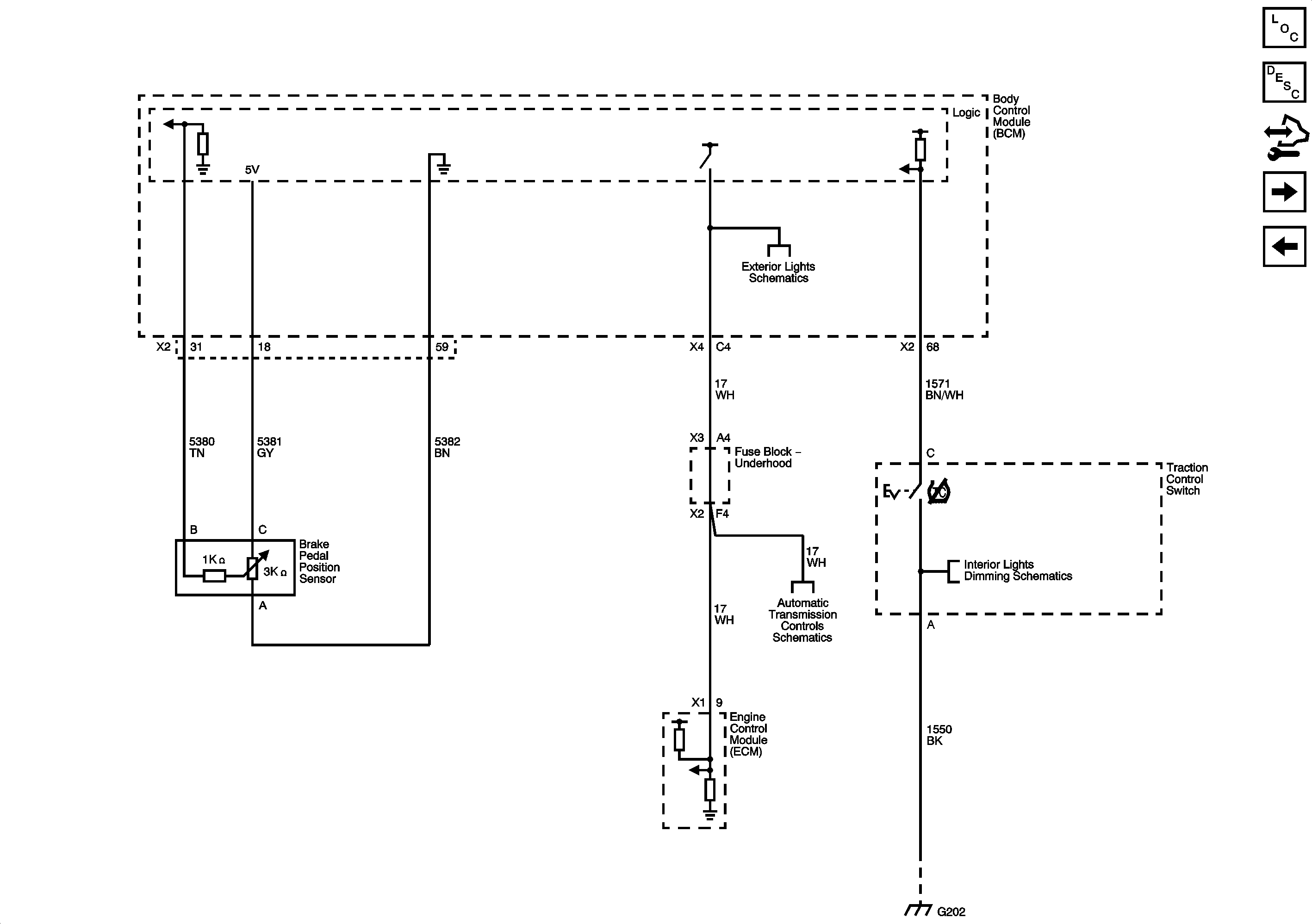
🢒 Brake Pedal Position Sensor, Traction Control Switch, and Stop Lamp Switch Signal
Brake Pedal Position Sensor, Traction Control Switch, and Stop Lamp Switch Signal
Brake Pedal Position Sensor, Traction Control Switch, and Stop Lamp Switch Signal
Master Electrical Component List
ABS Description and Operation
Control Module References
Stability Control Sensors (JL4)
Power, Ground, Indicators, and Messages