GM Service Manual Online
For 1990-2009 cars only

Engine Controls Schematics LS3

Figure 1:

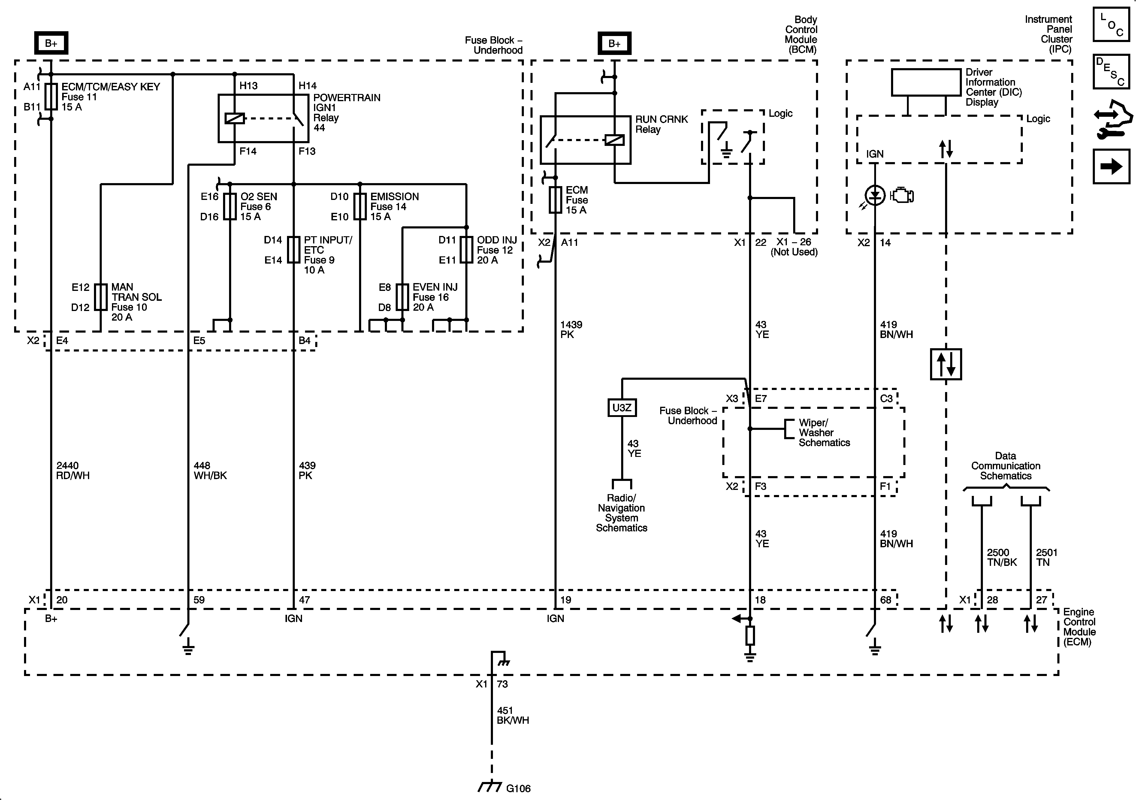
ECM Power, Ground, MIL, and Serial Data


Object Number: 2053305  Size: FS
Figure 2:

5-Volt Reference Bussing


Object Number: 2053312  Size: FS
Figure 3:

Low Reference Bussing


Object Number: 2053315  Size: FS
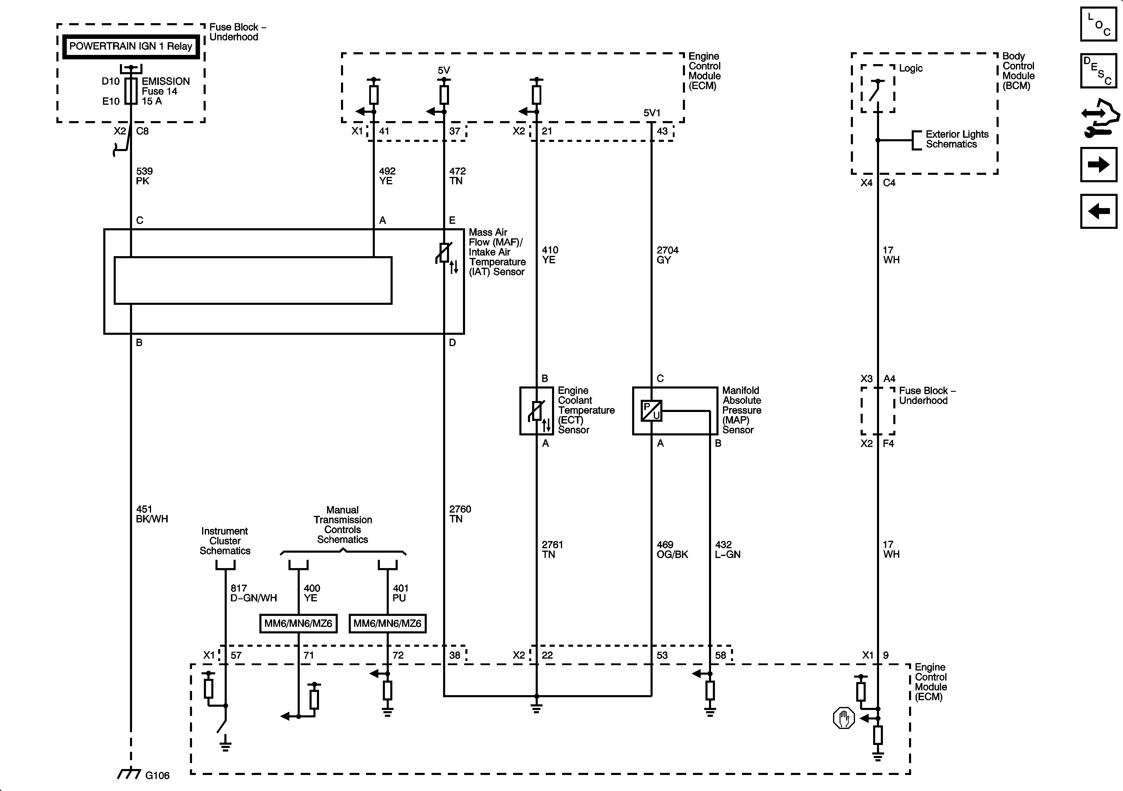
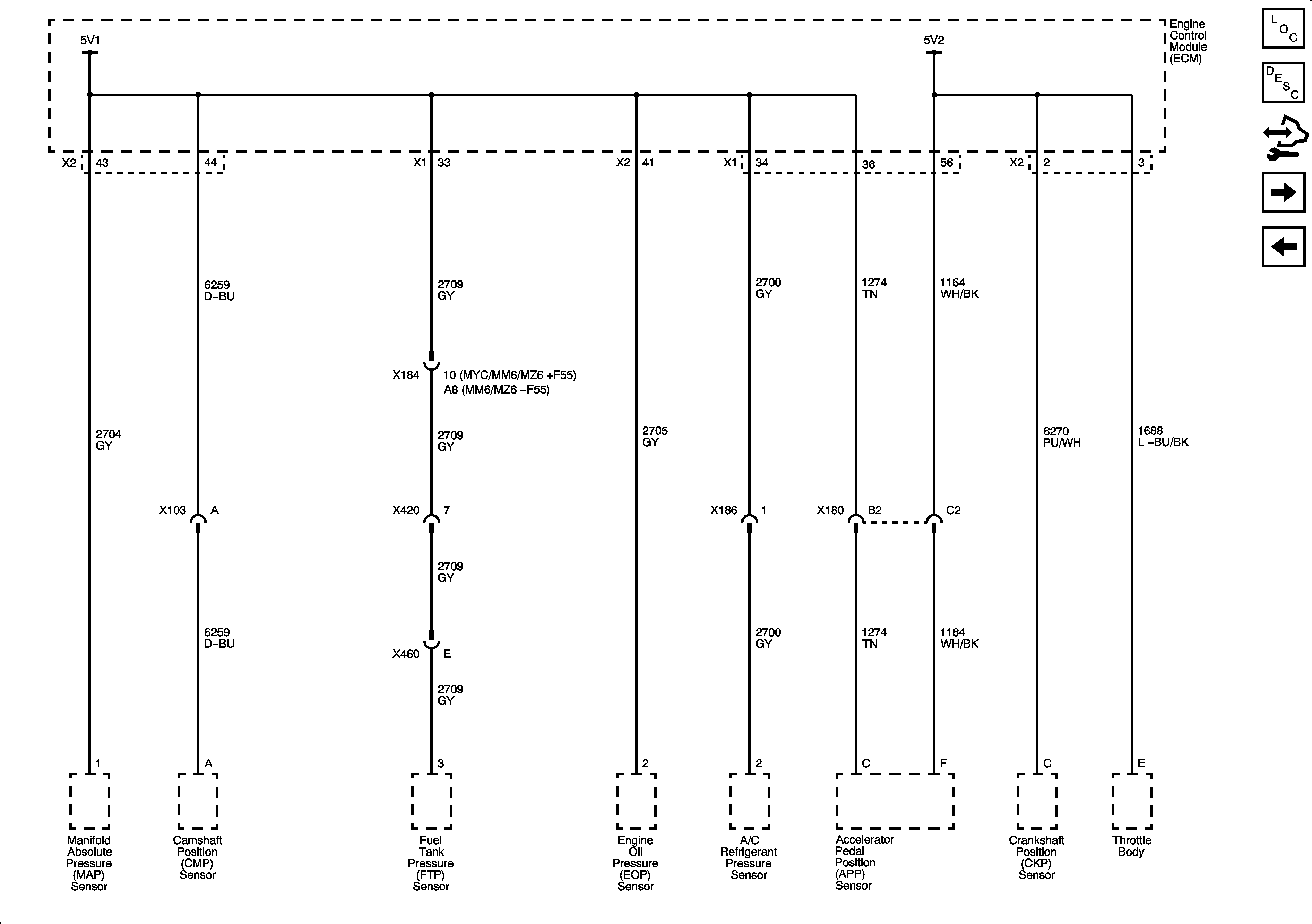
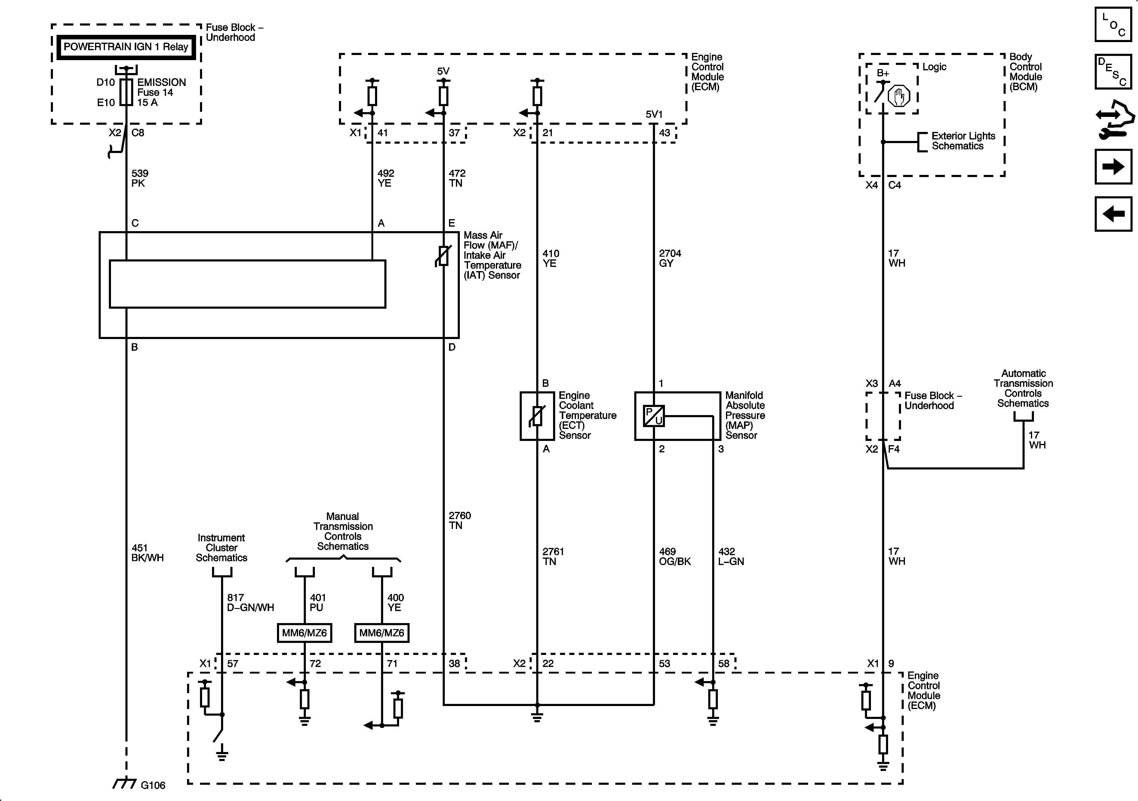
Figure 4:

IAT/MAF, MAP, ECT Sensors, VSS, and Stop Lamp Signals


Object Number: 2053317  Size: FS
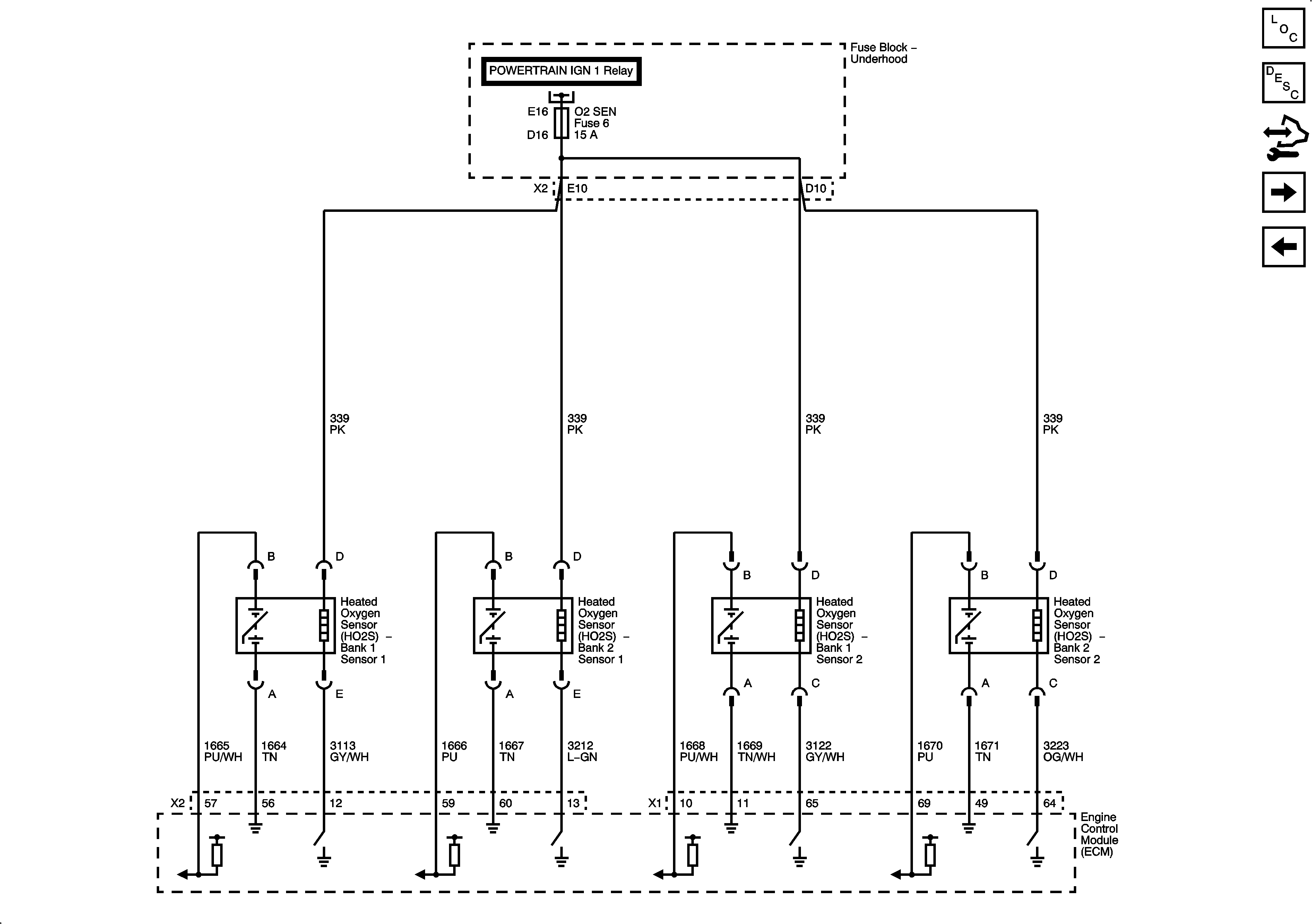
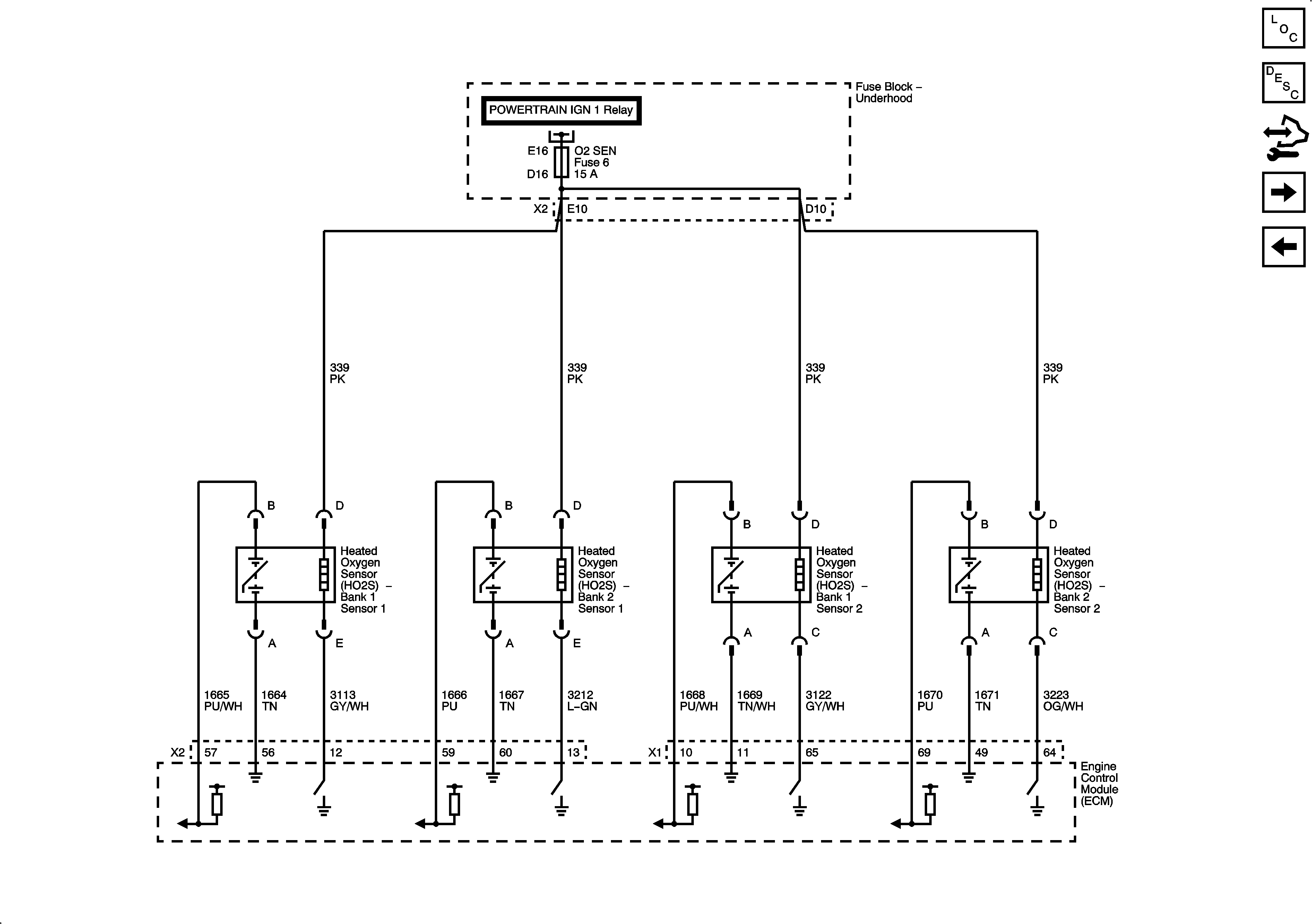
Figure 5:

Heated Oxygen Sensors


Object Number: 2053321  Size: FS
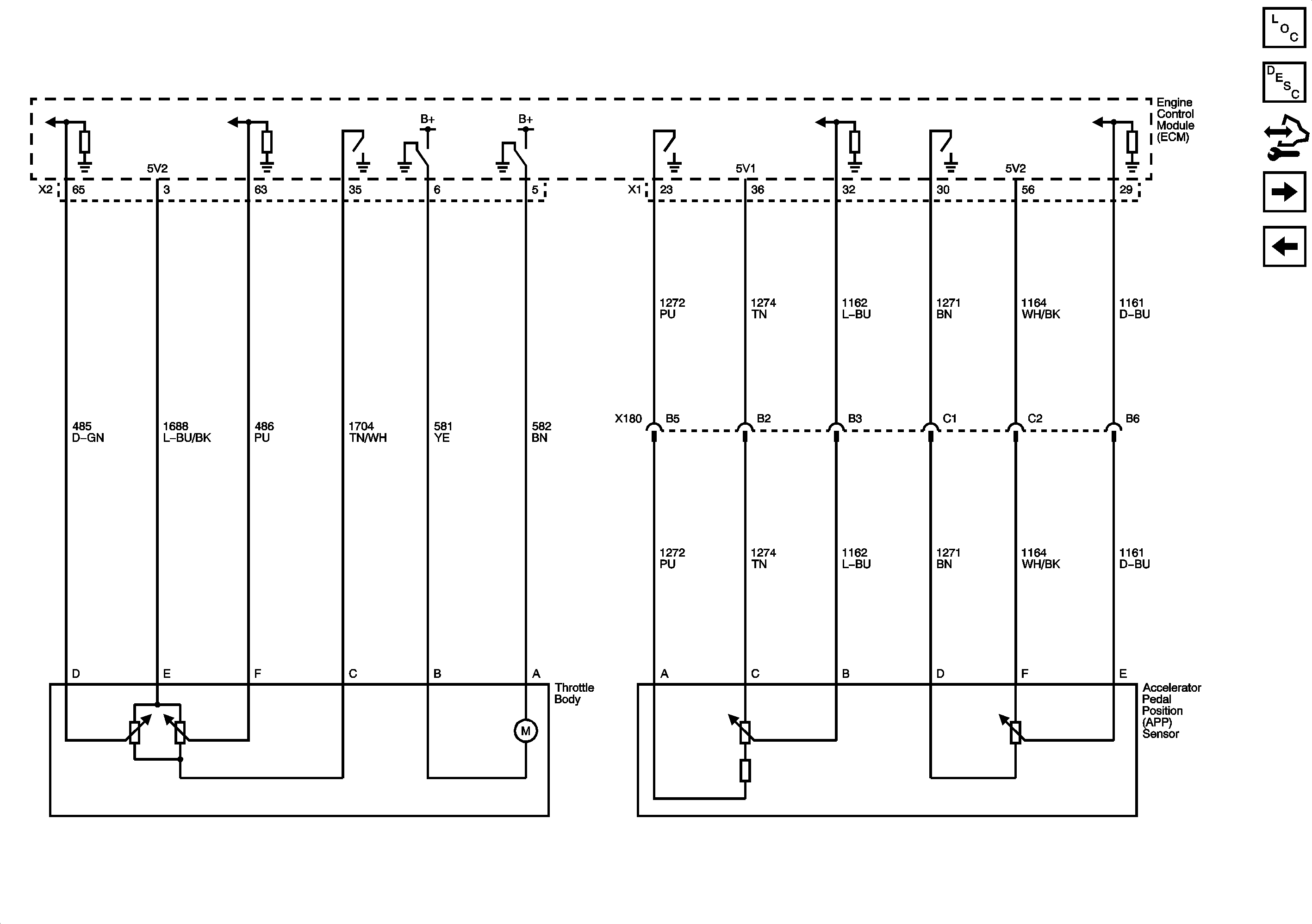
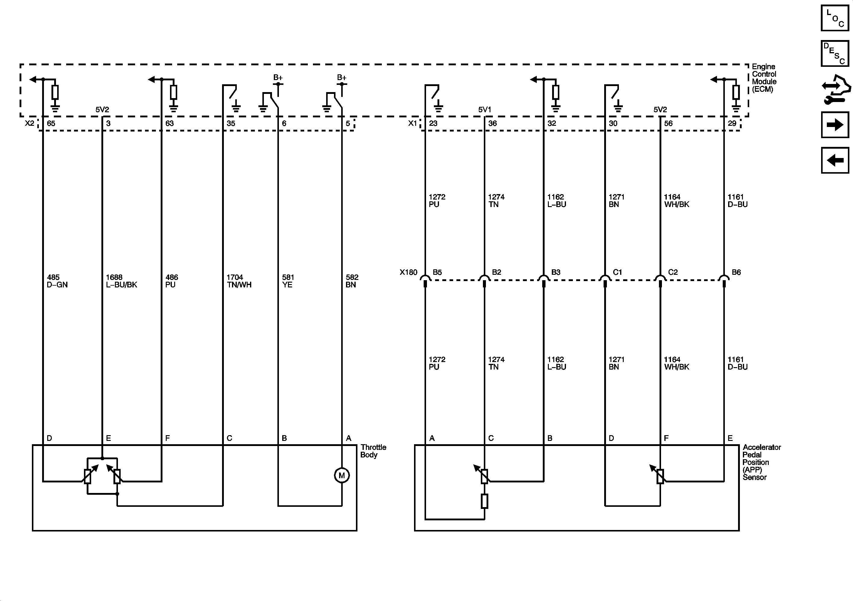
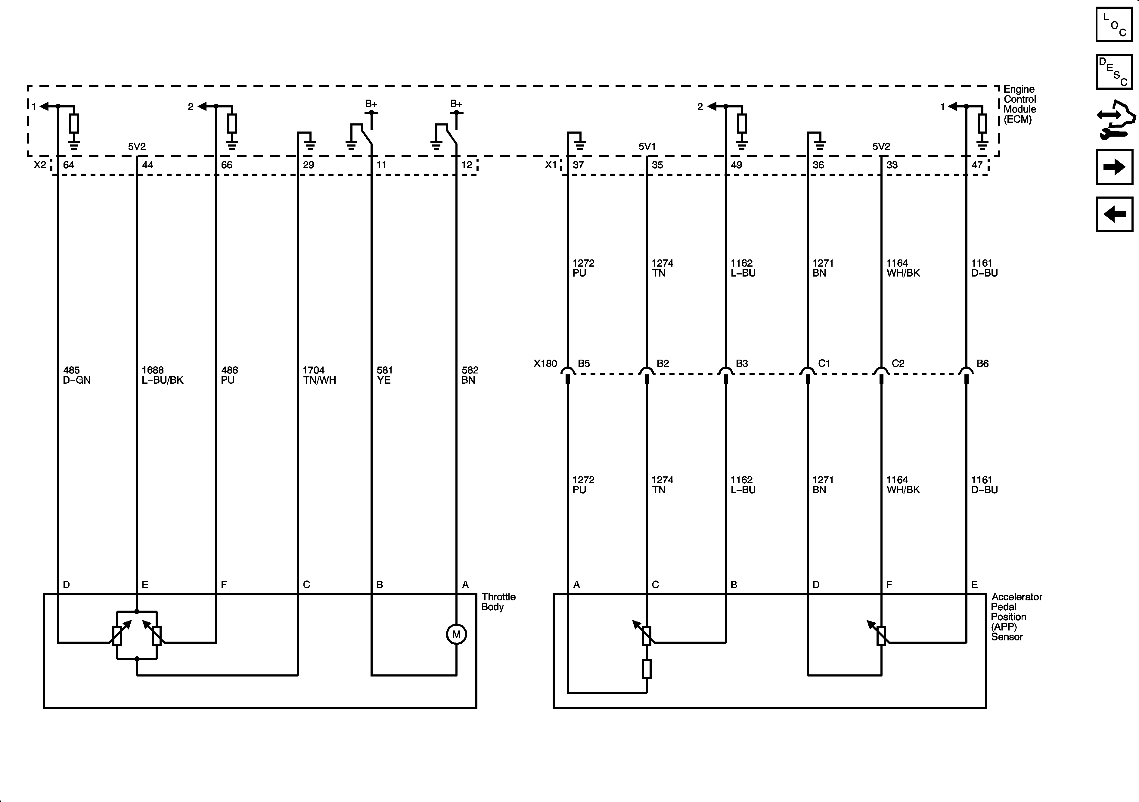
Figure 6:

Electronic Throttle Controls


Object Number: 2053325  Size: FS
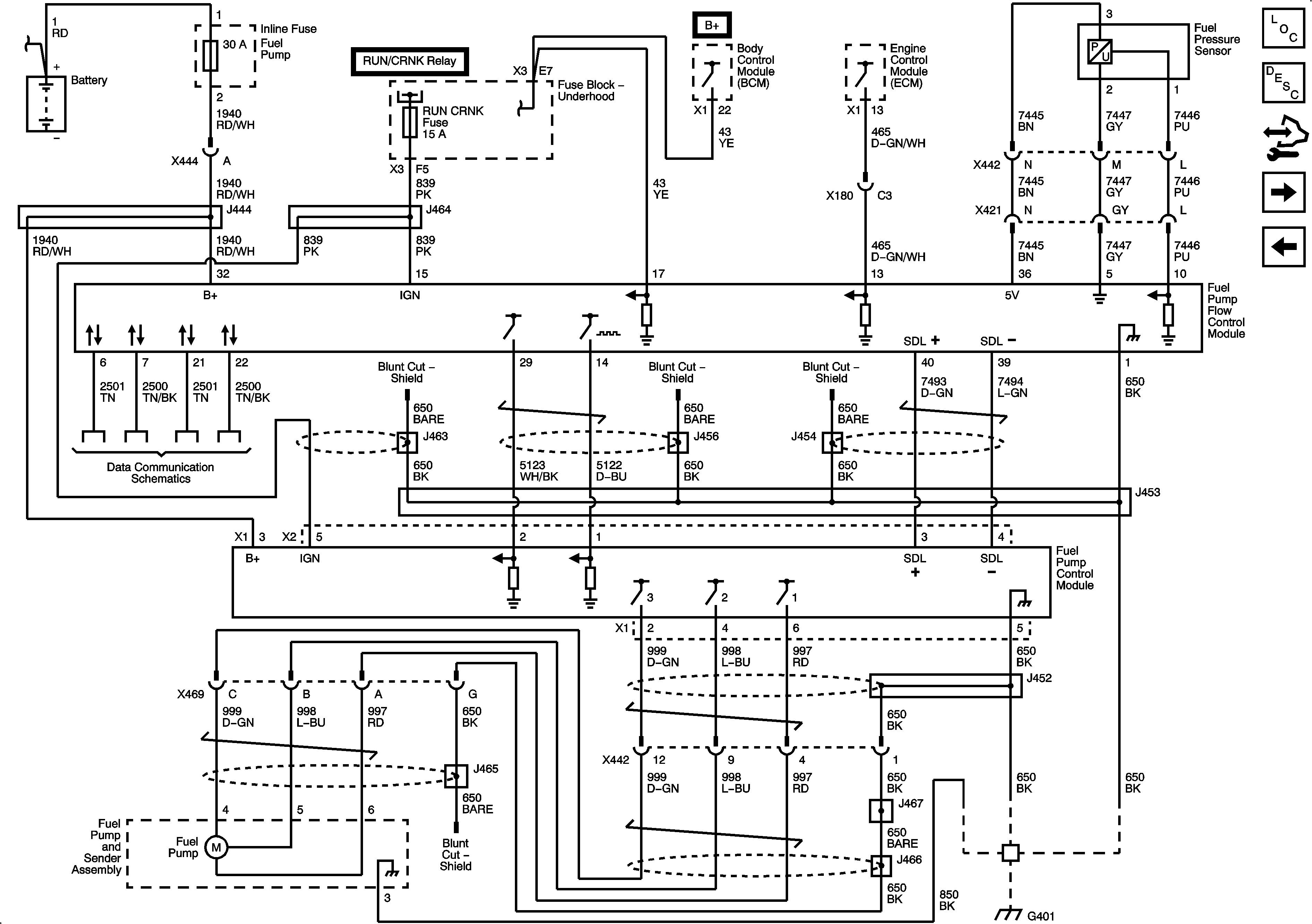
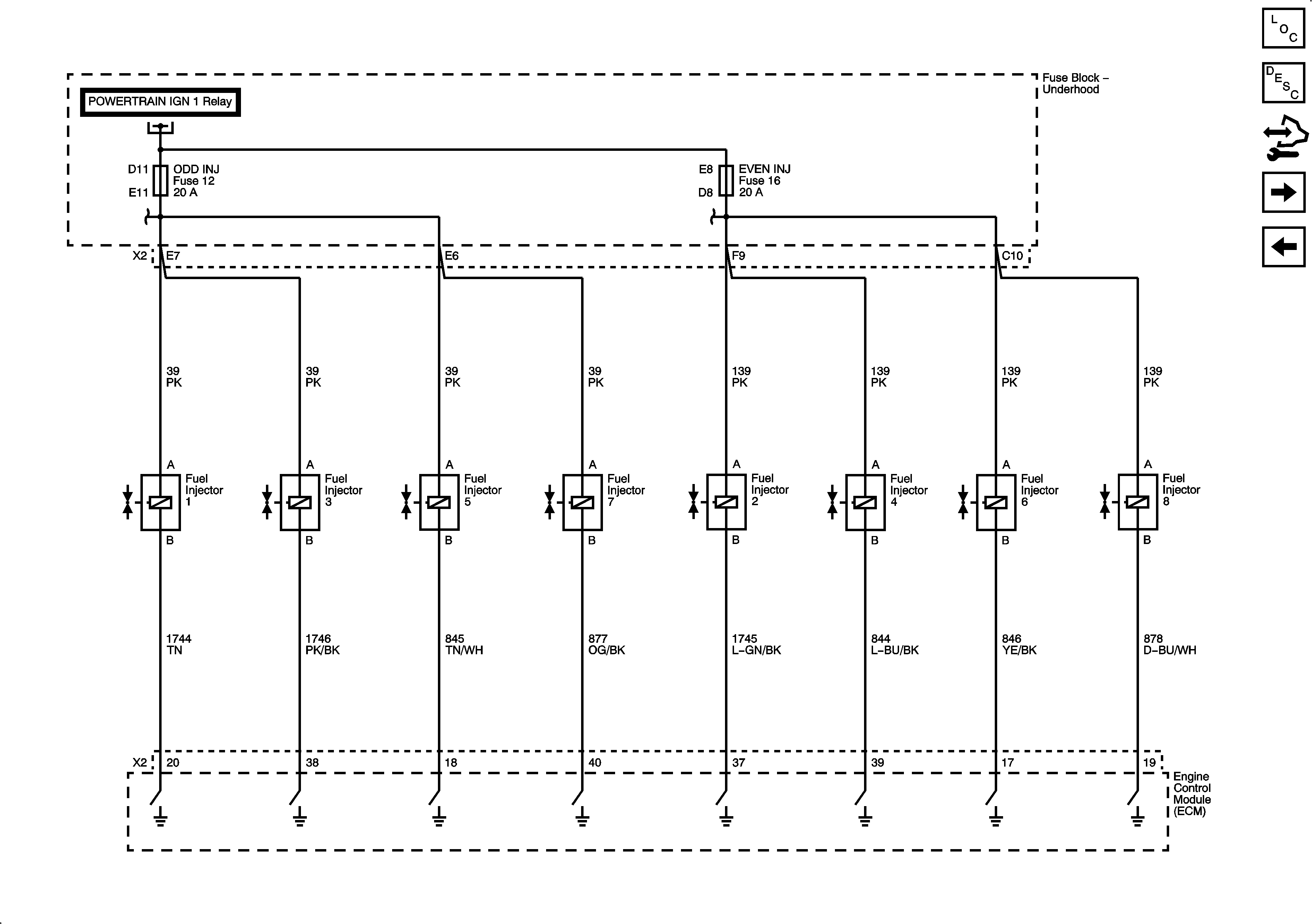
Figure 7:

Fuel Injectors and Fuel Pump Controls


Object Number: 2053328  Size: FS
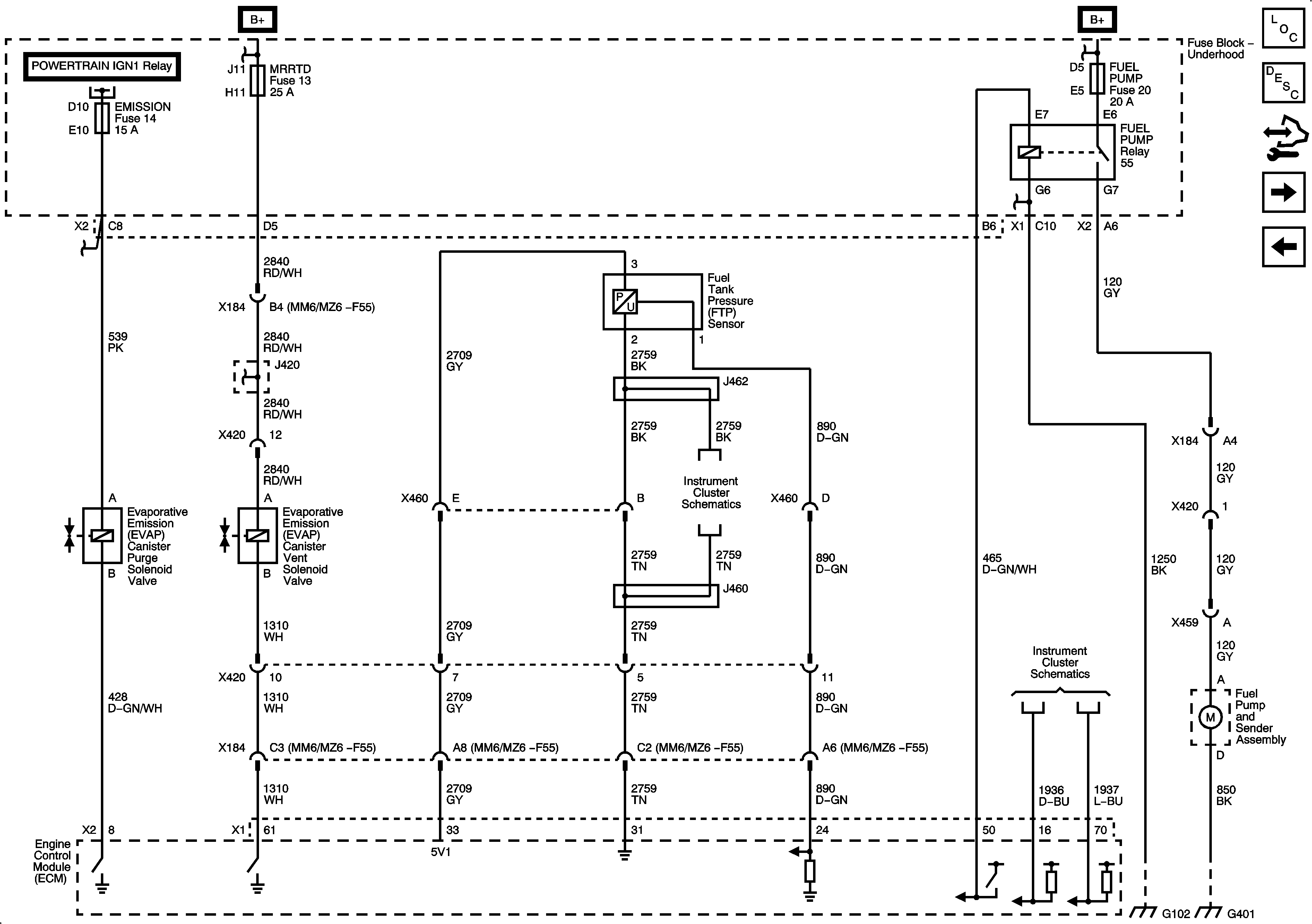
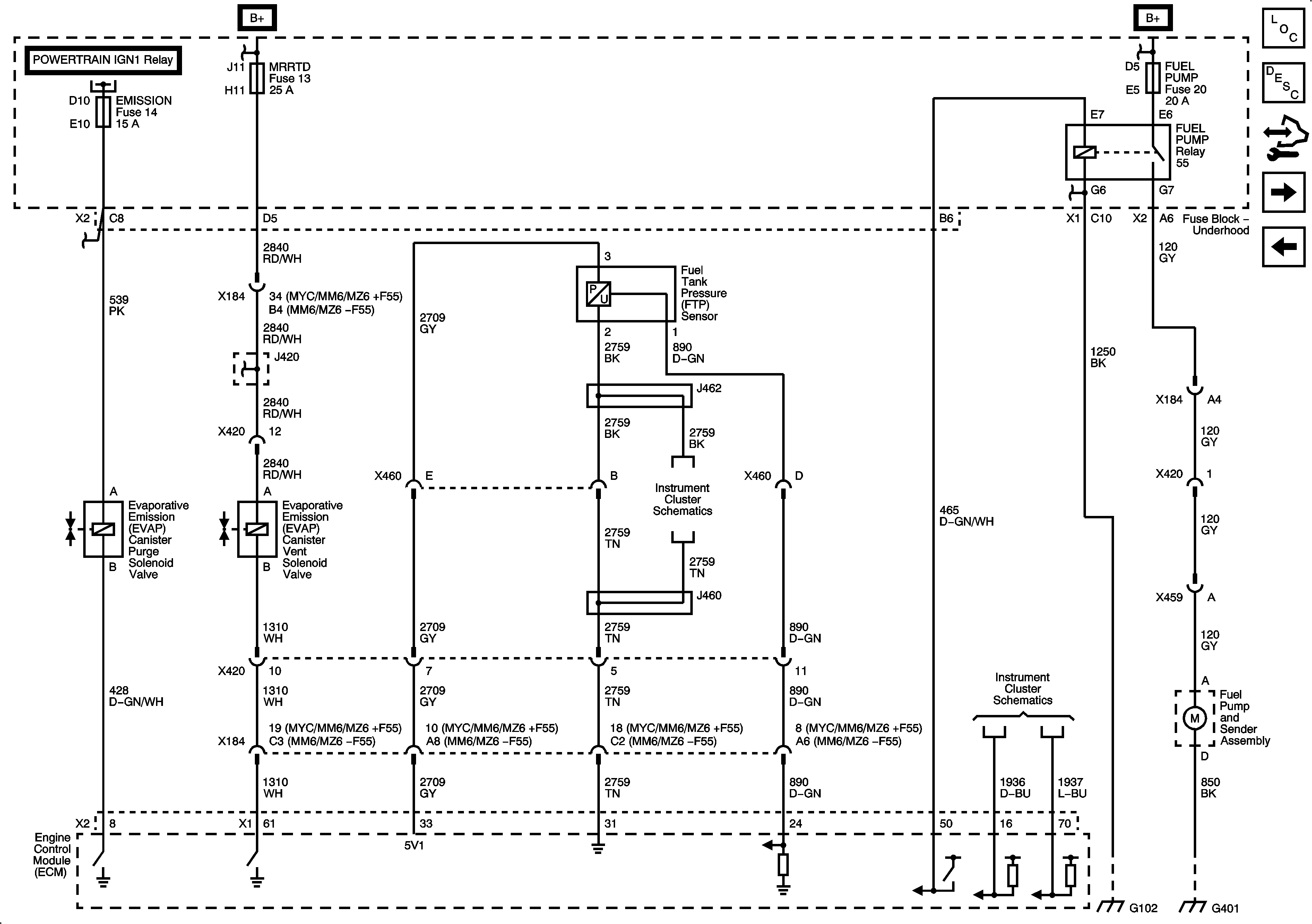
Figure 8:

EVAP Solenoids and FTP Sensor


Object Number: 2053331  Size: FS
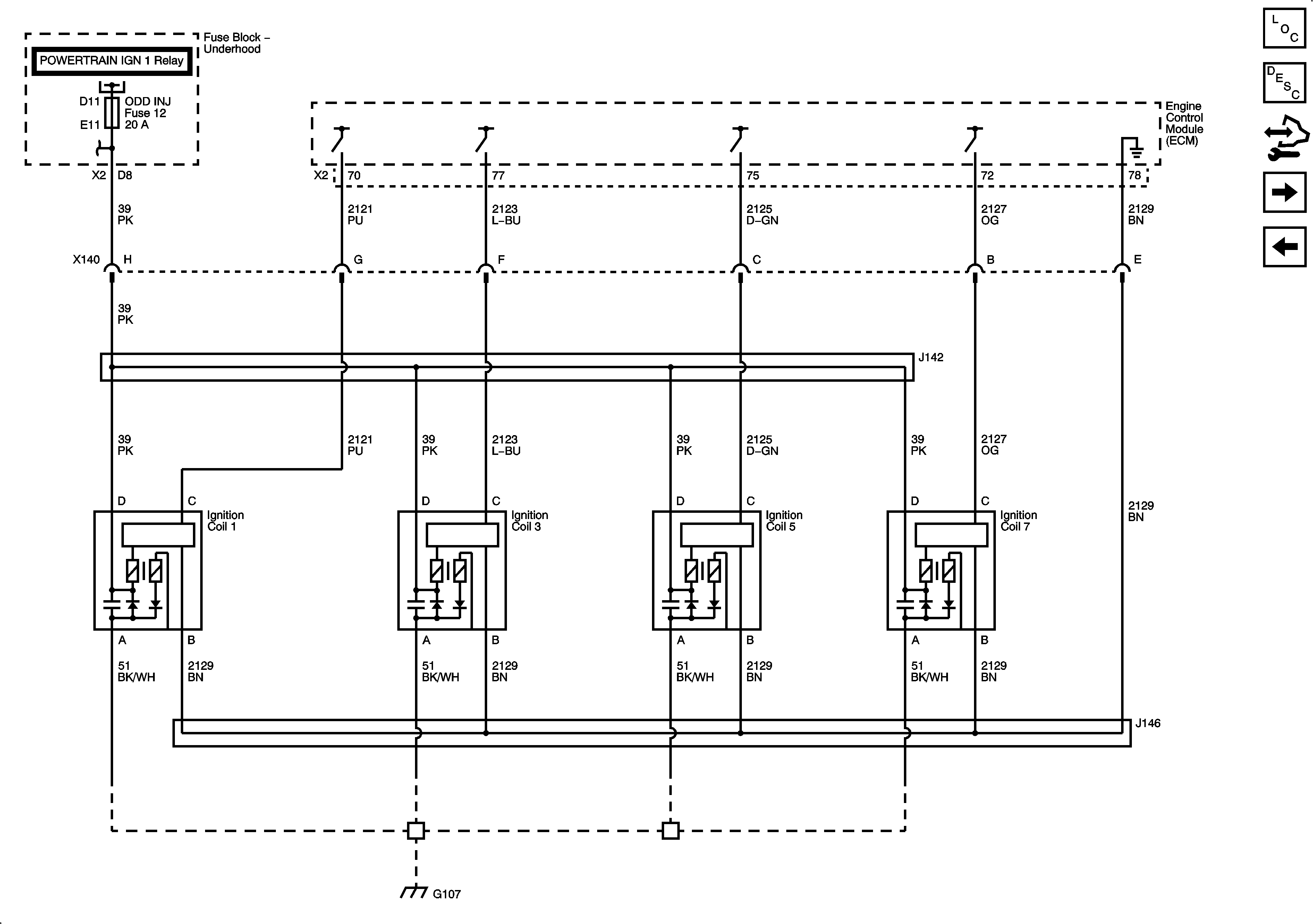
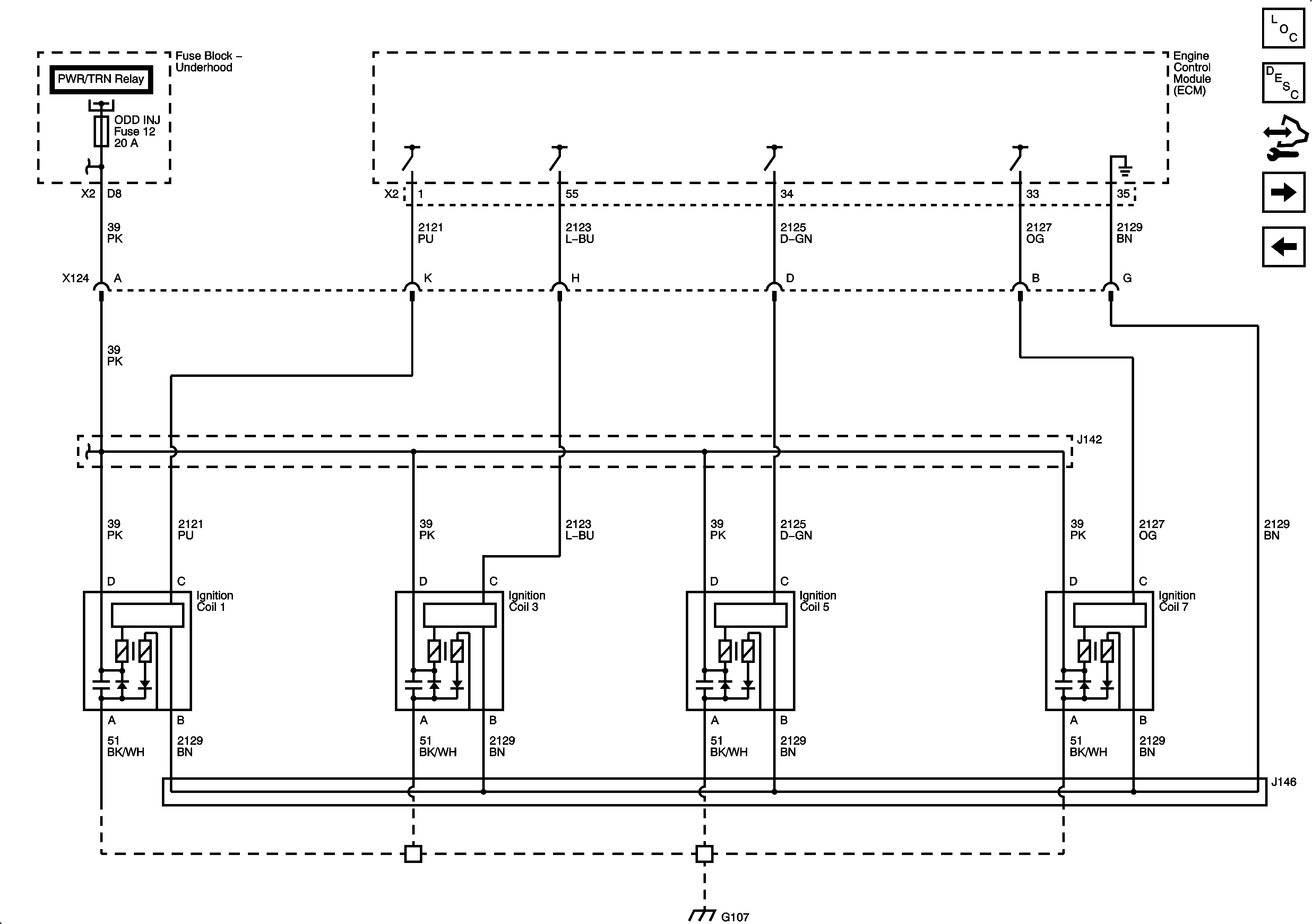
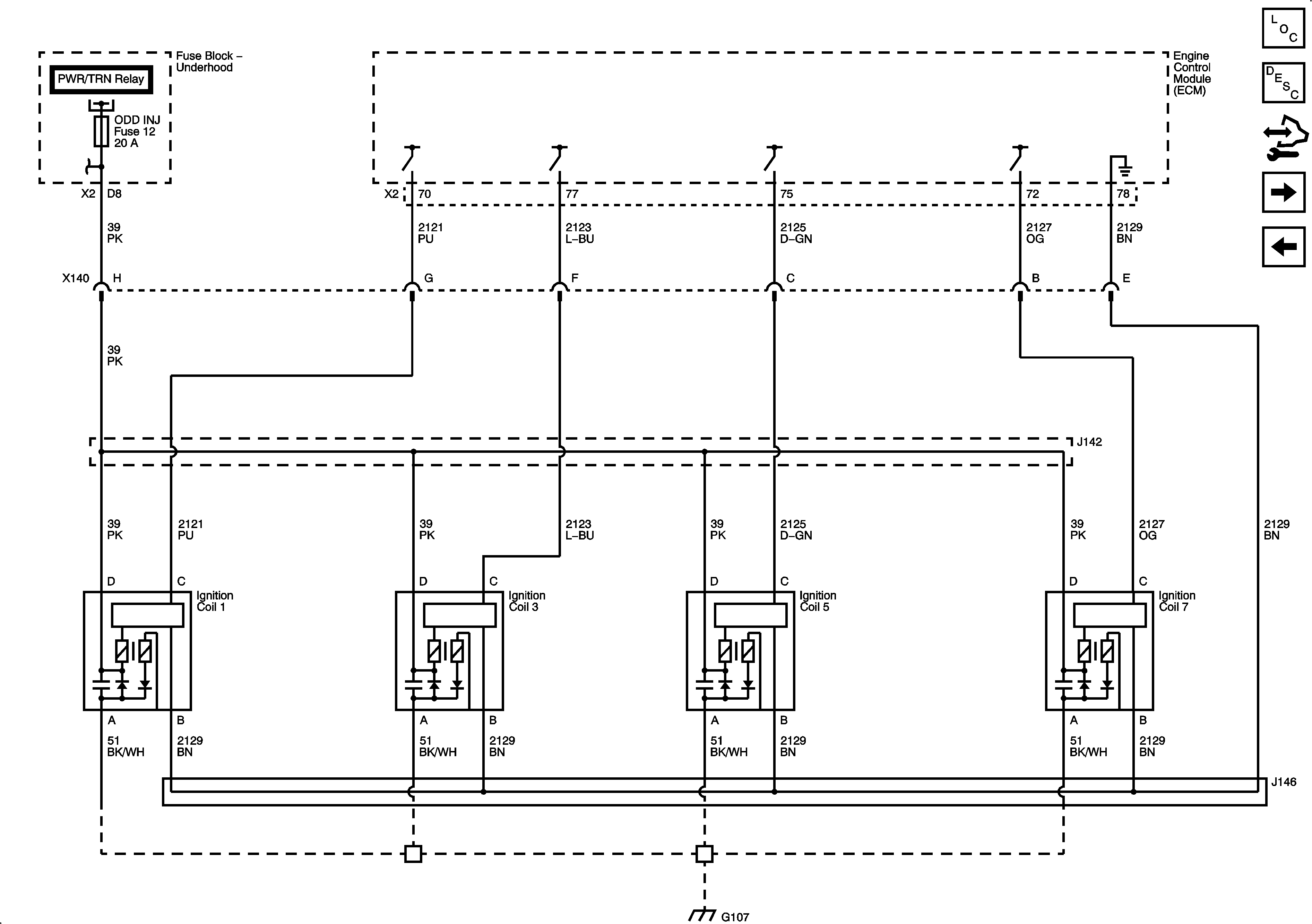
Figure 9:

Ignition Controls Bank 1 (Odd) Ignition Coils


Object Number: 2053339  Size: FS
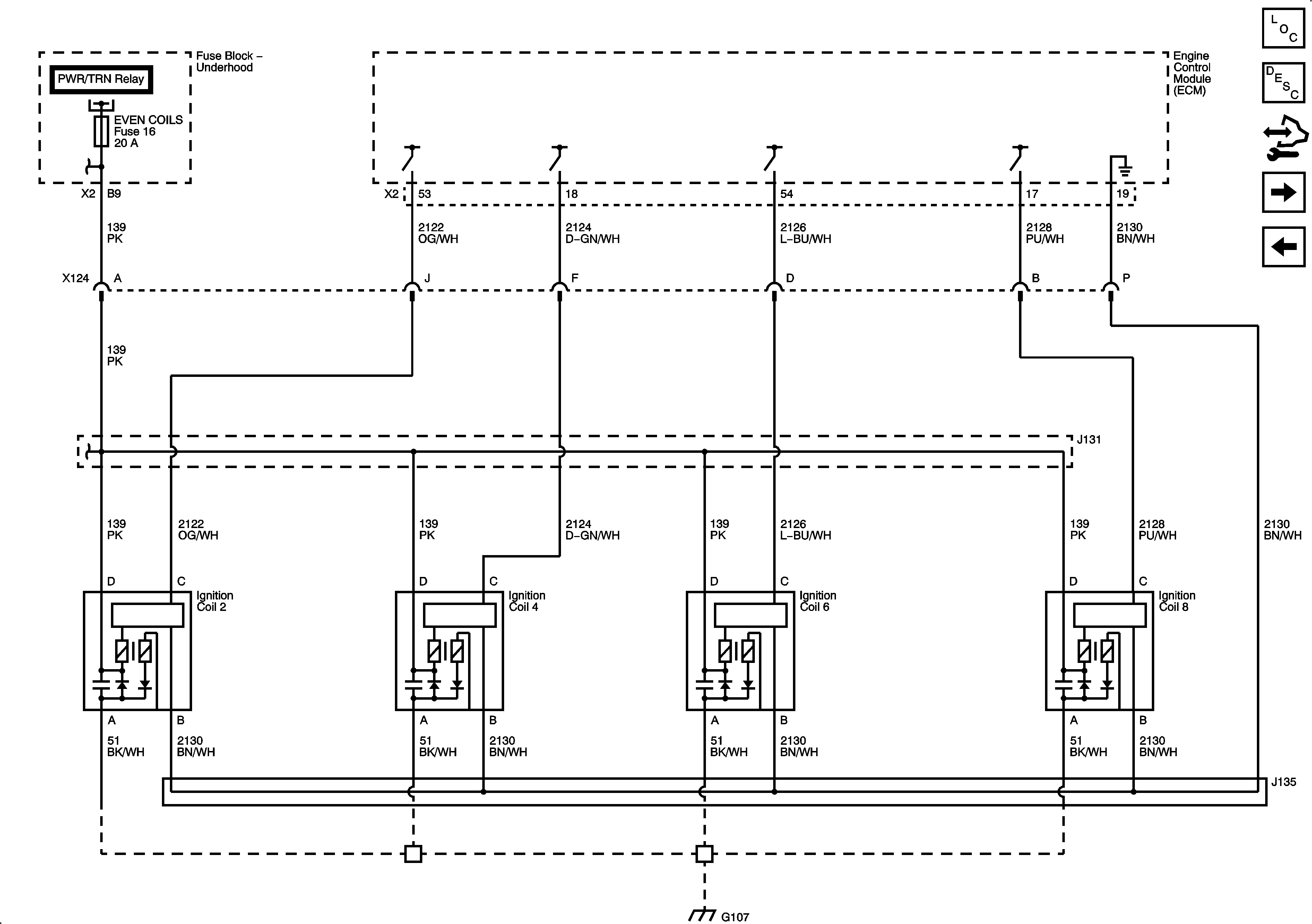
Figure 10:

Ignition Controls Bank 2 (Even) Ignition Coils


Object Number: 2053343  Size: FS
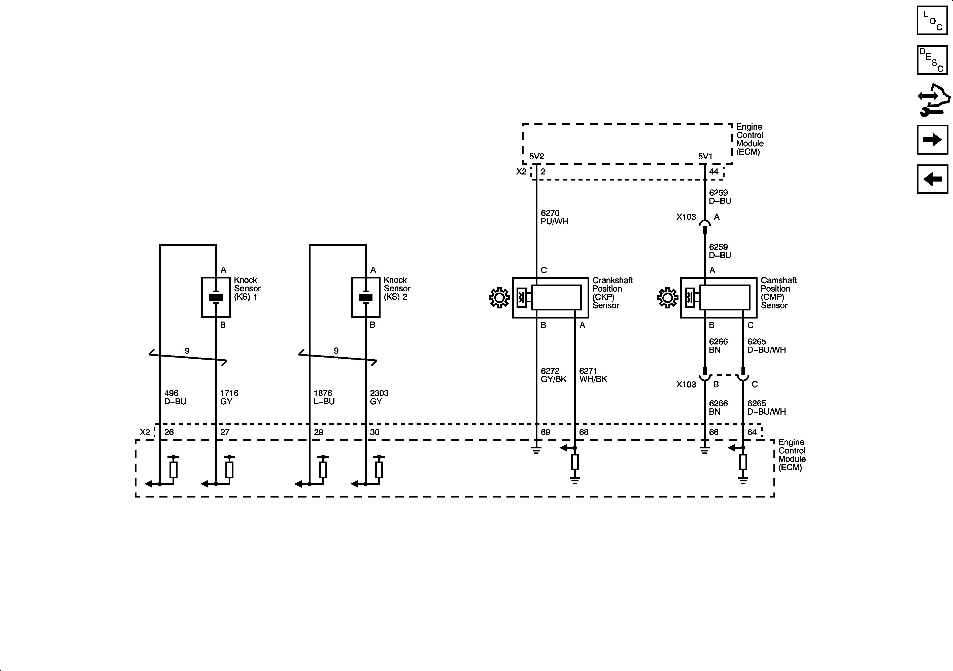
Figure 11:

Ignition Controls - CMP, CKP, and KS Sensors


Object Number: 2053346  Size: FS
Figure 12:

Controlled/Monitored Subsystem References


Object Number: 2053349  Size: FS

Engine Controls Schematics LS7

Figure 1:

ECM Power, Ground, MIL, and Serial Data


Object Number: 2053354  Size: FS
Figure 2:

5-Volt Reference Bussing


Object Number: 2053360  Size: FS
Figure 3:

Low Reference Bussing


Object Number: 2053364  Size: FS
Figure 4:

IAT/MAF, MAP, ECT Sensors, VSS, and Stop Lamp Signals


Object Number: 2053366  Size: FS
Figure 5:

Heated Oxygen Sensors


Object Number: 2053370  Size: FS
Figure 6:

Electronic Throttle Controls


Object Number: 2053379  Size: FS
Figure 7:

Ignition Controls Bank 1 (Odd) Ignition Coils


Object Number: 2053385  Size: FS
Figure 8:

Ignition Controls Bank 2 (Even) Ignition Coils


Object Number: 2053397  Size: FS
Figure 9:

Ignition Controls - CMP, CKP, and KS Sensors


Object Number: 2053402  Size: FS
Figure 10:

Fuel injectors and Fuel Pump Controls


Object Number: 2053407  Size: FS
Figure 11:

EVAP Solenoids and FTP Sensor


Object Number: 2053411  Size: FS
Figure 12:

Controlled/Monitored Subsystem References


Object Number: 2053526  Size: FS

Engine Controls Schematics LS9

Figure 1:

ECM Power, Ground, MIL, and Serial Data


Object Number: 2101567  Size: FS
Figure 2:

5-Volt Reference Bussing


Object Number: 2101569  Size: FS
Figure 3:

Low Reference Bussing


Object Number: 2101570  Size: FS
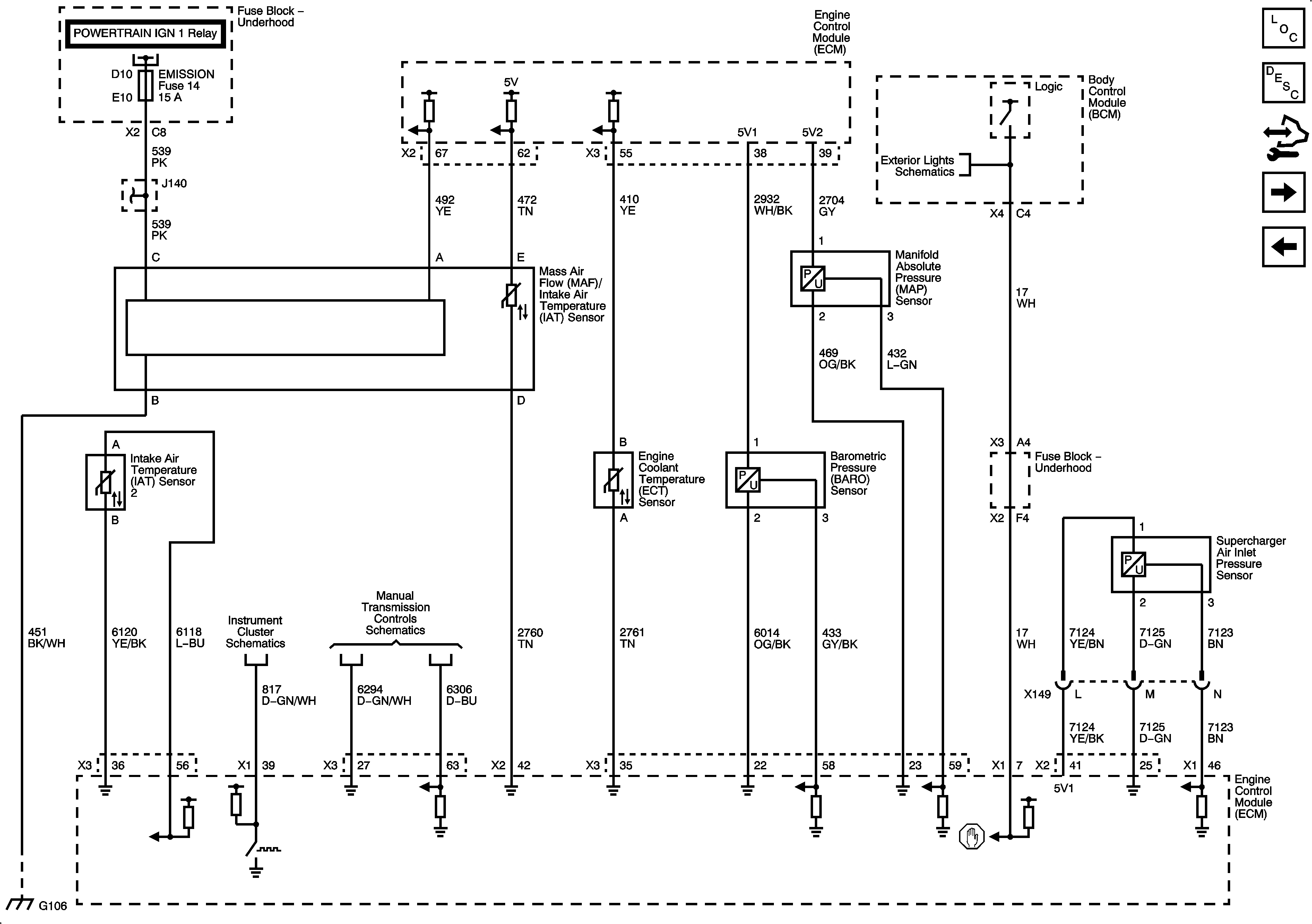
Figure 4:

MAF/IAT, MAP, ECT Sensor, Intake Air Temperature (IAT) Sensor 2, Supercharger Air Inlet Pressure Sensor, Supercharger Air Outlet Pressure Sensor


Object Number: 2101571  Size: FS
Figure 5:

Heated Oxygen Sensors


Object Number: 2101572  Size: FS
Figure 6:

Electronic Throttle Controls


Object Number: 2101573  Size: FS
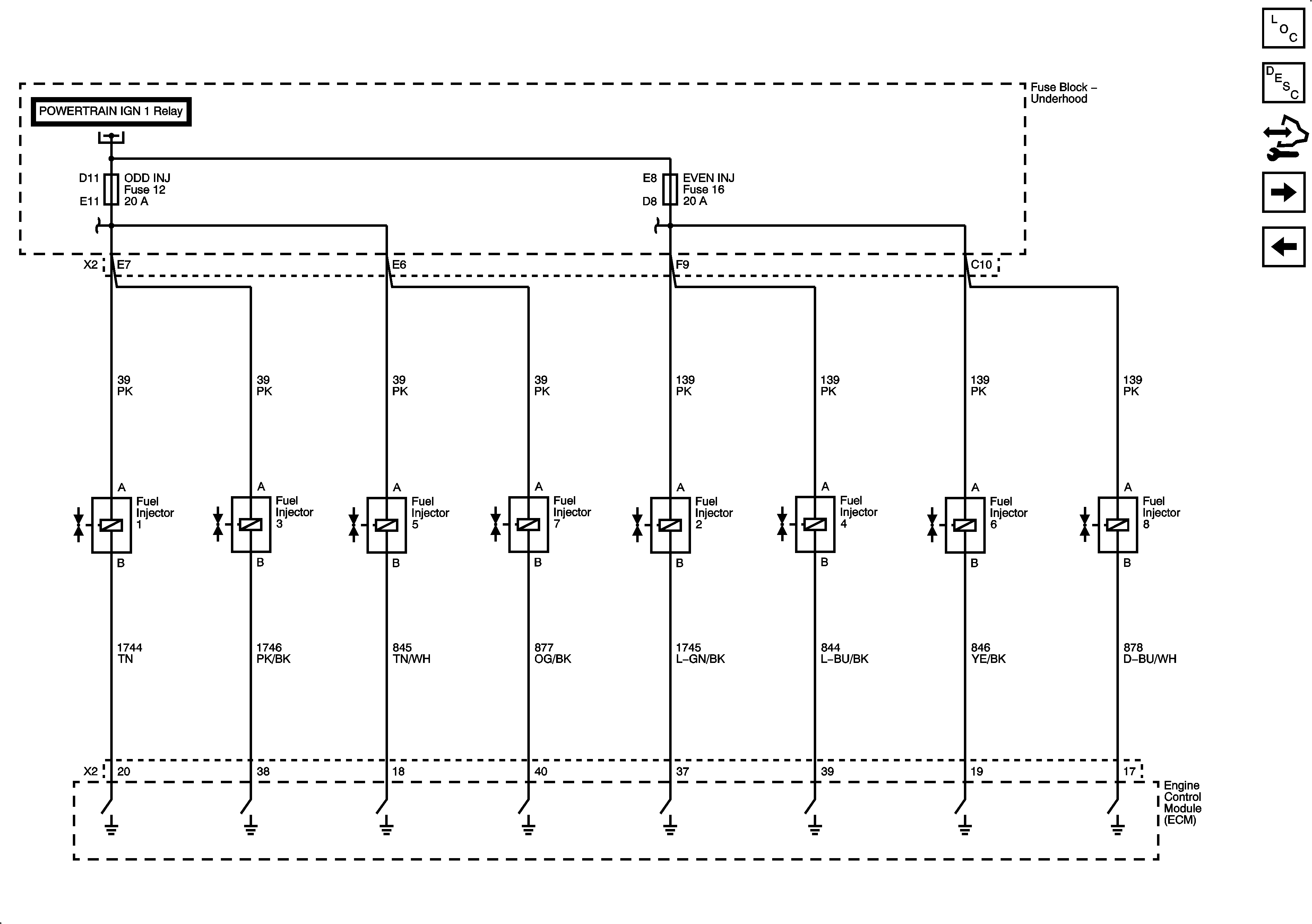
Figure 7:

Fuel Injectors


Object Number: 2101576  Size: FS
Figure 8:

Fuel Pump Controls


Object Number: 2127415  Size: FS
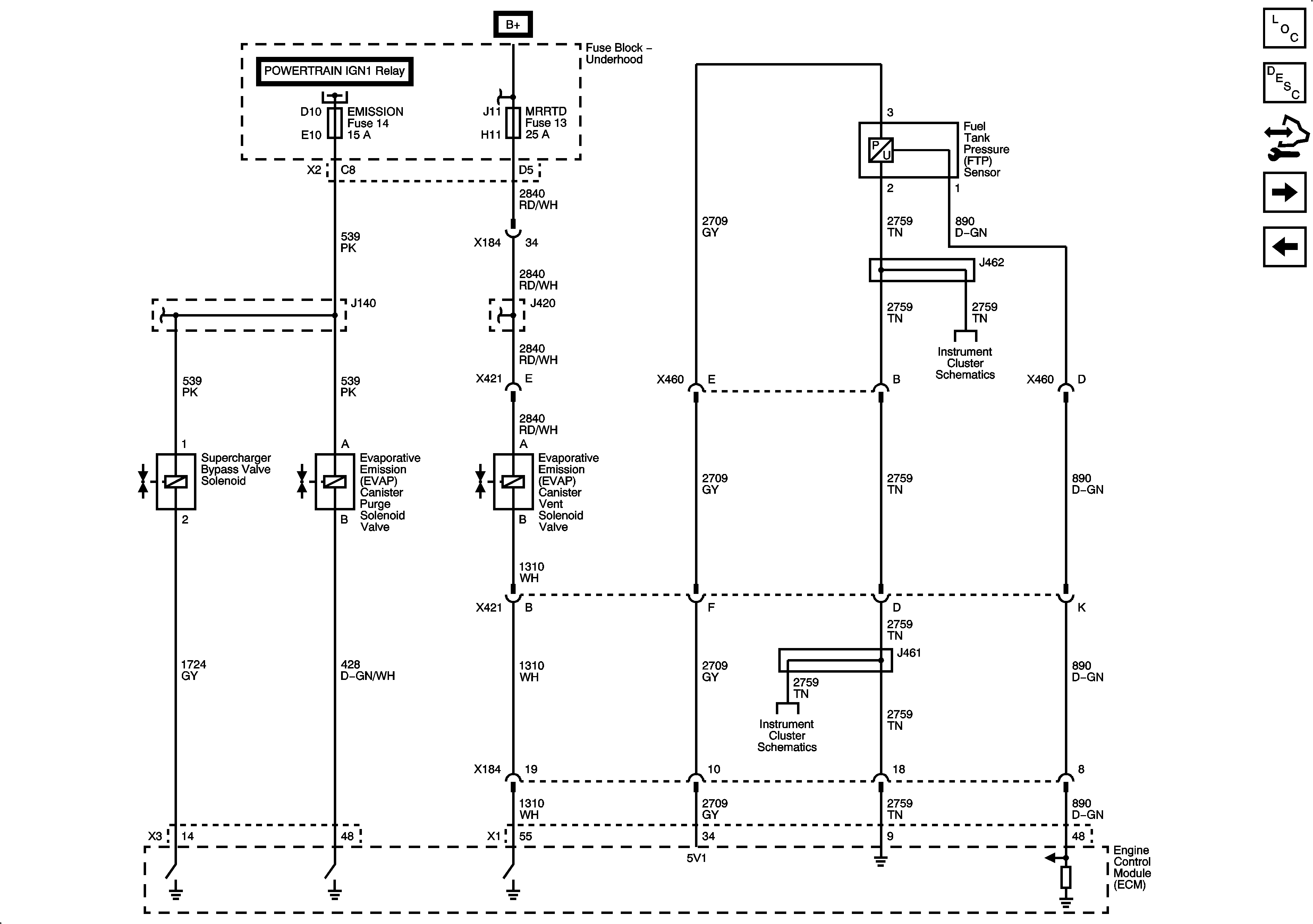
Figure 9:

EVAP Solenoids, FTP Sensor, and Supercharger Bypass Valve Solenoid


Object Number: 2101577  Size: FS
Figure 10:

Ignition Controls Bank 1 (Odd) Ignition Coils


Object Number: 2101578  Size: FS
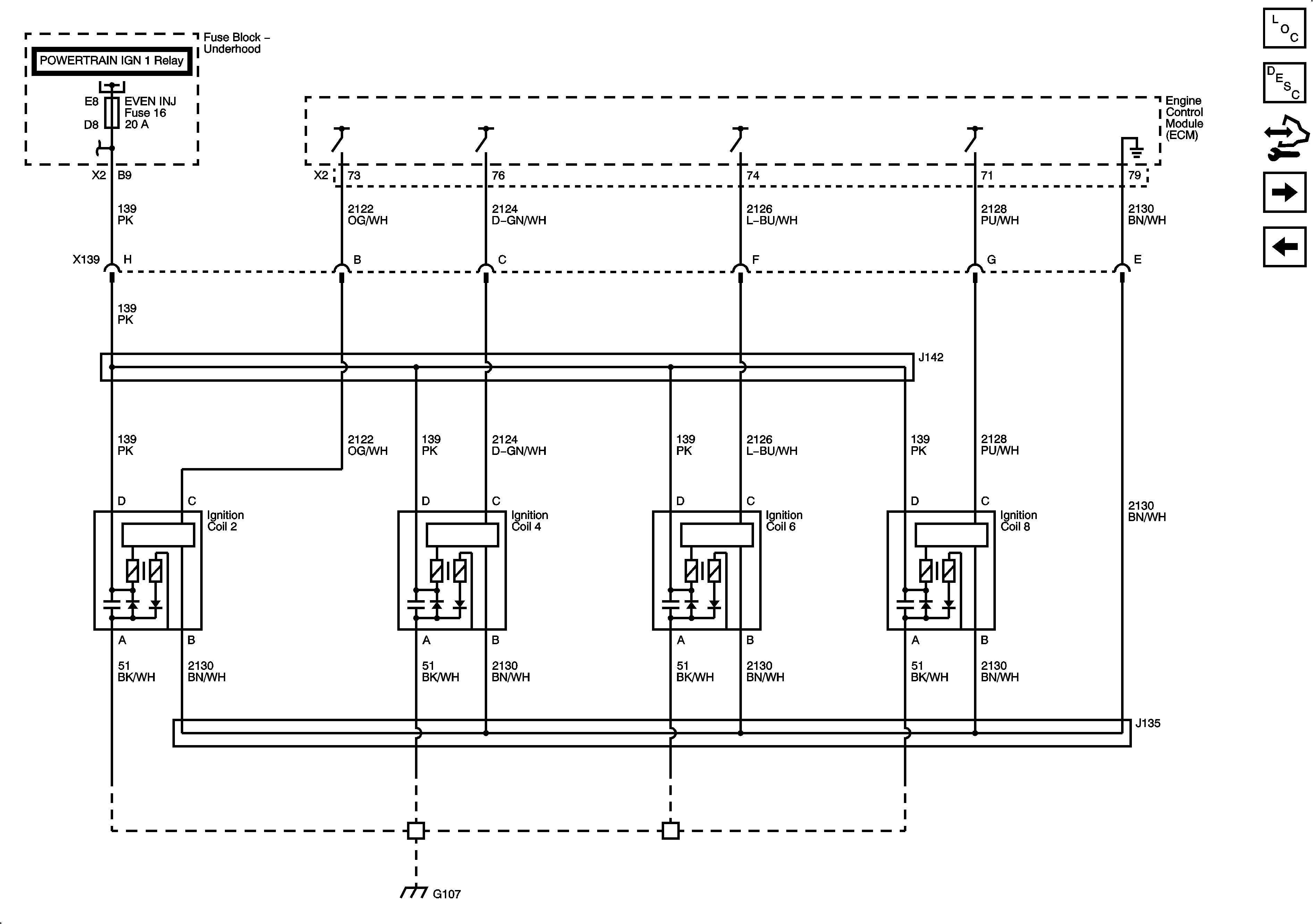
Figure 11:

Ignition Controls Bank 2 (Even) Ignition Coils


Object Number: 2101849  Size: FS
Figure 12:

Ignition Controls - CMP, CKP, and KS Sensors


Object Number: 2101579  Size: FS
Figure 13:

Controlled/Monitored Subsystem References


Object Number: 2101580  Size: FS