GM Service Manual Online
For 1990-2009 cars only

    Object Number: 2054458  Size: SH
  1. Install the NEW gaskets (2).
  2. Install NEW gasket rivets (1).

  3. Object Number: 2054367  Size: SH

    Note: The actuator adjustment tool is provided within the actuator parts kit.

  4. Install the actuator adjustment tool onto the actuator. Position the raised portion of the rod in the proper position.

  5. Object Number: 2054364  Size: SH
  6. Install the rod of the actuator into the lever of the supercharger.
  7. Rotate the actuator and install the bolts. Do not tighten the bolts at this time.

  8. Object Number: 2054357  Size: SH
  9. Moving the actuator forward or rearward as required, ensure that the supercharger lever is in contact with the adjustment screw on the actuator and that the lever is rotated to the fully closed position.
  10. Caution: Refer to Fastener Caution in the Preface section.

  11. Tighten the actuator bolts to 25 N·m (18 lb ft).
  12. Remove the adjustment tool from the actuator.
  13. Rotate the adjustment screw on the actuator clockwise ¼ turn.

  14. Object Number: 2054363  Size: SH
  15. Install the charge air bypass valve (3).
  16. Install the charge air bypass valve bolt (2) and tighten to 10 N·m (89 lb in).
  17. Install the bypass actuator tube (1).

  18. Object Number: 2054338  Size: SH
  19. Install a NEW evaporative emission (EVAP) valve seal (2).
  20. Install the EVAP valve (1) and tighten to 10 N·m (89 lb in).

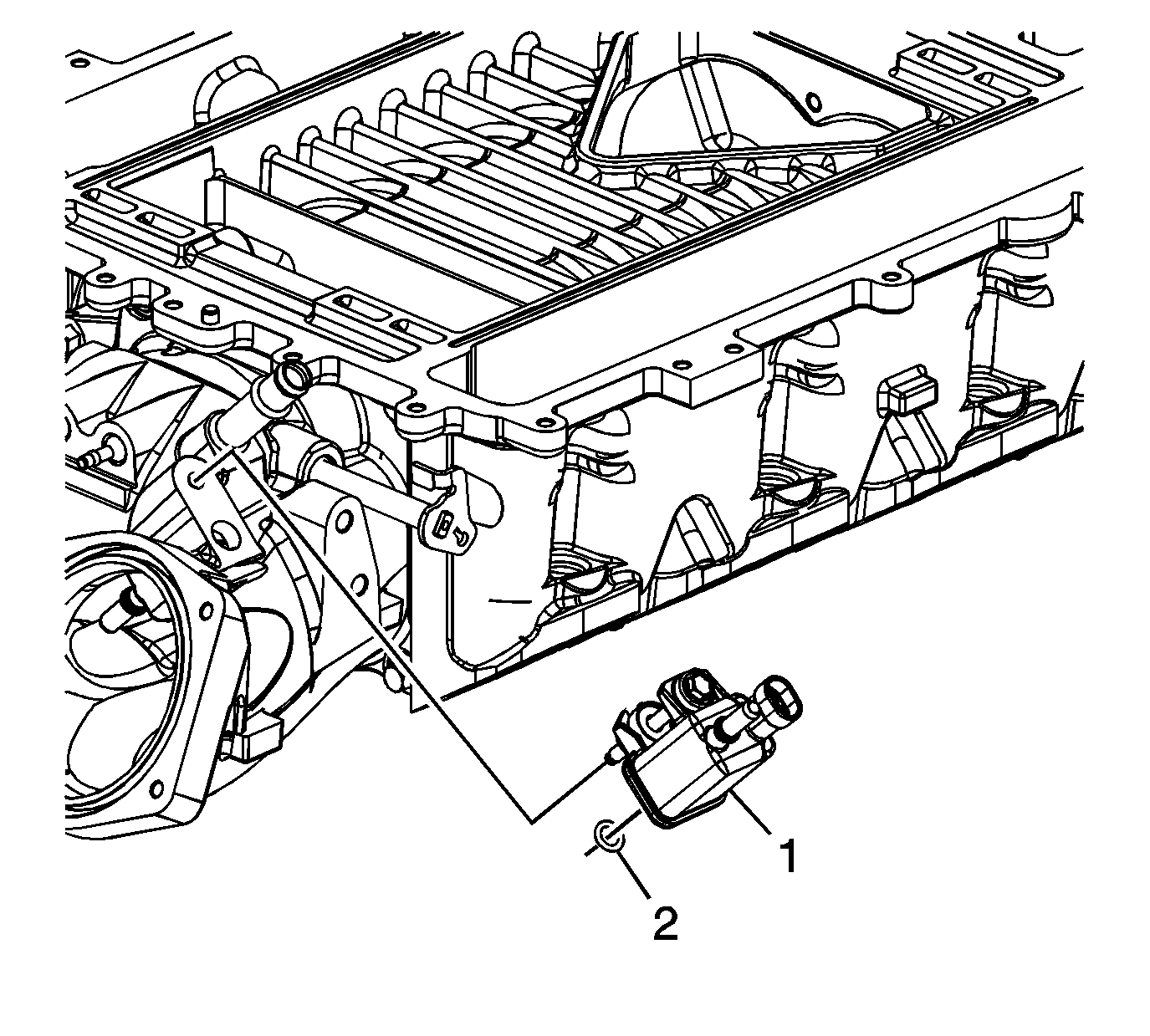
  21. Object Number: 2054336  Size: SH
  22. Install a NEW inlet air pressure sensor seal (3).
  23. Install the inlet air pressure sensor (2).
  24. Install the inlet air pressure sensor bolt (1) and tighten to 10 N·m (89 lb in).

  25. Object Number: 2054334  Size: SH
  26. Install the bypass valve vacuum tube (2).
  27. Install the bypass valve tube (1).

  28. Object Number: 2054331  Size: SH
  29. Install the NEW insulator seals (1).

  30. Object Number: 2054318  Size: SH
  31. Install a NEW barometric pressure (BARO) sensor seal (3).
  32. Install the BARO sensor (2).
  33. Install the BARO sensor bolt (1) and tighten to 10 N·m (89 lb in).

  34. Object Number: 2054312  Size: SH
  35. Apply a 5 mm (0.2 in) band of sealant GM P/N 12346004 (Canadian P/N 10953480) or equivalent to the threads of the intake air temperature (IAT) sensor.
  36. Install the IAT sensor (1) and tighten to 20 N·m (15 lb ft).

  37. Object Number: 2054310  Size: SH
  38. Install a NEW manifold absolute pressure (MAP) sensor seal (3).
  39. Install the MAP sensor (2).
  40. Install the MAP sensor bolt (1) and tighten to 10 N·m (89 lb in).

  41. Object Number: 2173850  Size: SH
  42. Apply a 5 mm (0.2 in) band of threadlocker GM P/N 12345382 (Canadian P/N 10953489) or equivalent to the threads of the bolts.
  43. Install the insulators (3), charge air coolers (2) and bolts (1) and tighten to 10 N·m (89 lb in).

  44. Object Number: 2054307  Size: SH
  45. Lubricate the NEW seals (1) with clean engine oil.
  46. Install the NEW seals (1) to the coolant pipes (2).

  47. Object Number: 2054304  Size: SH
  48. Install the NEW water manifold gaskets (3).
  49. Install the water manifold (2).
  50. Install the water manifold bolts (1) and tighten to 10 N·m (89 lb in).

Supercharger Intercooler Pressure Testing

Special Tools

    • EN-48974 Adapter Kit
    • J 46091 Charge Air Cooler Tester
        For equivalent regional tools, refer to Special Tools.

    Object Number: 2054358  Size: SH

    Warning: Do not apply greater than 69 kPa (10 psi) to the supercharger intercooler, this may damage the charge air cooler and other internal components within the intercooler.

  1. Rotate the regulator knob (3) counterclockwise until stop to reduce pressure to 0 kPa (0 psi).
  2. Connect the J 46091-1 to a shop air source (1).

  3. Object Number: 2054361  Size: SH
  4. Install the EN-48974 Kit adapter hose (1), cap (2) and clamps (3) to the coolant inlet and outlet connections of the intercooler water manifold. Tighten the clamps until snug.

  5. Object Number: 2054362  Size: SH
  6. Install the J 46091-1 to the EN-48974 Kit adapter hose.
  7. Rotate the knob of the regulator slowly clockwise to increase pressure.
  8. Note: The gage value should not exceed 69 kPa (10 psi). Adjust the pressure regulator as required.

  9. With the intercooler pressurized to 69 kPa (10 psi) maximum, close the air inlet valve of the J 46091-1.
  10. Inspect for a drop in air pressure on the gage.
  11. • If a drop in pressure is noted, inspect for leaks at the tool connections, the charge air coolers, service bleed ports, assembly plant fill port, and water manifold-to-charge air cooler seal locations.
    •  If no drop in pressure is noted, the intercooler can be installed onto the engine assembly.