GM Service Manual Online
For 1990-2009 cars only

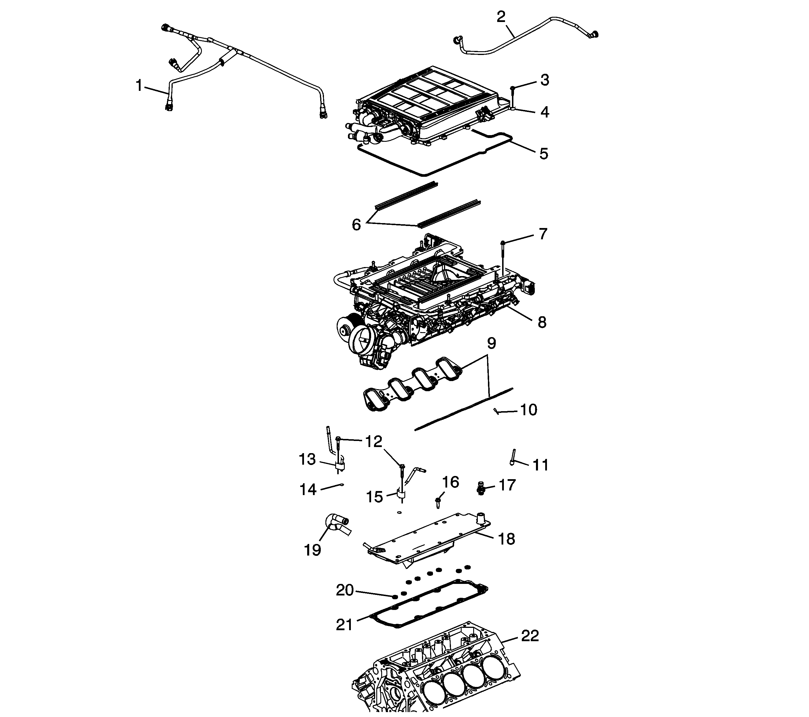
Disassembled Views 6.2L LS3

Figure 1:

Intake Manifold/Upper Engine


Object Number: 2071565  Size: LF
(1)Evaporative Emission (EVAP) Canister Purge Tube
(2)EVAP Canister Purge Solenoid Valve
(3)EVAP Tube Clip
(4)EVAP Canister Purge Tube
(5)EVAP Purge Valve Bracket
(6)Bolt
(7)Bolt
(8)Fuel Rail Ground Strap
(9)Fuel Rail with Injectors
(10)Bolt
(11)Fuel Injection Fuel Rail Stop Bracket
(12)Intake Manifold
(13)Seal
(14)Intake Manifold Gasket
(15)Engine Coolant Air Bleed Plug
(16)Oil Pressure Sensor
(17)Washer
(18)Bolt
(19)Valley Cover
(20)Valley Cover Gasket
(21)Engine Block
(22)Seal
(23)Positive Crankcase Ventilation (PCV) Hose - Dirty Air
(24)Seal
(25)Engine Coolant Air Bleed Pipe
(26)Bolt
(27)Bolt
(28)Throttle Body
(29)Throttle Body Gasket
(30)Seal
(31)Manifold Absolute Pressure (MAP) Sensor
(32)MAP Sensor Bolt
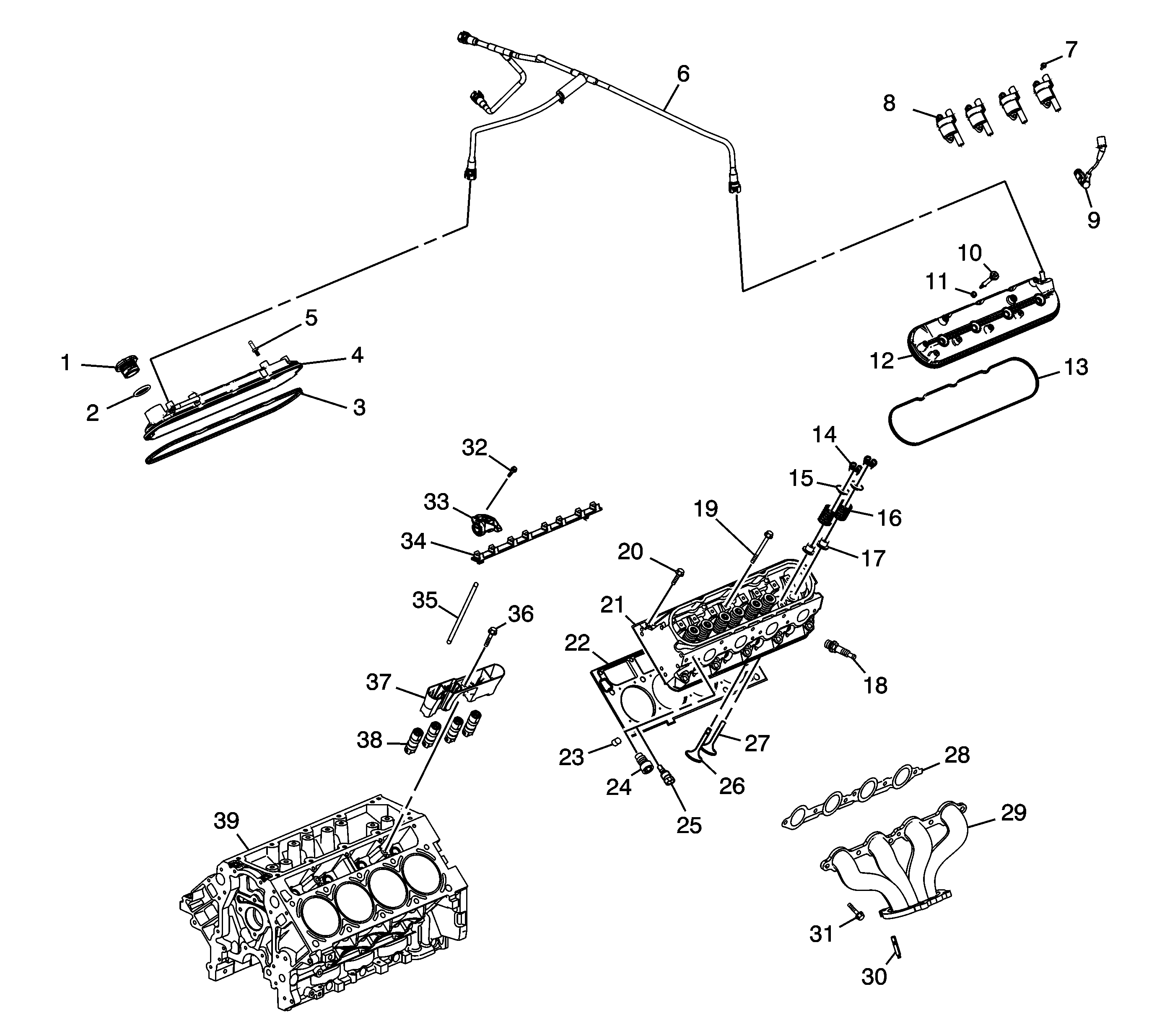
Figure 2:

Cylinder Head/Upper Engine


Object Number: 1408840  Size: LF
(100)Engine Block
(209)Valve Lifter
(210)Valve Lifter Guide
(211)Bolt
(212)Pushrod
(213)Valve Rocker Arm
(214)Bolt
(215)Valve Rocker Arm Pivot Support
(216)Core Hole Plug
(217)Cylinder Head Gasket
(218)Cylinder Head
(220)Cylinder Head Bolt - M11
(221)Cylinder Head Bolt - M8
(222)Valve Stem Oil Seal
(223)Valve Spring
(224)Valve Spring Cap
(225)Valve Stem Key
(226)Core Hole Plug
(227)Intake Valve
(228)Exhaust Valve
(229)Cylinder Head Plug
(230)Cylinder Head Locating Pin
(422)O-Ring
(423)Oil Fill Tube
(424)Oil Fill Cap
(450)O-Ring
(504)Valve Rocker Arm Cover Gasket
(504)Valve Rocker Arm Cover Gasket
(505)Valve Rocker Arm Cover
(505)Valve Rocker Arm Cover
(515)Bolt Grommet
(516)Bolt
(558)Plug
(600)Exhaust Manifold
(601)Exhaust Manifold Gasket
(602)Bolt
(603)Exhaust Manifold Heat Shield
(604)Bolt
(605)Stud
(700)Positive Crankcase Ventilation (PCV) Hose - Fresh Air
(719)Ignition Coil Bracket
(720)Stud
(721)Ignition Coil Wire Harness Assembly
(722)Ignition Coil
(723)Bolt
(724)Spark Plug Wire
(725)Coolant Temperature Sensor (CTS)
(726)Spark Plug
Figure 3:

Front of Engine


Object Number: 1704618  Size: LF
(1)Bolt
(2)Water Inlet Housing
(3)O-Ring
(4)Thermostat
(5)Bolt
(6)Water Pump
(7)Water Pump Gasket
(8)Oil Level Indicator
(9)O-Ring
(10)Bolt
(11)Oil Level Indicator Tube
(12)O-Ring
(13)Engine Block
(14)Camshaft Bearings
(15)Camshaft
(16)Camshaft Sprocket Locating Pin
(17)Crankshaft Sprocket
(18)Crankshaft Balancer Washer
(19)Camshaft Retainer
(20)Bolt
(21)Camshaft Sprocket
(22)Bolt
(23)Timing Chain
(24)Timing Chain Tensioner
(25)Bolt
(26)Engine Front Cover Gasket
(27)Engine Front Cover
(28)Bolt
(29)Crankshaft Front Oil Seal
(30)Crankshaft Balancer
(31)Bolt
(32)Balance Weight - Crankshaft Balancer
(33)Bolt
(34)Camshaft Position (CMP) Sensor
(35)O-Ring
(36)Bolt
(37)CMP Sensor Wire Harness
(38)Bolt
(39)Oil Pump
(40)Bolt
(41)Oil Pump Housing Cover
(42)Oil Pump Drive Gear
(43)Oil Pump Driven Gear
(44)Oil Pump Housing Plug
(45)Oil Pump Pressure Relief Valve Spring
(46)Oil Pump Pressure Relief Valve
(47)Bolt
(48)O-Ring
(49)Nut
(50)Oil Pump Screen
Figure 4:

Rear of Engine


Object Number: 1408842  Size: LF
(100)Engine Block
(123)Transmission Pilot Bearing - Manual Transmission
(132)Flex Plate - Automatic Transmission
(133)Bolt
(134)Flywheel - Manual Transmission
(135)Clutch Driven Plate - Manual Transmission
(136)Clutch Pressure Plate - Manual Transmission
(137)Bolt
(141)Crankshaft Rear Oil Seal
(142)Clutch Pressure Plate Locating Pin - Manual Transmission
(144)Balance Weight - Flywheel
(517)Bolt
(518)Crankshaft Rear Oil Seal Housing
(519)Crankshaft Rear Oil Seal Housing Gasket
Figure 5:

Lower Engine Assembly


Object Number: 1704619  Size: LF
(1)Engine Block
(2)Piston Pin
(3)Piston Pin Retainer
(4)Piston Rings
(5)Piston
(6)Connecting Rod
(7)Connecting Rod Bearings
(8)Connecting Rod Cap
(9)Bolt
(10)Crankshaft Main Bearing
(10)Crankshaft Main Bearing
(11)Crankshaft Thrust Bearing
(11)Crankshaft Thrust Bearing
(12)Crankshaft Sprocket Key
(13)Crankshaft
(14)Transmission Pilot Bearing - Manual Transmission
(15)Crankshaft Bearing Cap
(16)Bolt - M8
(17)Stud - M10
(18)Bolt - M10
(19)Crankshaft Oil Deflector
(20)Oil Pan Gasket
(21)Nut
(22)Oil Pump Screen
(23)Nut
(24)O-Ring
(25)Bolt
(26)Bolt
(27)Engine Closeout Cover - Right
(28)Oil Level Sensor
(29)O-Ring
(30)Oil Pan
(31)Oil Pan Cover Gasket
(32)Oil Pan Cover
(33)Bolt
(34)Engine Closeout Cover - Left
(35)Bolt
(36)Oil Pan Drain Plug
(37)O-Ring
(38)Bolt
(39)Oil Filter Fitting
(40)Oil Filter
(41)Bolt
Figure 6:

Engine Block Plugs/Sensors


Object Number: 1401949  Size: LF
(100)Engine Block
(100)Engine Block
(101)Oil Gallery Plug - Front
(110)O-Ring
(111)Oil Gallery Plug - Rear
(112)Oil Gallery Plug - Side
(113)Washer
(114)Engine Coolant Heater
(115)Washer
(116)Oil Gallery Plug - Side
(117)Washer
(130)Transmission Housing Locating Pin
(145)Washer
(146)Engine Block Coolant Drain Hole Plug
(701)Crankshaft Position (CKP) Sensor
(702)O-Ring
(718)Knock Sensor
(718)Knock Sensor
(739)Bolt
(739)Bolt
(750)CKP Sensor Bolt
Figure 7:

Oil Pump Assembly


Object Number: 1272779  Size: SF
(408)Bolt
(409)Oil Pump Housing Cover
(410)Oil Pump Drive Gear
(412)Oil Pump Driven Gear
(413)Oil Pump
(414)Oil Pump Pressure Relief Valve
(415)Oil Pump Pressure Relief Valve Spring
(416)Oil Pump Housing Plug

Disassembled Views 6.2L LS9

Figure 1:

Supercharger/Upper Engine


Object Number: 2053942  Size: LF
(1)Positive Crankcase Ventilation (PCV) Tube - Fresh Air
(2)Evaporative (EVAP) Emission Canister Purge Tube
(3)Supercharger Cover Bolts
(4)Supercharger Cover
(5)Supercharger Cover Seal
(6)Supercharger Insulator Seals
(7)Supercharger Bolts
(8)Supercharger
(9)Supercharger Gasket
(10)Supercharger Gasket Rivet
(11)Engine Coolant Air Bleed Plug
(12)Engine Coolant Air Bleed Pipe Bolt
(13)Engine Coolant Air Bleed Pipe
(14)Engine Coolant Air Bleed Pipe Seal
(15)Engine Coolant Air Bleed Pipe
(16)Valley Cover Bolt
(17)Engine Oil Pressure Sensor
(18)Valley Cover
(19)PCV Hose - Dirty Air
(20)Valley Cover Seal
(21)Valley Cover Gasket
(22)Engine Block
Figure 2:

Cylinder Head/Upper Engine


Object Number: 2053947  Size: LF
(1)Oil Cap
(2)Oil Cap O-ring Seal
(3)Valve Rocker Arm Cover Gasket
(4)Valve Rocker Arm Cover
(5)Engine Cover Stud
(6)Positive Crankcase Ventilation (PCV) Tube - Fresh Air
(7)Bolt
(8)Ignition Coil
(9)Spark Plug Wire
(10)Bolt
(11)Bolt Grommet
(12)Valve Rocker Arm Cover
(13)Valve Rocker Arm Cover Gasket
(14)Valve Stem Key
(15)Valve Spring Cap
(16)Valve Spring
(17)Valve Stem Oil Seal
(18)Spark Plug
(19)Cylinder Head Bolt - M12
(20)Cylinder Head Bolt - M8
(21)Cylinder Head
(22)Cylinder Head Gasket
(23)Cylinder Head Locating Pin
(24)Cylinder Head Plug
(25)Coolant Temperature Sensor
(26)Exhaust Valve
(27)Intake Valve
(28)Exhaust Manifold Gasket
(29)Exhaust Manifold
(30)Stud
(31)Bolt
(32)Bolt
(33)Valve Rocker Arm
(34)Valve Rocker Arm Pivot Support
(35)Valve Pushrod
(36)Bolt
(37)Valve Lifter Guide
(38)Valve Lifter
(39)Engine Block
Figure 3:

Front of Engine


Object Number: 2053954  Size: LF
(1)Bolt
(2)Water Inlet Housing
(3)Water Inlet Seal
(4)Engine Coolant Thermostat
(5)Water Pump
(6)Water Pump Gasket
(7)Bolt
(8)Bolt
(9)Balancer Weight - Crankshaft Balancer
(10)Crankshaft Balancer
(11)Crankshaft Front Oil Seal
(12)CMP Sensor Wire Harness
(13)CMP Sensor Bolt
(14)CMP Sensor Seal
(15)Camshaft Position (CMP) Sensor
(16)Bolt
(17)Engine Front Cover
(18)Engine Front Cover Gasket
(19)Bolt
(20)Timing Chain Tensioner
(21)Timing Chain
(22)Crankshaft Balancer Washer
(23)Crankshaft Sprocket
(24)Bolt
(25)Camshaft Sprocket
(26)Bolt
(27)Camshaft Retainer
(28)Camshaft Sprocket Locating Pin
(29)Camshaft
(30)Camshaft Bearings
(31)Engine Block
(32)Oil Pressure Relief Valve Plug
(33)Oil Pressure Relief Valve Spring
(34)Oil Pressure Relief Valve
(35)Oil Pump Housing - Primary
(36)Bolt
(37)Oil Pump Gear - Driven
(38)Oil Pump Gear - Drive
(39)Oil Pump Housing - Secondary
(40)Oil Pump Gear - Driven
(41)Oil Pump Gear - Drive
(42)Oil Pump Cover
(43)Bolt
Figure 4:

Rear of Engine


Object Number: 2053958  Size: MF
(1)Engine Block
(2)Crankshaft Rear Oil Seal Housing Gasket
(3)Crankshaft Rear Oil Seal Housing
(4)Bolt
(5)Crankshaft Rear Oil Seal
(6)Flexplate - Automatic Transmission
(7)Transmission Pilot Bearing - Manual Transmission
(8)Balance Weight - Flywheel - Manual Transmission
(9)Flywheel - Manual Transmission
(10)Bolt
(11)Clutch Pressure Plate Locating Pin - Manual Transmission
(12)Clutch Drive Plate - Manual Transmission
(13)Clutch Pressure Plate - Manual Transmission
(14)Bolt
Figure 5:

Lower Engine Assembly


Object Number: 2053962  Size: LF
(1)Engine Block
(2)Bolt
(3)Connecting Rod Cap
(4)Connecting Rod Bearing
(5)Connecting Rod
(6)Piston Pin Retainer
(7)Piston Pin
(8)Piston
(9)Piston Ring Set
(10)Crankshaft Bearing
(11)Crankshaft Bearing - Thrust
(12)Crankshaft Sprocket Key
(13)Crankshaft
(14)Transmission Pilot Bearing
(15)Crankshaft Hole Plug
(16)Crankshaft Bearing Cap Locating Pin
(17)Crankshaft Bearing Cap
(18)Bolt - M8
(19)Stud - M10
(20)Bolt - M10
(21)Crankshaft Oil Deflector
(22)Crankshaft Oil Deflector Nut
(23)Oil Pan Gasket
(24)Oil Pump Screen
(25)Oil Pump Suction Pipe Gasket
(26)Bolt
(27)Engine Cover - Right
(28)Bolt - M8
(29)Oil Pan
(30)Oil Pan Drain Plug Seal - O-ring
(31)Oil Pan Drain Plug
(32)Oil Pan Hole Plug
(33)Oil Filter Fitting
(34)Oil Filter
(35)Bolt - M6
(36)Engine Oil Cooler Coolant Fitting
(37)Engine Oil Cooler Housing
(38)Engine Oil Cooler Gasket
(39)Engine Oil Cooler-to-Oil Pan Bolt - M6
(40)Engine Oil Cooler Core Seal
(41)Engine Oil Cooler-to-Oil Pan Bolt - M8
(42)Engine Oil Cooler Core
(43)Engine Oil Cooler Core-to-Housing Bolt
(44)Oil Pan Cover - Left
(45)Bolt
Figure 6:

Engine Block Plugs/Sensors


Object Number: 2085637  Size: LF
(1)Engine Block Oil Gallery Plug - Front
(2)Engine Block Oil Gallery Plug Seal
(3)Engine Block Oil Gallery Plug - Side
(4)Engine Block Coolant Heater Seal
(5)Engine Block Coolant Heater
(6)Knock Sensor
(7)Bolt
(8)Engine Block Oil Gallery Plug - Side
(9)Engine Block Oil Gallery Plug Seal
(10)Engine Block
(11)Transmission Locating Pin
(12)Engine Block Oil Gallery Plug Seal
(13)Engine Block Oil Gallery Plug - Rear
(14)Piston Oil Nozzle
(15)Crankshaft Position (CKP) Sensor Seal
(16)CKP Sensor
(17)CKP Sensor Bolt
(18)Engine Block Coolant Drain Hole Plug Seal
(19)Engine Block Coolant Drain Hole Plug - Side
Figure 7:

Supercharger Cover Assembly


Object Number: 2053964  Size: LF
(1)Supercharger Water Manifold
(2)Intake Manifold Sight Shield Stud
(3)Supercharger Water Manifold Gasket
(4)Intake Air Temperature Sensor
(5)Barometric Pressure Sensor Bolt
(6)Barometric Pressure Sensor
(7)Barometric Pressure Sensor Seal
(8)Charge Air Cooler Cover Bolt
(9)Supercharger Air Outlet Pressure Sensor Seal
(10)Supercharger Air Outlet Pressure Sensor
(11)Supercharger Air Outlet Pressure Sensor Bolt
(12)Charge Air Cooler Cover
(13)Charge Air Cooler Insulators
(14)Charge Air Cooler
(15)Charge Air Cooler Cover Seal
(16)Charge Air Cooler Bolts
(17)Charge Air Cooler Coolant Pipe Seal
(17)Charge Air Cooler Coolant Pipe Seal
(18)Charge Air Cooler Coolant Pipe
(19)Supercharger Water Manifold Bolt
(20)Engine Coolant Air Bleed Valve
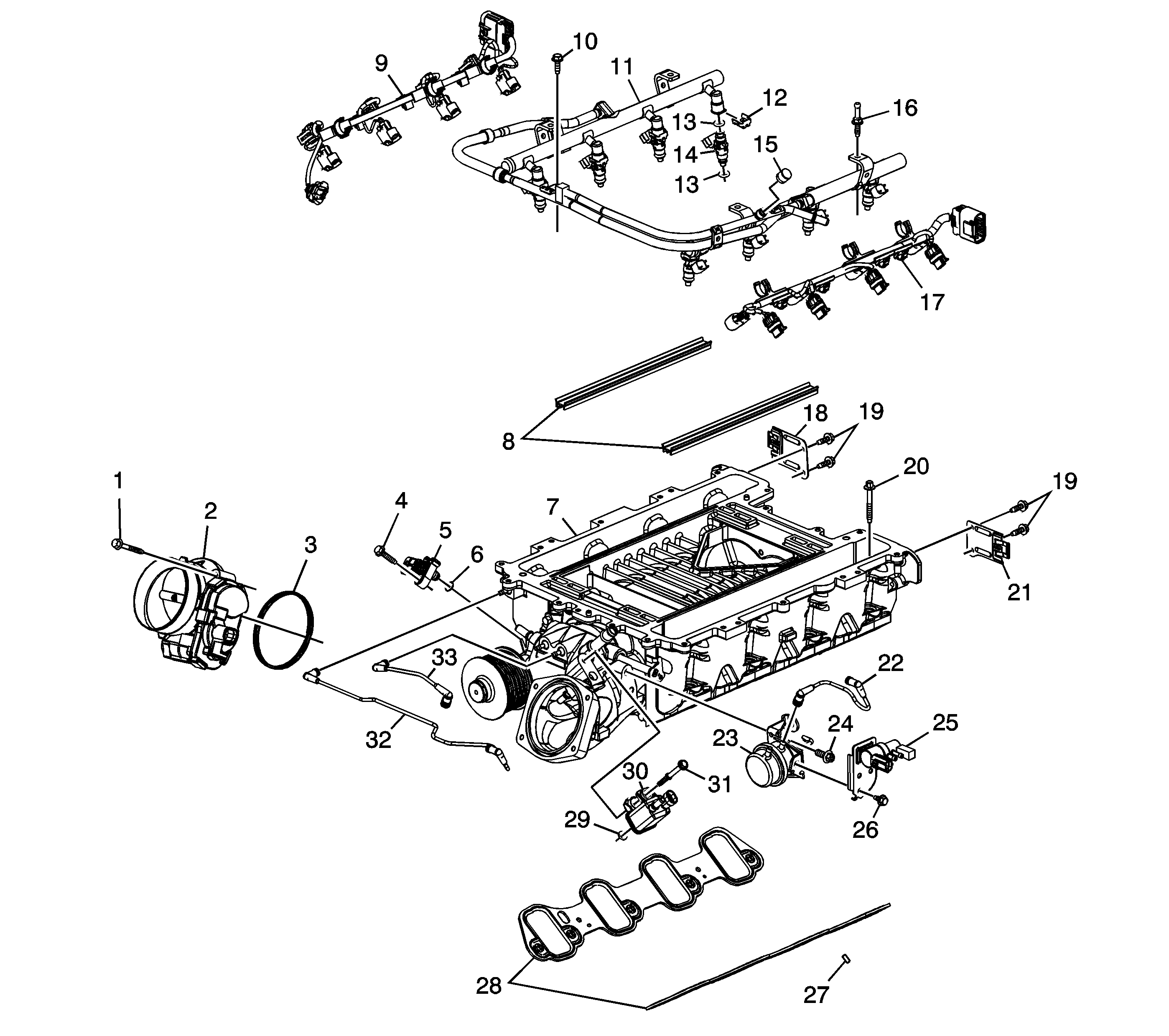
Figure 8:

Supercharger Assembly


Object Number: 2053973  Size: LF
(1)Throttle Body Bolt
(2)Throttle Body
(3)Throttle Body Seal
(4)Supercharger Inlet Air Pressure Sensor Bolt
(5)Supercharger Inlet Air Pressure Sensor
(6)Supercharger Inlet Air Pressure Sensor Seal
(7)Supercharger
(8)Charge Air Cooler Insulator
(9)Fuel Injector Wiring Harness
(10)Fuel Injection Fuel Rail Bolt
(11)Multiport Fuel Injection Fuel Rail
(12)Fuel Injector Retainer
(13)Fuel Injector Seal
(14)Fuel Injector
(15)Fuel Rail Service Port Cap
(16)Fuel Injection Fuel Rail Stud
(17)Fuel Injector Wiring Harness
(18)Fuel Injector Wiring Harness Connector Bracket
(19)Fuel Injector Wiring Harness Connector Bracket Bolt
(20)Intake Manifold Bolt
(21)Fuel Injector Wiring Harness Connector Bracket
(22)Bypass Valve Actuator Tube
(23)Supercharger Bypass Actuator
(24)Supercharger Bypass Actuator Bolt
(25)Charge Air Bypass Valve w/Bracket
(26)Charge Air Bypass Valve Bolt
(27)Intake Manifold Gasket Rivet
(28)Intake Manifold Gasket
(29)Evaporative Emission Canister Purge Valve Seal
(30)Evaporative Emission Canister Purge Valve
(31)Evaporative Emission Canister Purge Valve Bolt
(32)Charge Air Bypass Valve Tube
(33)Charge Air Bypass Valve Vacuum Tube
Figure 9:

Oil Pump Assembly


Object Number: 1552425  Size: MF
(408)Bolt
(409)Oil Pump Cover
(410)Oil Pump Gear - Drive
(410)Oil Pump Gear - Drive
(412)Oil Pump Gear - Driven
(412)Oil Pump Gear - Driven
(413)Oil Pump Housing - Primary
(414)Oil Pressure Relief Valve
(415)Oil Pressure Relief Valve Spring
(416)Oil Pressure Relief Valve Plug
(456)Oil Pump Housing - Secondary
Figure 10:

Engine Oil Tank Assembly


Object Number: 2053975  Size: LF
(1)Oil Level Indicator
(2)Bolt/Stud
(3)Oil Fill Cap
(4)Bolt
(5)Engine Oil Tank - Top
(6)O-ring
(7)O-ring
(8)Tube
(9)Clamp
(10)Engine Oil Tank - Small
(11)Engine Oil Temperature Sensor
(12)Oil Transfer Tube Fitting
(13)Oil Transfer Tube
(14)Oil Transfer Tube Fitting
(15)Bracket
(16)Bolt
(17)Bolt
(18)Bracket
(19)Screen
(20)Engine Oil Tank - Large

Disassembled Views 7.0LLS7

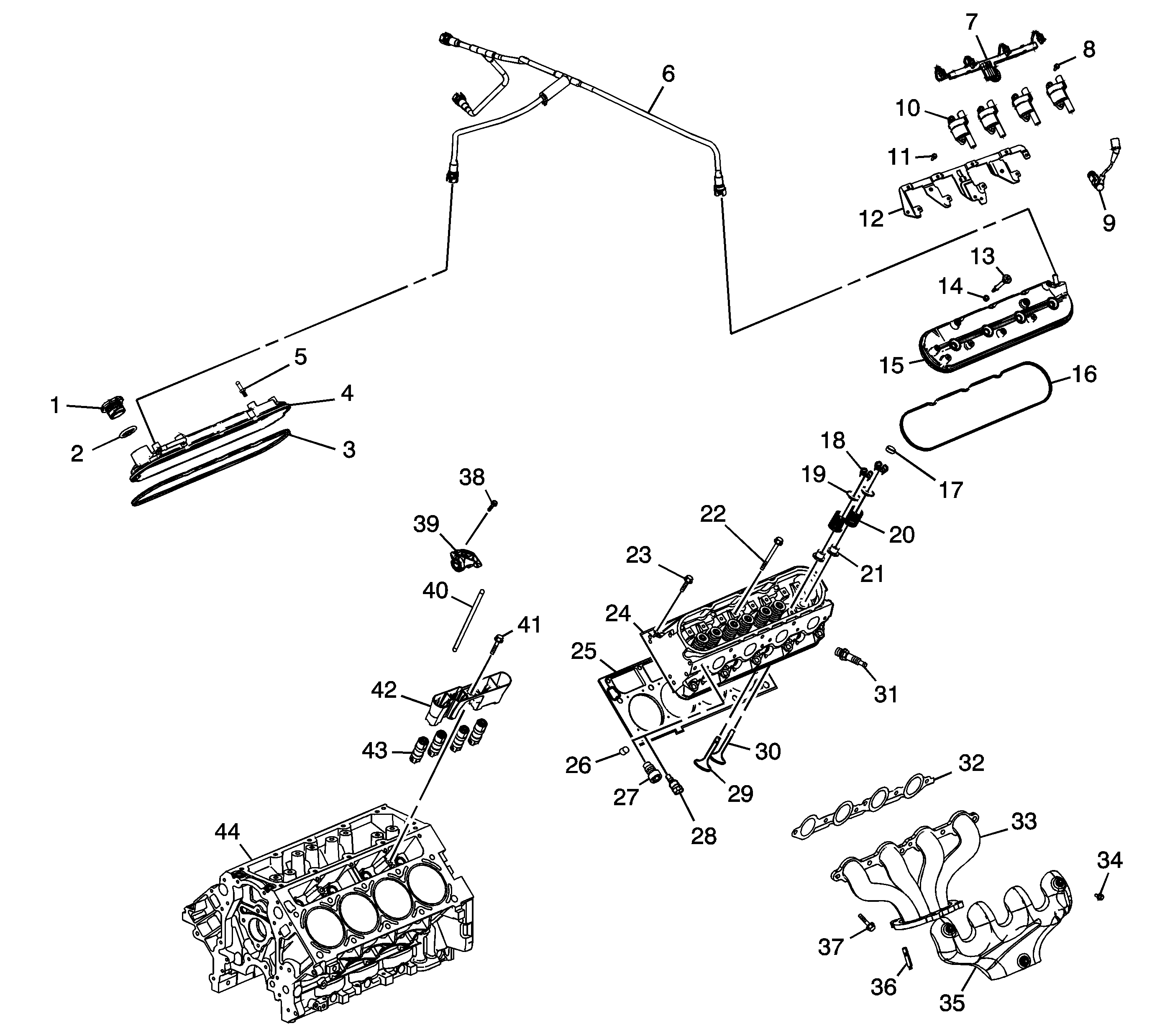
Figure 1:

Intake Manifold/Upper Engine


Object Number: 2071666  Size: LF
(1)Positive Crankcase Ventilation (PCV) Tube - Fresh Air
(2)Evaporative (EVAP) Emission Canister Purge Tube
(3)EVAP Canister Purge Solenoid Valve
(4)EVAP Service Valve
(5)EVAP Service Valve Cap
(6)EVAP Canister Purge Tube Clip
(7)EVAP Canister Purge Tube
(8)EVAP Canister Purge Solenoid Valve Bracket
(9)Bolt
(10)Fuel Injection Fuel Rail Stop
(11)Bolt
(12)Intake Manifold
(13)Intake Manifold Seal
(14)Intake Manifold Gasket
(15)Engine Coolant Air Bleed Plug
(16)Engine Oil Pressure Sensor
(17)Engine Oil Pressure Sensor Seal
(18)Bolt
(19)Engine Block Valley Cover High Pressure Port Seal
(20)Engine Block
(21)Engine Block Valley Cover Gasket
(22)Engine Block Valley Cover
(23)PCV Hose - Dirty Air
(24)Engine Coolant Air Bleed Pipe Seal
(25)Engine Coolant Air Bleed Pipe
(26)Bolt
(27)Throttle Body Seal
(28)Bolt
(29)Throttle Body
(30)Manifold Absolute Pressure (MAP) Sensor Seal
(31) MAP Sensor
(32)Fuel Injection Fuel Rail Bracket
(33)Fuel Rail Assembly - Multi-Port
(34)Bolt
Figure 2:

Cylinder Head/Upper Engine


Object Number: 2103421  Size: LF
(1)Oil Cap
(2)Oil Cap O-ring Seal
(3)Valve Rocker Arm Cover Gasket
(4)Valve Rocker Arm Cover
(5)Engine Cover Stud
(6)Positive Crankcase Ventilation (PCV) Tube Fresh Air
(7)Ignition Coil Wire Harness Assembly
(8)Bolt
(9)Spark Plug Wire
(10)Ignition Coil
(11)Stud
(12)Ignition Coil Bracket
(13)Bolt
(14)Bolt Grommet
(15)Valve Rocker Arm Cover
(16)Valve Rocker Arm Cover Gasket
(17)Valve Rocker Arm Wear Pad - Intake Valve
(18)Valve Stem Key
(19)Valve Spring Cap
(20)Valve Spring
(21)Valve Stem Oil Seal
(22)Cylinder Head Bolt - M11
(23)Cylinder Head Bolt - M8
(24)Cylinder Head
(25)Cylinder Head Gasket
(26)Cylinder Head Locating Pin
(27)Cylinder Head Plug
(28)Coolant Temperature Sensor
(29)Exhaust Valve
(30)Intake Valve
(31)Spark Plug
(32)Exhaust Manifold Gasket
(33)Exhaust Manifold
(34)Bolt
(35)Exhaust Manifold Heat Shield
(36)Stud
(37)Bolt
(38)Bolt
(39)Valve Rocker Arm
(40)Valve Pushrod
(41)Bolt
(42)Valve Lifter Guide
(43)Valve Lifter
(44)Engine Block
Figure 3:

Front of Engine


Object Number: 1552419  Size: LF
(100)Engine Block
(138)Crankshaft Balancer
(139)Bolt
(140)Crankshaft Front Oil Seal
(143)Balancer Weight - Crankshaft Balancer
(200)Camshaft
(201)Camshaft Bearings
(202)Camshaft Sprocket Locating Pin
(203)Camshaft Retainer
(204)Bolt
(205)Camshaft Sprocket
(206)Bolt
(207)Crankshaft Sprocket
(208)Timing Chain
(231)Bolt
(232)Timing Chain Dampener
(233)Crankshaft Balancer Washer
(300)Water Pump
(301)Bolt
(302)Bolt
(303)Water Inlet Housing
(304)Water Inlet Seal
(305)Engine Coolant Thermostat
(306)Water Pump Gasket
(408)Bolt
(409)Oil Pump Cover
(410)Oil Pump Gear - Drive
(410)Oil Pump Gear - Drive
(411)Bolt
(412)Oil Pump Gear - Driven
(412)Oil Pump Gear - Driven
(413)Oil Pump Housing - Primary
(414)Oil Pressure Relief Valve
(415)Oil Pressure Relief Valve Spring
(416)Oil Pressure Relief Valve Plug
(456)Oil Pump Housing - Secondary
(501)Bolt
(502)Engine Front Cover
(503)Engine Front Cover Gasket
(703)Camshaft Position (CMP) Sensor
(704)CMP Sensor Seal
(705)CMP Sensor Bolt
(737)CMP Sensor Wire Harness
Figure 4:

Rear of Engine


Object Number: 1552421  Size: MF
(100)Engine Block
(123)Transmission Pilot Bearing
(132)Washer
(133)Bolt
(134)Flywheel - Manual Transmission
(135)Clutch Drive Plate - Manual Transmission
(136)Clutch Pressure Plate - Manual Transmission
(137)Bolt
(141)Crankshaft Rear Oil Seal
(142)Clutch Pressure Plate Locating Pin - Manual Transmission
(144) Balance Weight - Flywheel
(517)Bolt
(518)Crankshaft Rear Oil Seal Housing
(519)Crankshaft Rear Oil Seal Housing Gasket
Figure 5:

Lower Engine Assembly


Object Number: 1552424  Size: LF
(100)Engine Block
(102)Bolt
(103)Connecting Rod Cap
(104)Connecting Rod Bearing
(105)Connecting Rod
(106)Piston Pin
(107)Piston
(108)Piston Ring Set
(109)Piston Pin Retainer
(120)Crankshaft Bearing - Thrust
(120)Crankshaft Bearing - Thrust
(121)Crankshaft Bearing
(121)Crankshaft Bearing
(122)Crankshaft Sprocket Key
(123)Transmission Pilot Bearing
(124)Crankshaft
(126)Crankshaft Bearing Cap
(127)Bolt - M8
(128)Stud - M10
(129)Bolt - M10
(149)Crankshaft Hole Plug
(150)Crankshaft Bearing Cap Locating Pin
(151)Connecting Rod Cap Locating Pin
(400)Oil Pan
(401)Engine Cover - Right
(402)Bolt
(403)Crankshaft Oil Deflector Nut
(405)Bolt
(406)Oil Pump Suction Pipe Gasket
(407)Oil Pump Screen
(425)Crankshaft Oil Deflector
(426)Oil Pan Gasket
(429)Oil Pan Drain Plug Seal - O-Ring
(429)Oil Pan Drain Plug Seal - O-Ring
(430)Oil Pan Drain Plug
(430)Oil Pan Drain Plug
(431)Oil Pan Cover - Left
(432)Bolt
(437)Oil Filter
(438)Oil Filter Fitting
(439)Bolt - M8
(453)Bolt - M6
(457)Oil Pan Hole Plug
Figure 6:

Engine Block Plugs/Sensors


Object Number: 1401949  Size: LF
(100)Engine Block
(100)Engine Block
(101)Engine Block Oil Gallery Plug - Front
(110)Engine Block Oil Gallery Plug Seal
(111)Engine Block Oil Gallery Plug - Rear
(112)Engine Block Oil Gallery Plug - Side
(113)Engine Block Oil Gallery Plug Seal
(114)Engine Block Coolant Heater
(115)Engine Block Coolant Heater Seal
(116)Engine Block Oil Gallery Plug - Side
(117)Engine Block Oil Gallery Plug Seal
(130)Transmission Locating Pin
(145)Engine Block Coolant Drain Hole Plug Seal
(146)Engine Block Coolant Drain Hole Plug - Side
(701)Crankshaft Position (CKP) Sensor
(702)CKP Sensor Seal
(718)Knock Sensor
(718)Knock Sensor
(739)Bolt
(739)Bolt
(750)CKP Sensor Bolt
Figure 7:

Oil Pump Assembly


Object Number: 1552425  Size: MF
(408)Bolt
(409)Oil Pump Cover
(410)Oil Pump Gear - Drive
(410)Oil Pump Gear - Drive
(412)Oil Pump Gear - Driven
(412)Oil Pump Gear - Driven
(413)Oil Pump Housing - Primary
(414)Oil Pressure Relief Valve
(415)Oil Pressure Relief Valve Spring
(416)Oil Pressure Relief Valve Plug
(456)Oil Pump Housing - Secondary
Figure 8:

Engine Oil Tank Assembly


Object Number: 2053975  Size: LF
(1)Oil Level Indicator
(2)Bolt/Stud
(3)Oil Fill Cap
(4)Bolt
(5)Engine Oil Tank - Top
(6)O-ring
(7)O-ring
(8)Tube
(9)Clamp
(10)Engine Oil Tank - Small
(11)Engine Oil Temperature Sensor
(12)Oil Transfer Tube Fitting
(13)Oil Transfer Tube
(14)Oil Transfer Tube Fitting
(15)Bracket
(16)Bolt
(17)Bolt
(18)Bracket
(19)Screen
(20)Engine Oil Tank - Large