GM Service Manual Online
For 1990-2009 cars only

Fuel Rail and Injectors Removal 6.2L LS3

    Warning: Refer to Fuel Rail Stop Bracket Installation Warning in the Preface section.


    Object Number: 1876000  Size: SH

    Note: 

       • The intake manifold, throttle body, fuel injection rail and fuel injectors may be removed as an assembly. If not servicing the individual components, remove the intake manifold as a complete assembly.
       • Do not separate the fuel injectors from the fuel rail unless component service is required.
       • Use cleanliness and care when handling the fuel system components. Do not allow dirt or debris to enter the fuel injectors or fuel rail components. Cap ends as necessary.

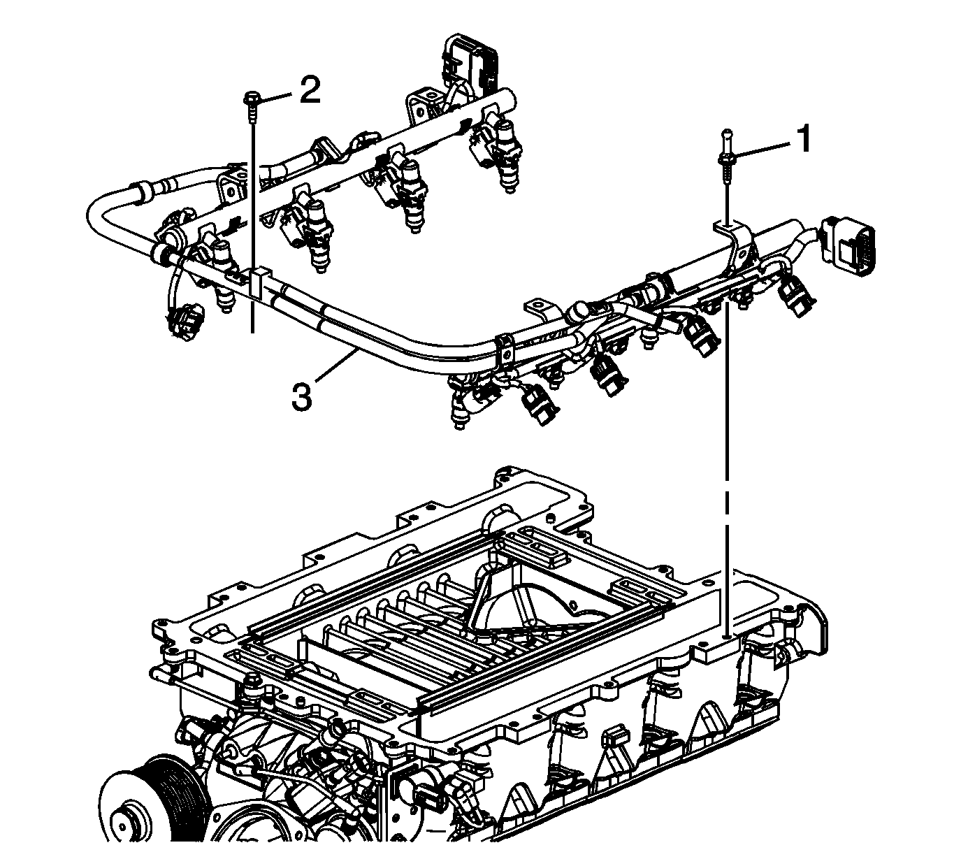
  1. Note the location of the fuel rail ground strap (557).

  2. Object Number: 1876001  Size: SH
  3. Remove the bolts (511 and 512), ground strap (557), and fuel rail with injectors (510). Lift evenly on both sides of the fuel rail until all injectors have left their bores.

  4. Object Number: 1552482  Size: SH
  5. Remove the fuel injectors (533) and retainers (521).
  6. Remove the O-rings (532 and 534), as required.
  7. Remove the cap (523) and service valve (524), as required.

Fuel Rail and Injectors Removal 6.2L LS9


    Object Number: 2054129  Size: SH
  1. Remove the supercharger cover bolts (1) and the supercharger cover (2).
  2. Remove the supercharger cover seal (3).

  3. Object Number: 2085640  Size: SH

    Note: 

       • The supercharger, throttle body, fuel injection rail and fuel injectors may be removed as an assembly. If not servicing the individual components, remove the supercharger as an assembly.
       • Do not separate the fuel injectors from the fuel rail, unless component service is required.
       • Use cleanliness and care when handling the fuel system components. Do not allow dirt or debris to enter the fuel injectors or fuel rail components. Cap ends as necessary.
       • Cover the inlet area of the supercharger to prevent dirt or debris contamination onto the rotors.

  4. Cover the inlet area of the supercharger (1) to prevent dirt or debris contamination onto the rotors.

  5. Object Number: 2054130  Size: SH
  6. Remove the studs (1), bolt (2) and fuel rail (3). Remove the right side of the fuel rail with flex-hose first, then remove the left side of the fuel rail until all injectors have left their bores.

  7. Object Number: 2054131  Size: SH
  8. Remove the wiring harnesses (2) and (3) from the fuel rail (1).

  9. Object Number: 2054132  Size: SH
  10. Remove the retainers (1) and fuel injectors (3).
  11. Remove the O-rings (2), as required.
  12. Remove the service port cap (4), as required.

Fuel Rail and Injectors Removal 7.0L

    Warning: Refer to Fuel Rail Stop Bracket Installation Warning in the Preface section.


    Object Number: 1552479  Size: SH

    Note: 

       • The intake manifold, throttle body, fuel injection rail and fuel injectors may be removed as an assembly. If not servicing the individual components, remove the intake manifold as a complete assembly.
       • Do not separate the fuel injectors from the fuel rail, unless component service is required.
       • Use cleanliness and care when handling the fuel system components. Do not allow dirt or debris to enter the fuel injectors or fuel rail components. Cap ends as necessary.

  1. Note the location of the fuel rail ground strap (557).

  2. Object Number: 1552480  Size: SH
  3. Remove the bolts (511), ground strap (557), and fuel rail with injectors (510). Lift evenly on both sides of the fuel rail until all injectors have left their bores.

  4. Object Number: 1552482  Size: SH
  5. Remove the retainers (521) and fuel injectors (533).
  6. Remove the O-rings (532, 534), as required.
  7. Remove the cap (523) and service valve (524), as required.