GM Service Manual Online
For 1990-2009 cars only
Makes
🢒
Chevrolet
🢒
2009
🢒
Corvette
🢒
Engine
🢒
Engine Mechanical - 4.8L, 5.3L, 6.0L, 6.2L, or 7.0L
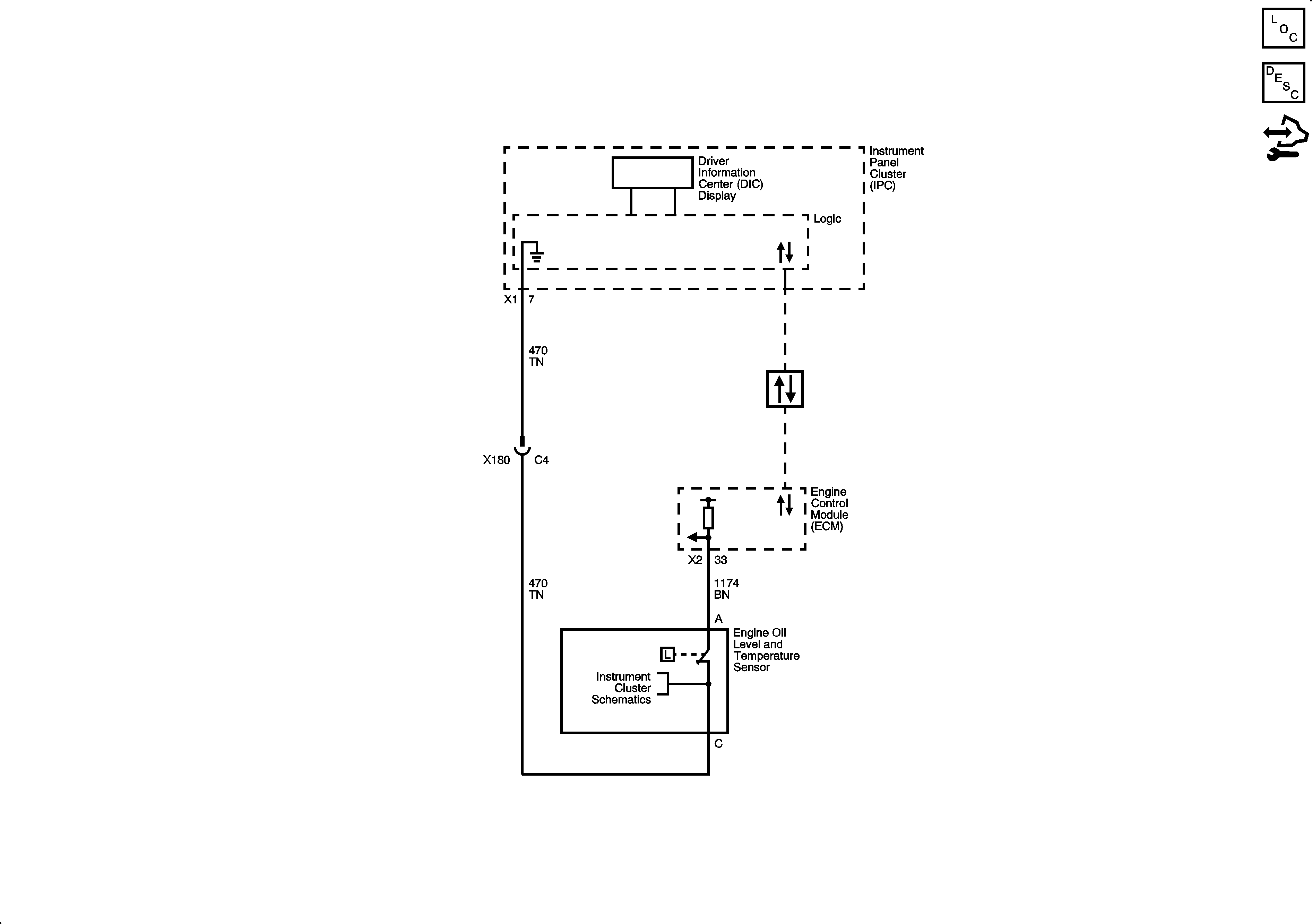
🢒 Engine Mechanical Schematics
LS3
Master Electrical Component List
Control Module References