GM Service Manual Online
For 1990-2009 cars only

    Object Number: 2054304  Size: SH
  1. Remove the water manifold bolts (1).
  2. Remove the water manifold (2).
  3. Remove the water manifold gaskets (3).

  4. Object Number: 2054307  Size: SH
  5. Remove the coolant pipes (2) and seals (1).
  6. Remove the seals (1) from the pipes (2) as required.

  7. Object Number: 2173850  Size: SH
  8. Remove the charge air coolers (2), bolts (1) and insulators (3), as required.

  9. Object Number: 2054310  Size: SH
  10. Remove the air outlet pressure sensor bolt (1).
  11. Remove the sensor (2).
  12. Remove the sensor seal (3), as required.

  13. Object Number: 2054312  Size: SH
  14. Remove the inlet air temperature sensor (1).

  15. Object Number: 2054318  Size: SH
  16. Remove the barometric pressure (BARO) sensor bolt (1).
  17. Remove the BARO sensor (2).
  18. Remove the BARO sensor seal (3), as required.

  19. Object Number: 2054331  Size: SH
  20. Remove the insulator seals (1).

  21. Object Number: 2054334  Size: SH
  22. Remove the charge air bypass valve tube (1).
  23. Remove the charge air bypass valve vacuum tube (2).

  24. Object Number: 2054336  Size: SH
  25. Remove the inlet air pressure sensor bolt (1).
  26. Remove the inlet air pressure sensor (2).
  27. Remove the inlet air pressure sensor seal (3), as required.

  28. Object Number: 2054338  Size: SH
  29. Loosen the evaporative emissions (EVAP) bolt.
  30. Remove the EVAP valve (1).
  31. Remove the EVAP valve seal (2), as required.

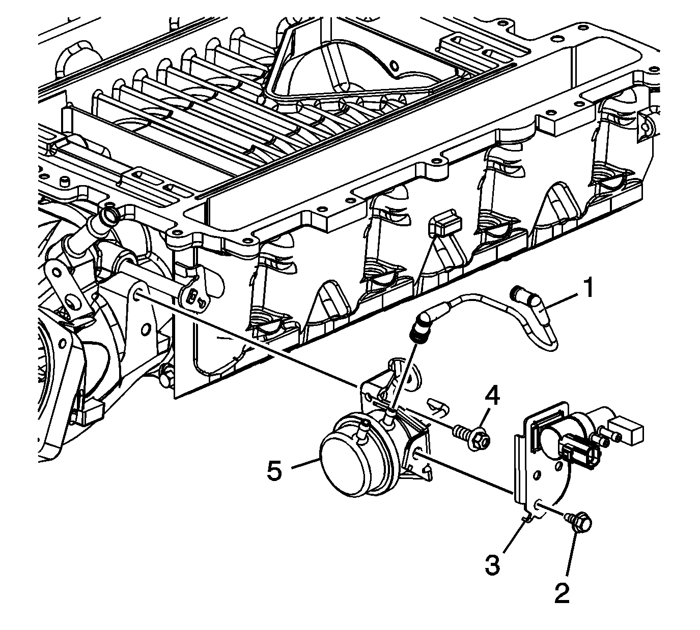
  32. Object Number: 2054341  Size: SH
  33. Remove the bypass actuator tube (1).
  34. Remove the charge air bypass valve bolt (2).
  35. Remove the charge air bypass valve (3).
  36. Remove the bypass actuator bolts (4).
  37. Rotate the actuator downward and remove the rod from the lever of the supercharger.
  38. Remove the bypass actuator (5).

  39. Object Number: 2054342  Size: SH

    Note: 

       • Do not allow dirt or debris to enter the passages of the supercharger. Cover the intake ports as required.
       • With the manifold positioned upside down on a bench, the lower assembly may be positioned onto the intercooler cover dowel pins. Use care not to reposition or bend the dowel pins.

  40. Drill out the gasket rivets (1) using a drill bit with an outside diameter (OD) no larger than 3.2 mm (0.125 in).
  41. Remove the gaskets (2).