GM Service Manual Online
For 1990-2009 cars only
Makes
🢒
Chevrolet
🢒
2009
🢒
Corvette
🢒
Body Systems
🢒
Lighting
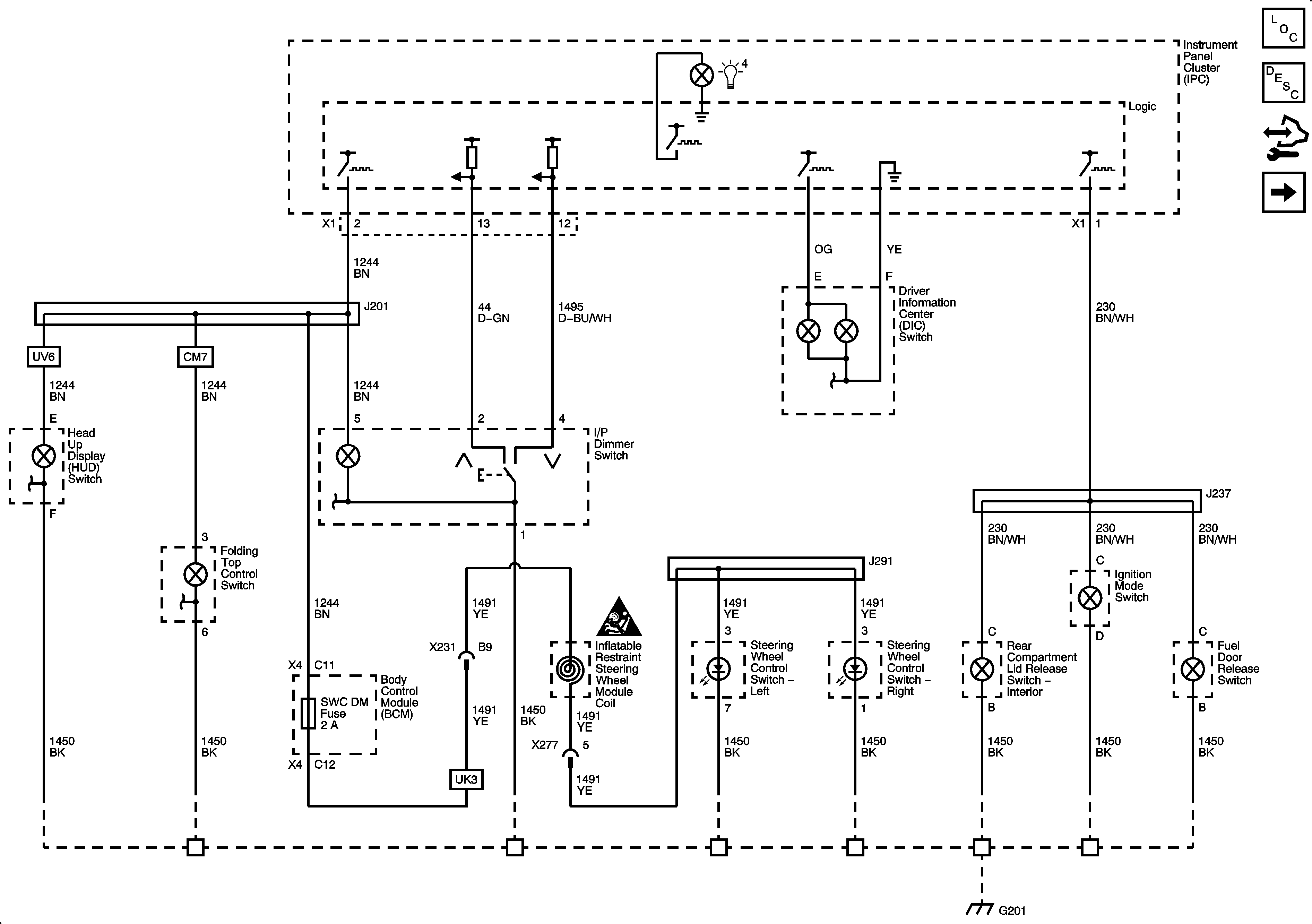
🢒 Interior Lights Dimming Schematics
Figure
1:
Dimmer Controls, IPC, Switches, and Serial Data (1 of 2)
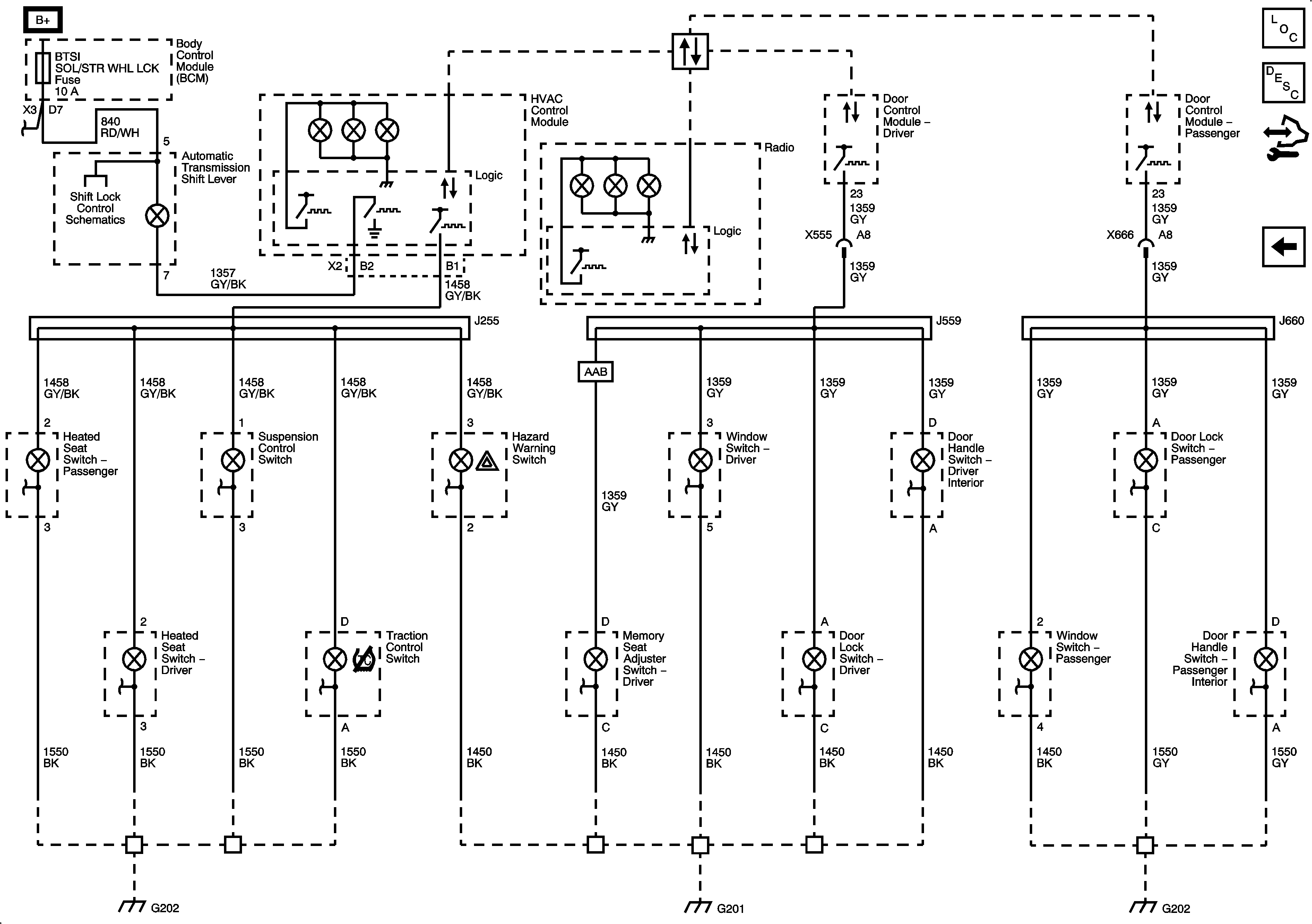
Figure
2:
Serial Data (2 of 2), HVAC Control Module, Radio, and Switches