GM Service Manual Online
For 1990-2009 cars only
Makes
🢒
Chevrolet
🢒
2009
🢒
Corvette
🢒
Body Systems
🢒
Lighting
🢒 Fog Lights Schematics
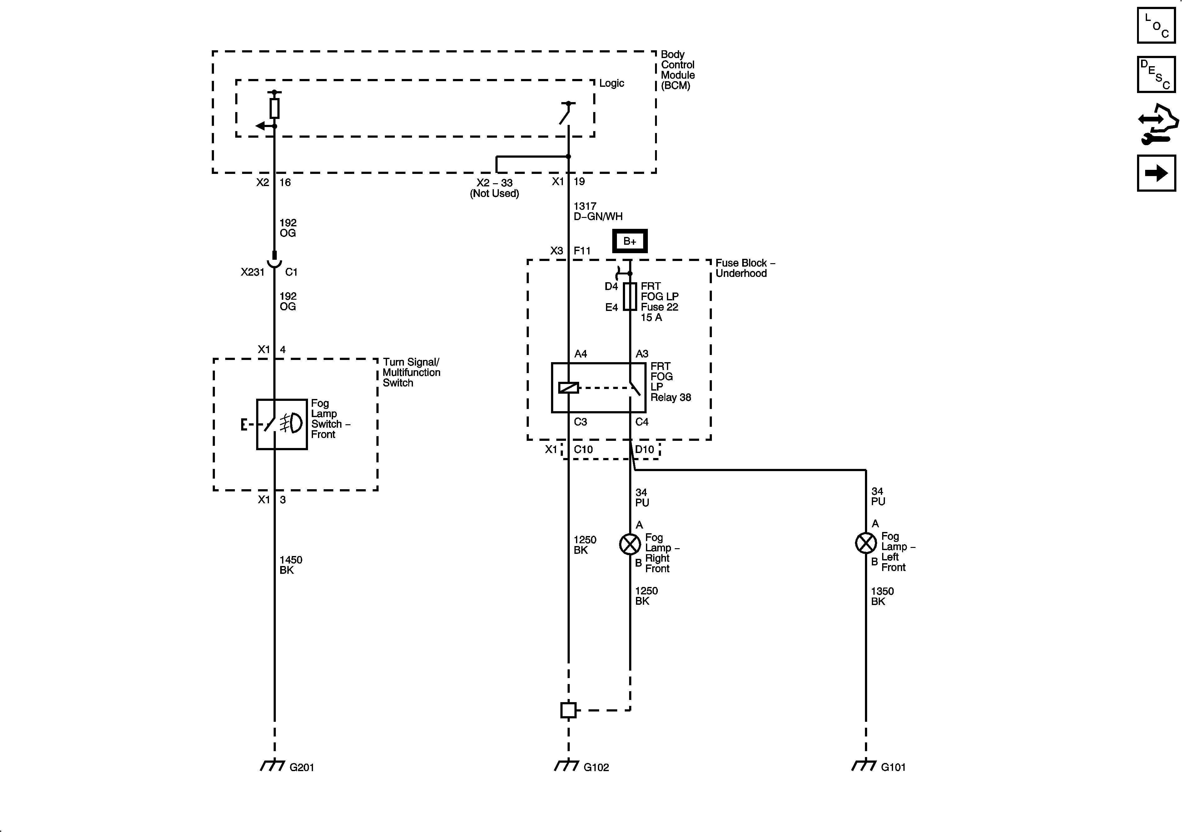
Figure
1:
Front
Figure
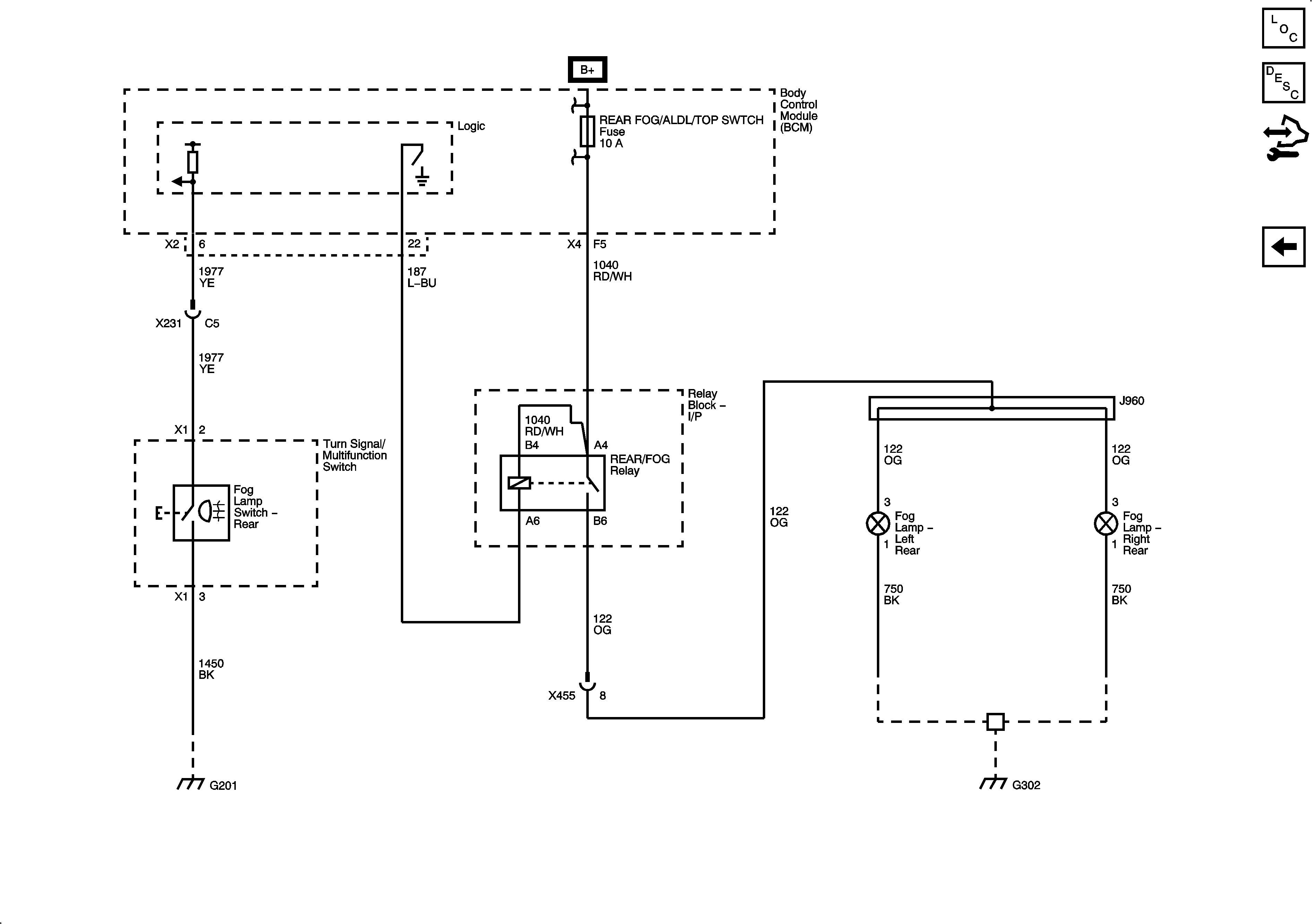
2:
Rear (T79)