GM Service Manual Online
For 1990-2009 cars only
Makes
🢒
Chevrolet
🢒
2009
🢒
Corvette
🢒
Body Systems
🢒
Vehicle Access
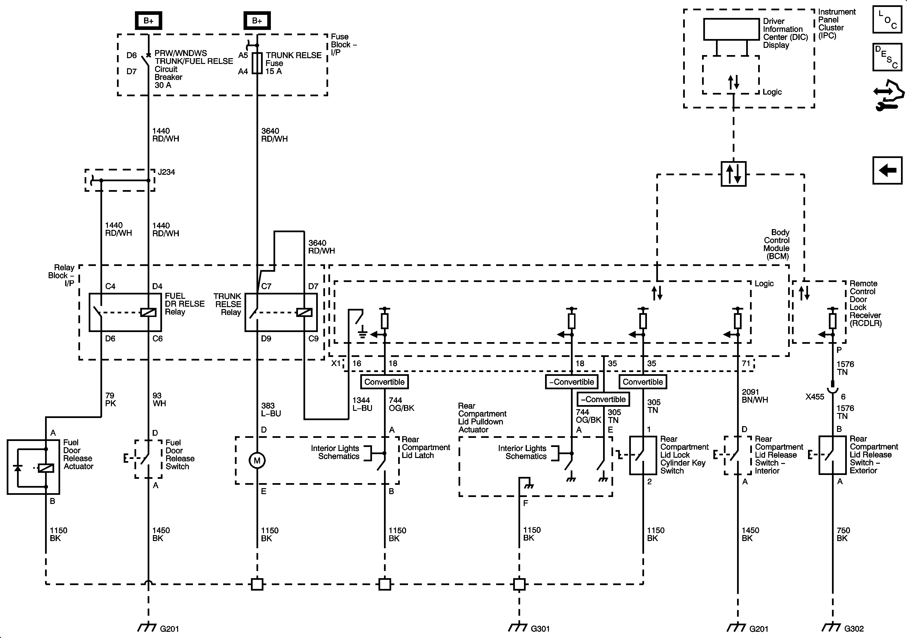
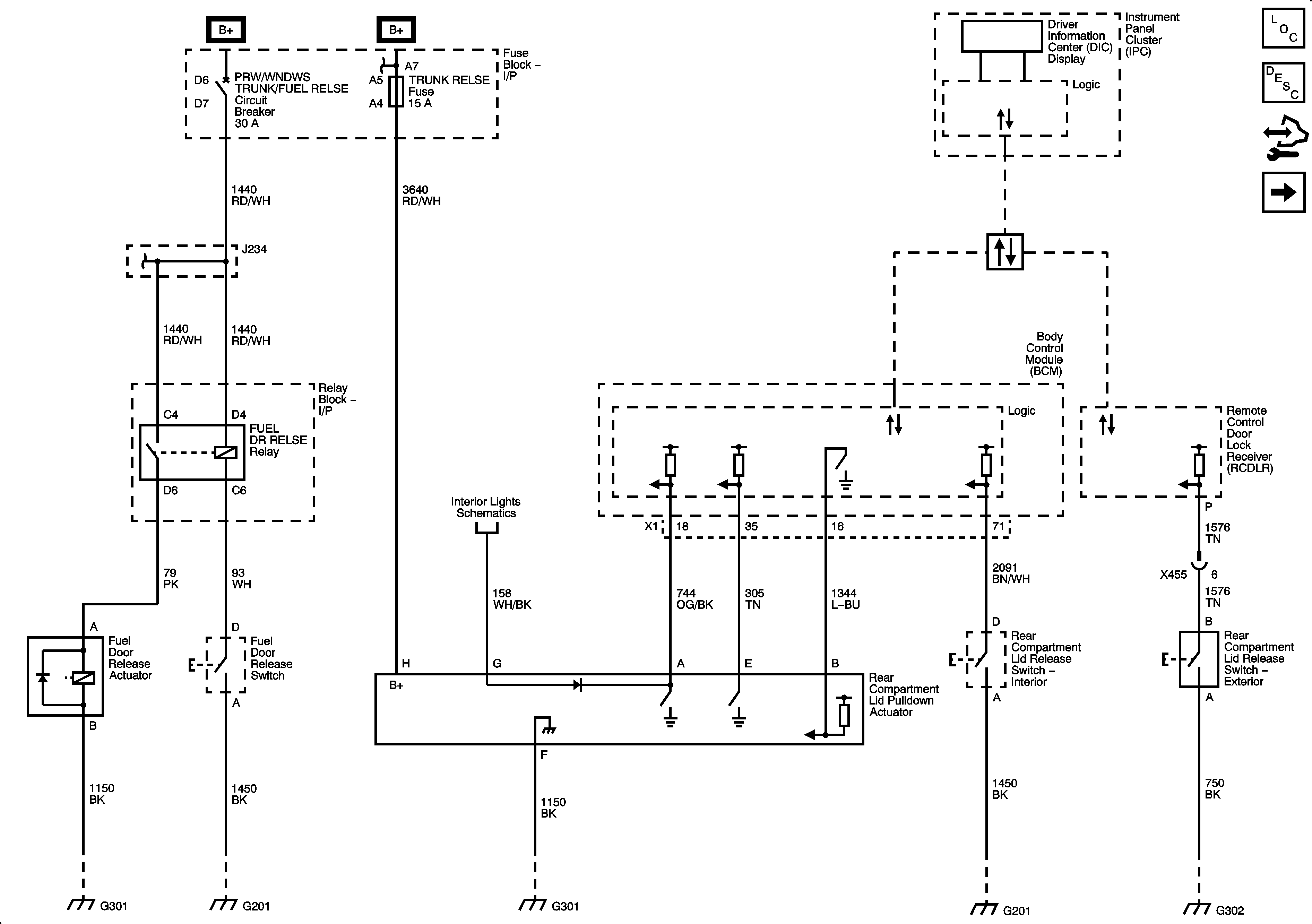
🢒 Release Systems Schematics
Figure
1:
Coupe
Figure
2:
Convertible/Z06