GM Service Manual Online
For 1990-2009 cars only
Makes
🢒
Chevrolet
🢒
2009
🢒
Corvette
🢒
Body Systems
🢒
Wipers and Washers
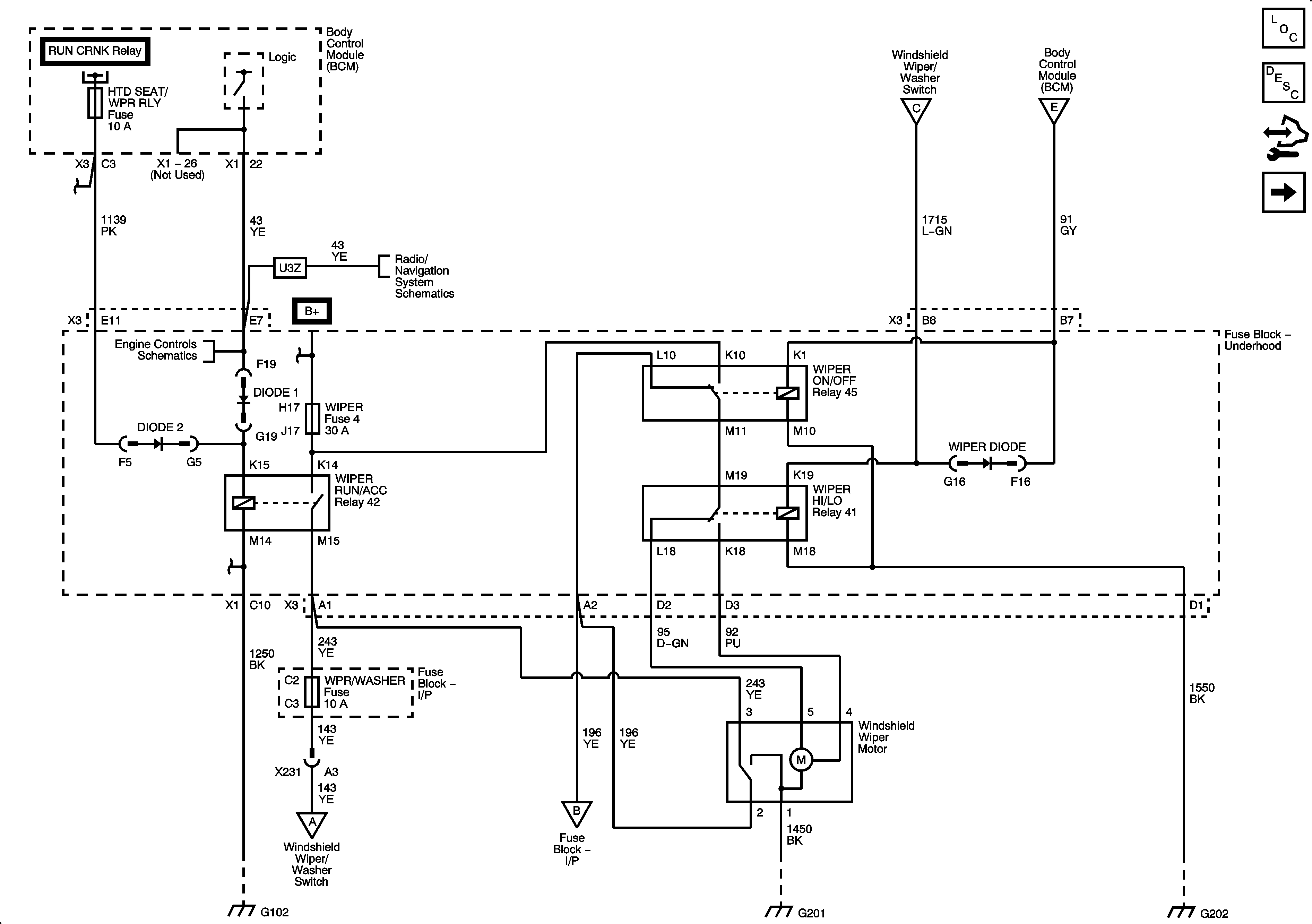
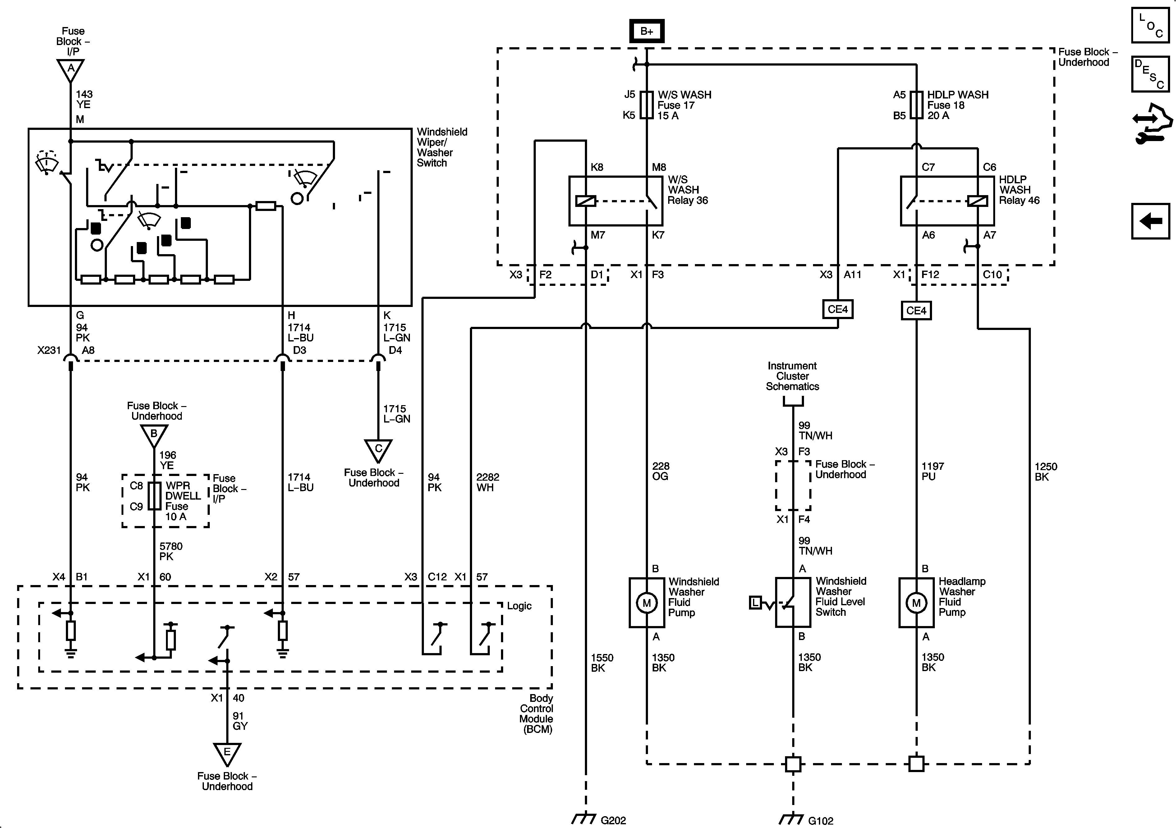
🢒 Wiper/Washer Schematics
Figure
1:
Power, Ground, and Wiper Motor
Figure
2:
Pumps and Switches