GM Service Manual Online
For 1990-2009 cars only
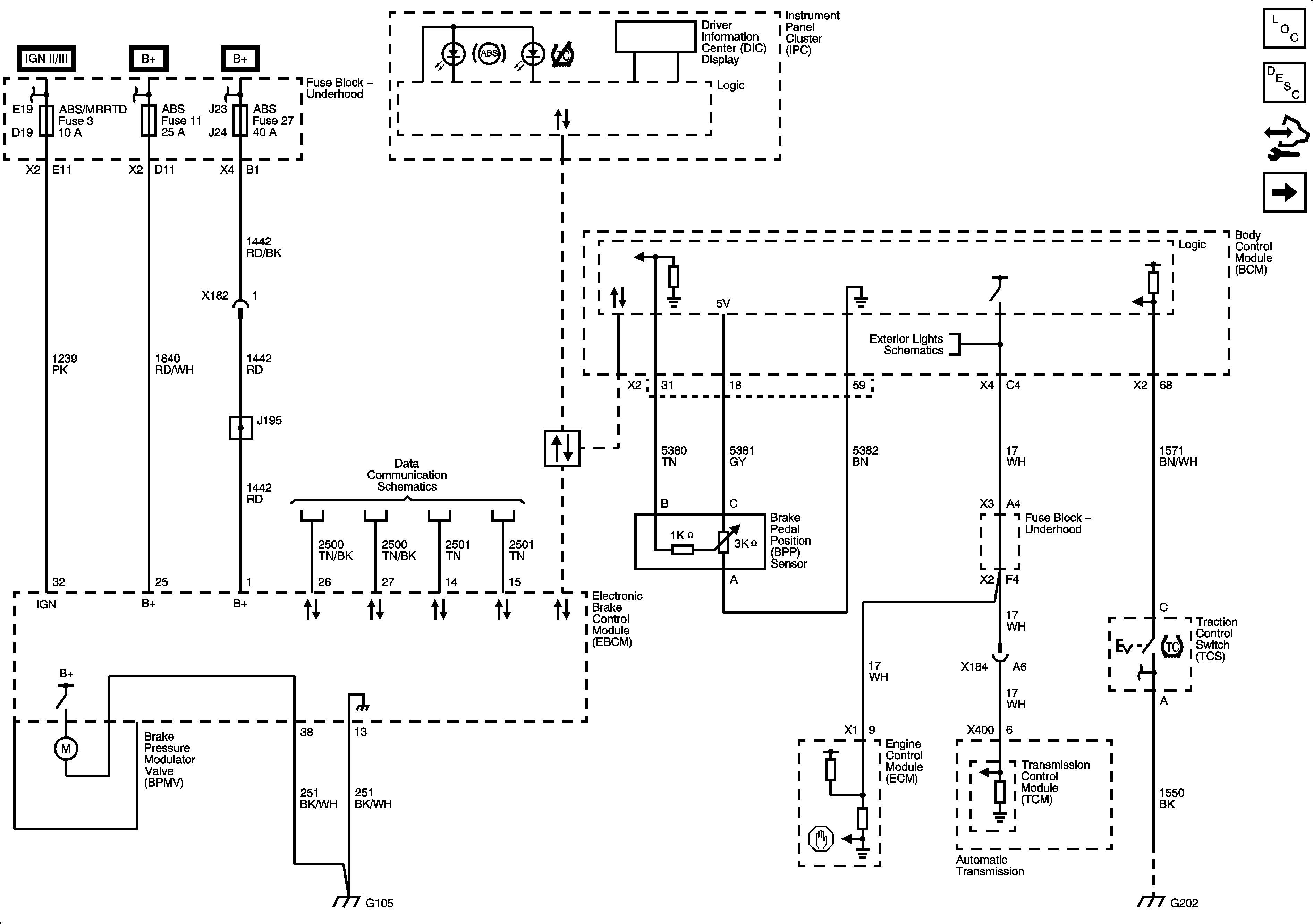
Figure 1:

Power, Ground, Indicators, Brake Pressure Modulator Valve, Brake Pedal Position (BPP) Sensor, and Traction Control Switch


Object Number: 2053747  Size: FS
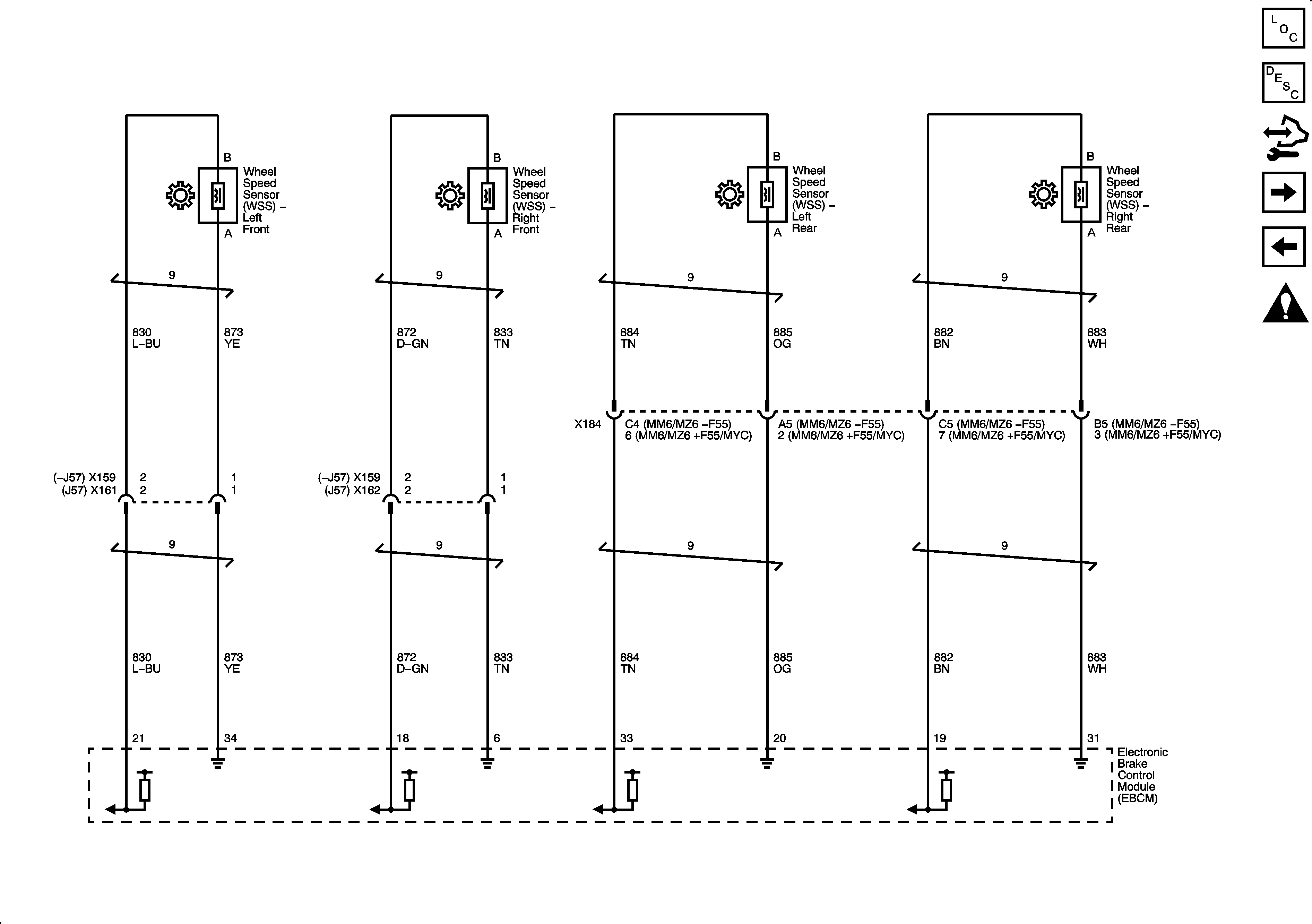
Figure 2:

Wheel Speed Sensors


Object Number: 2053759  Size: FS
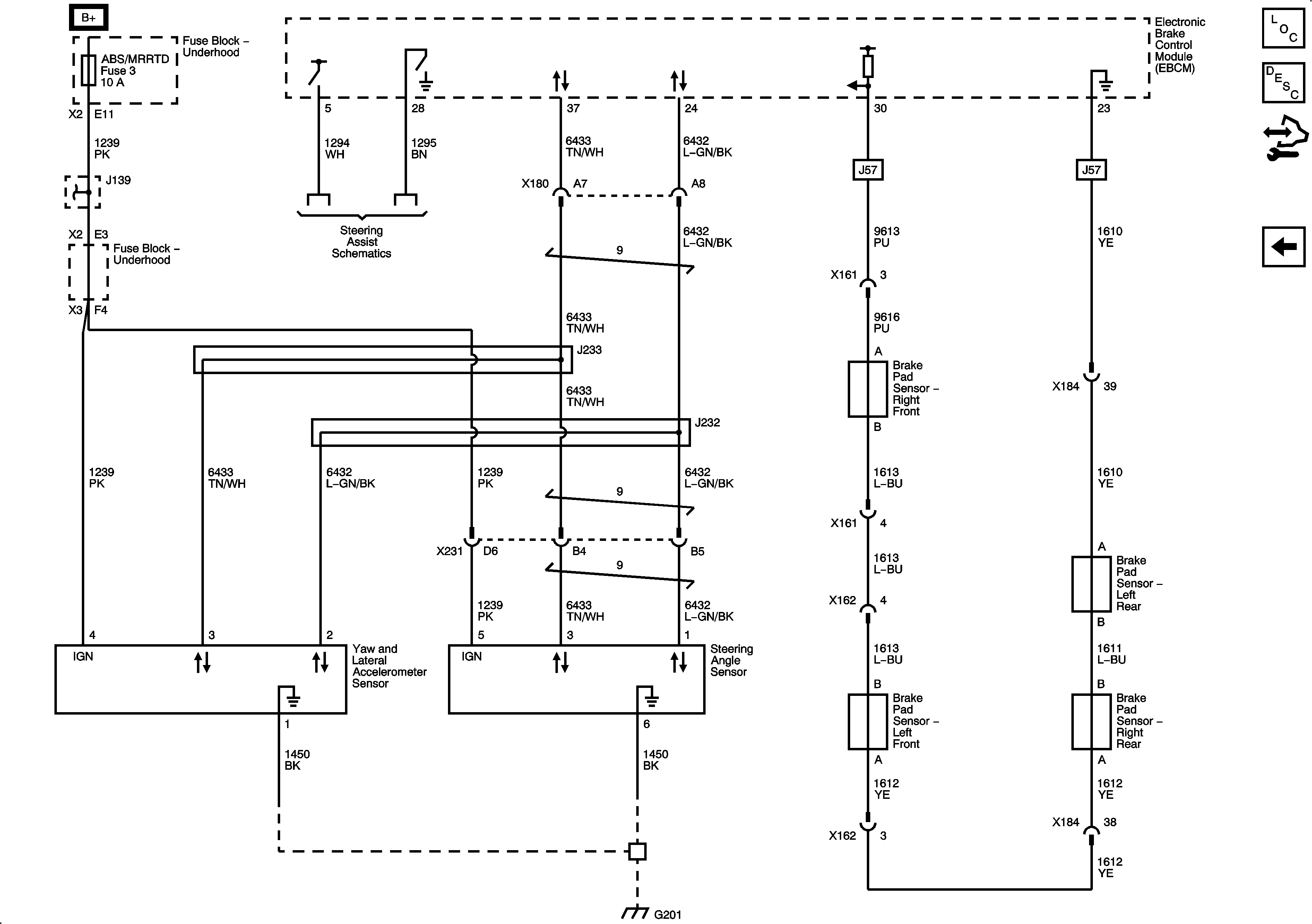
Figure 3:

Stability Controls Sensors (JL4), and Brake Pad Sensors (J57)


Object Number: 2053754  Size: FS