GM Service Manual Online
For 1990-2009 cars only
Makes
🢒
Chevrolet
🢒
2009
🢒
Corvette
🢒
Transmission
🢒
Automatic Transmission - 6L50/6L80/6L90
🢒 Automatic Transmission Controls Schematics
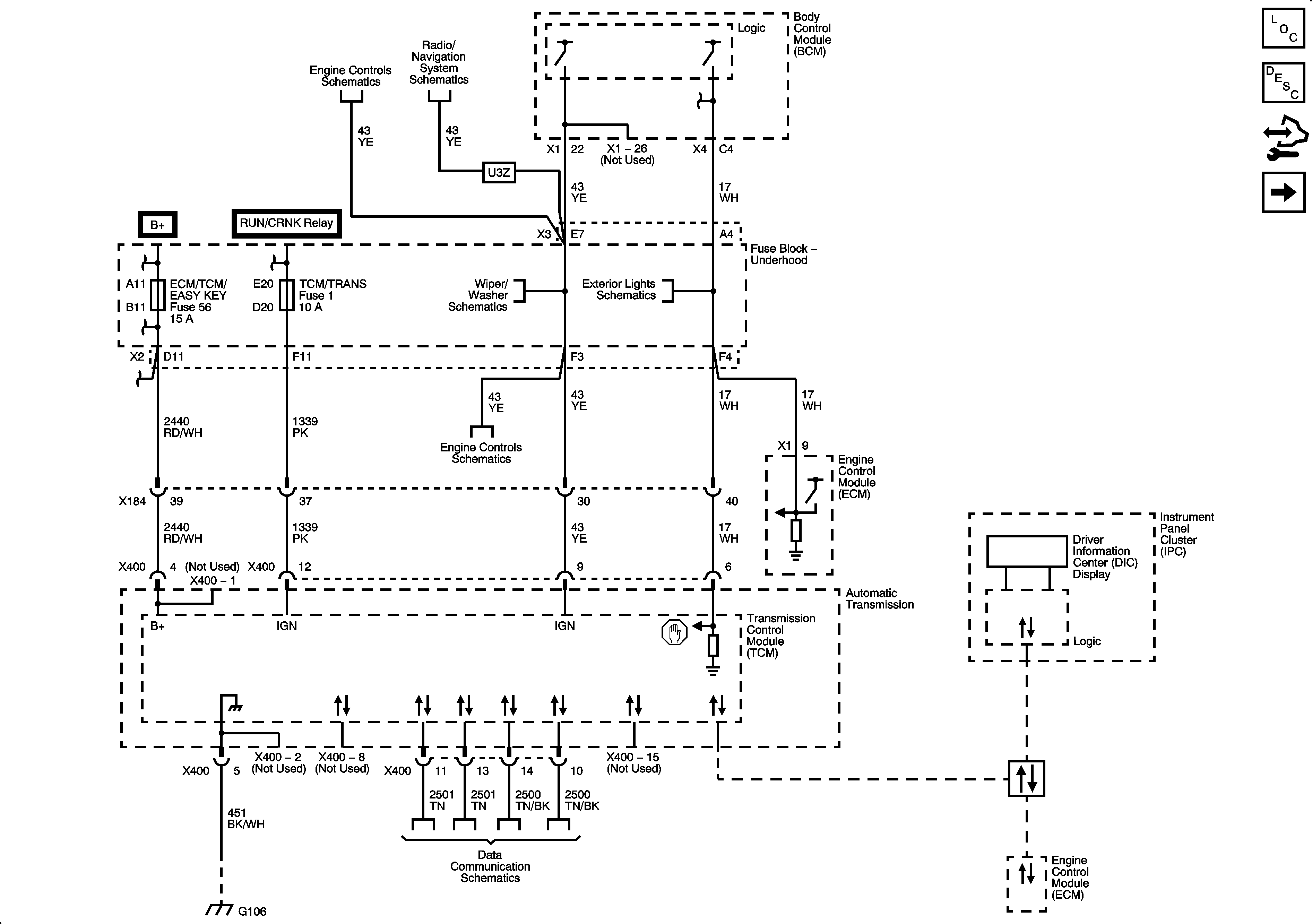
Figure
1:
Power, Ground, Serial Data, and Stop Lamp Switch Signal
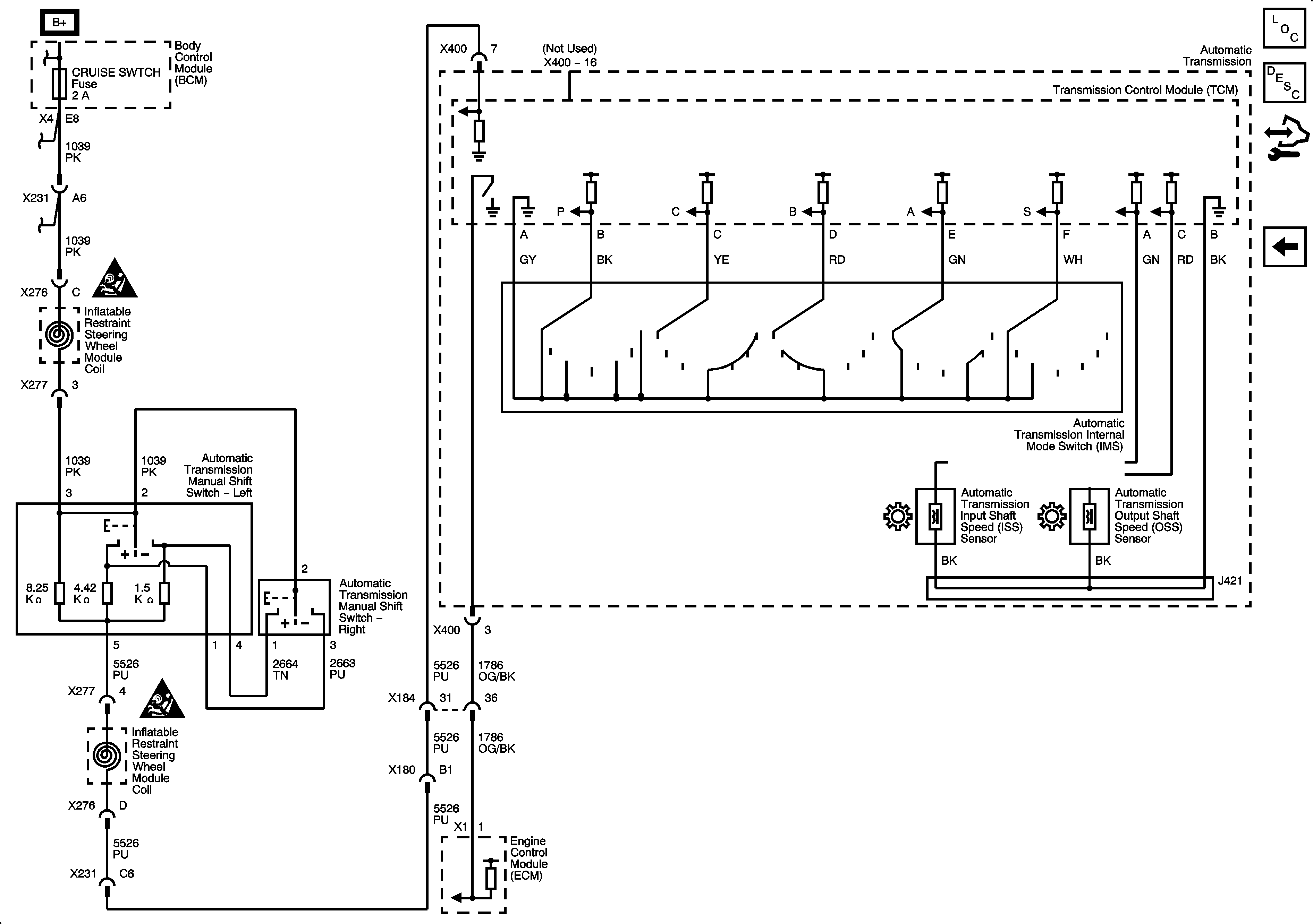
Figure
2:
Input/Output Speed Sensors (ISS/OSS), Internal Mode Switch (IMS), and TAP Shift Switches