GM Service Manual Online
For 1990-2009 cars only
Makes
🢒
Chevrolet
🢒
2009
🢒
Corvette
🢒
Steering
🢒
Steering Wheel and Column
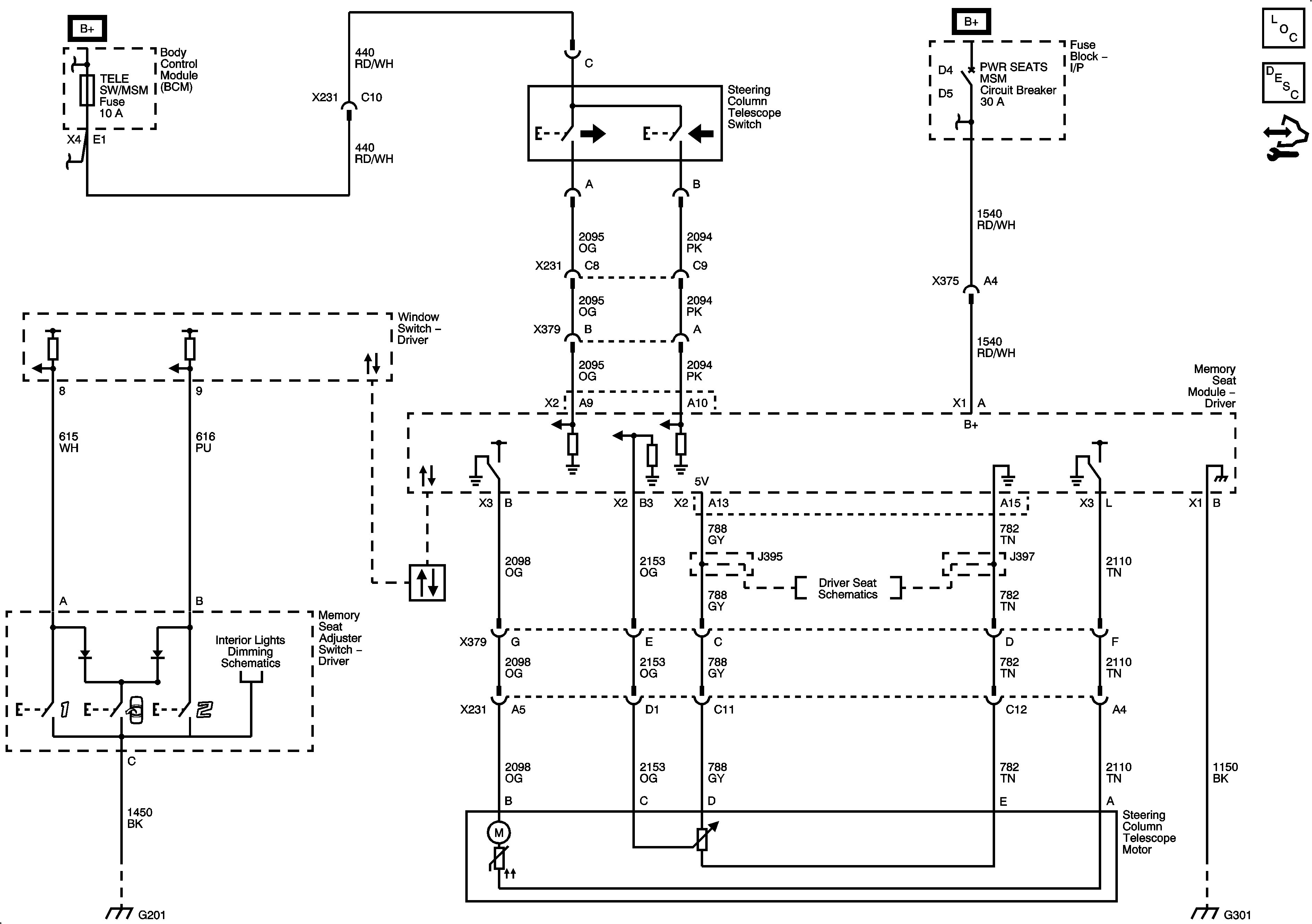
🢒 Tilt/Telescoping Steering Column Schematics