GM Service Manual Online
For 1990-2009 cars only
Figure 1:

6-Way Manual Power Seat


Object Number: 2054015  Size: FS
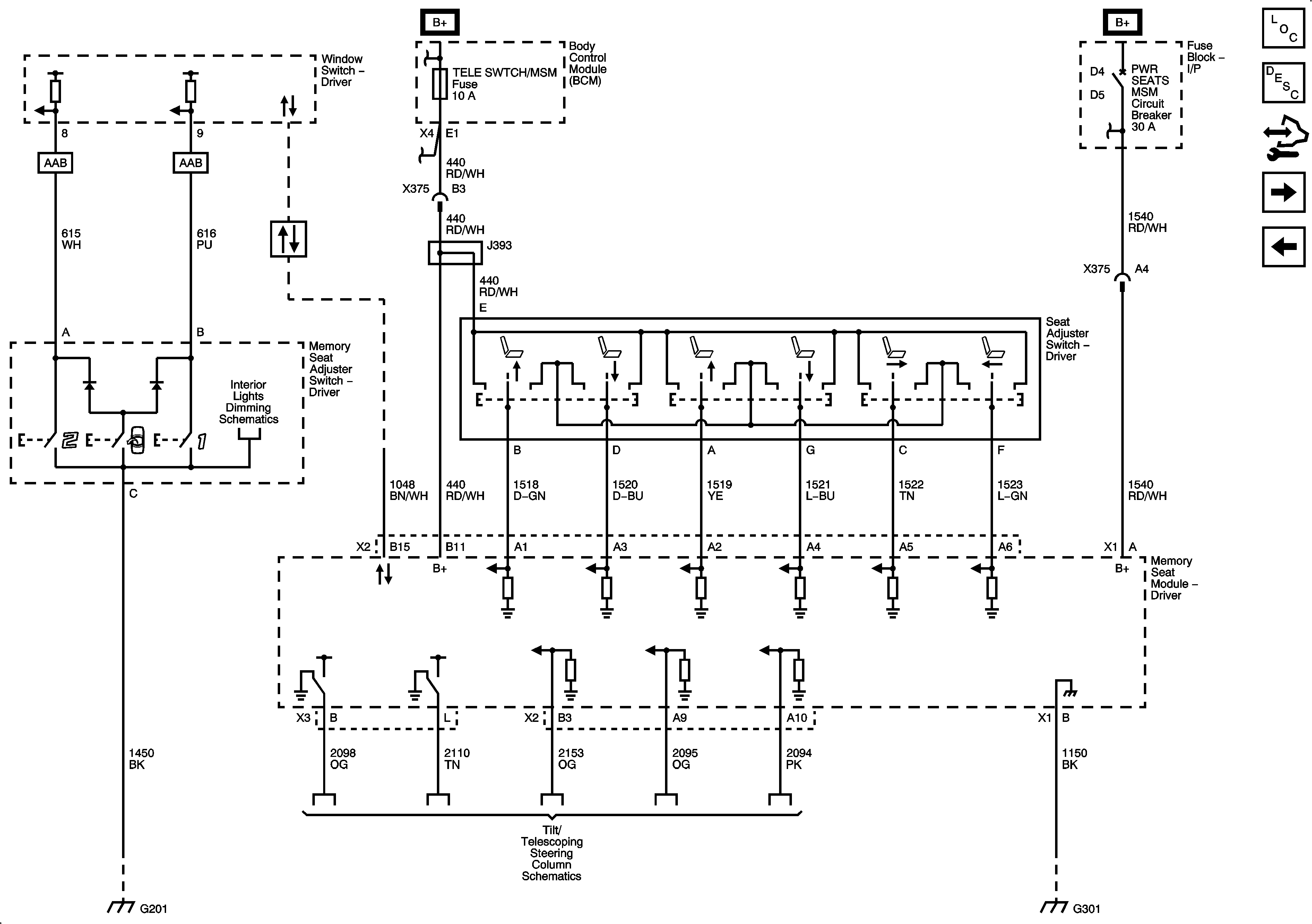
Figure 2:

Memory Seat (1 of 2)


Object Number: 2054017  Size: FS
Figure 3:

Memory Seat (2 of 2)


Object Number: 2054020  Size: FS
Figure 4:

Lumbar Support


Object Number: 2054022  Size: FS