GM Service Manual Online
For 1990-2009 cars only
Makes
🢒
Chevrolet
🢒
2009
🢒
Corvette
🢒
HVAC
🢒
HVAC - Automatic
🢒 HVAC Schematics
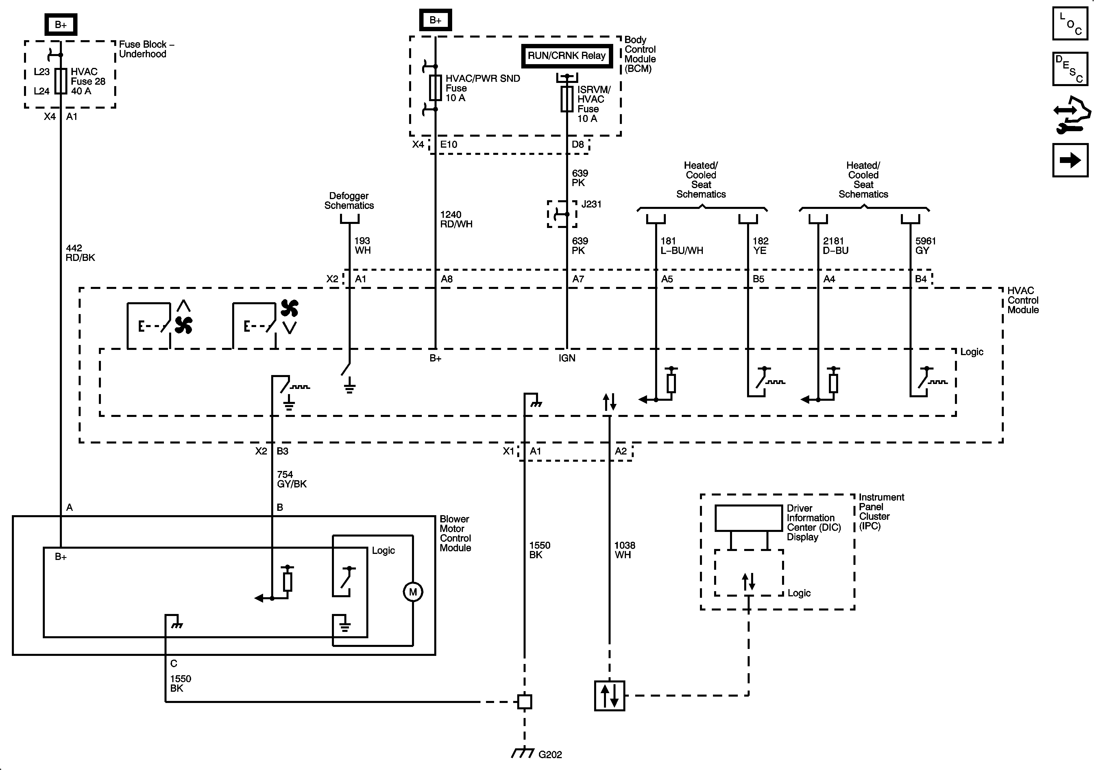
Figure
1:
Power, Ground, Blower Motor Control, and Subsystem References
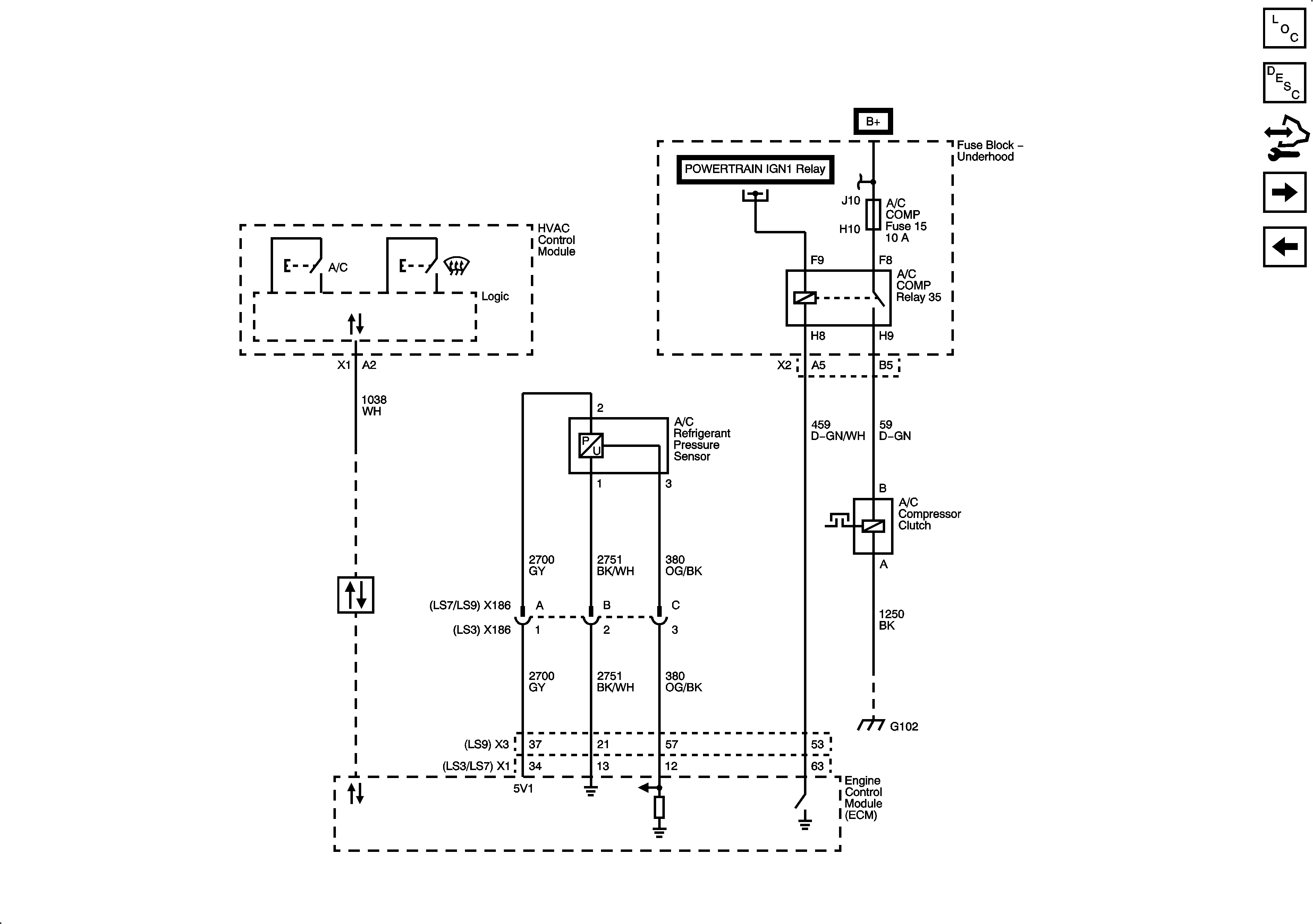
Figure
2:
A/C Compressor Controls
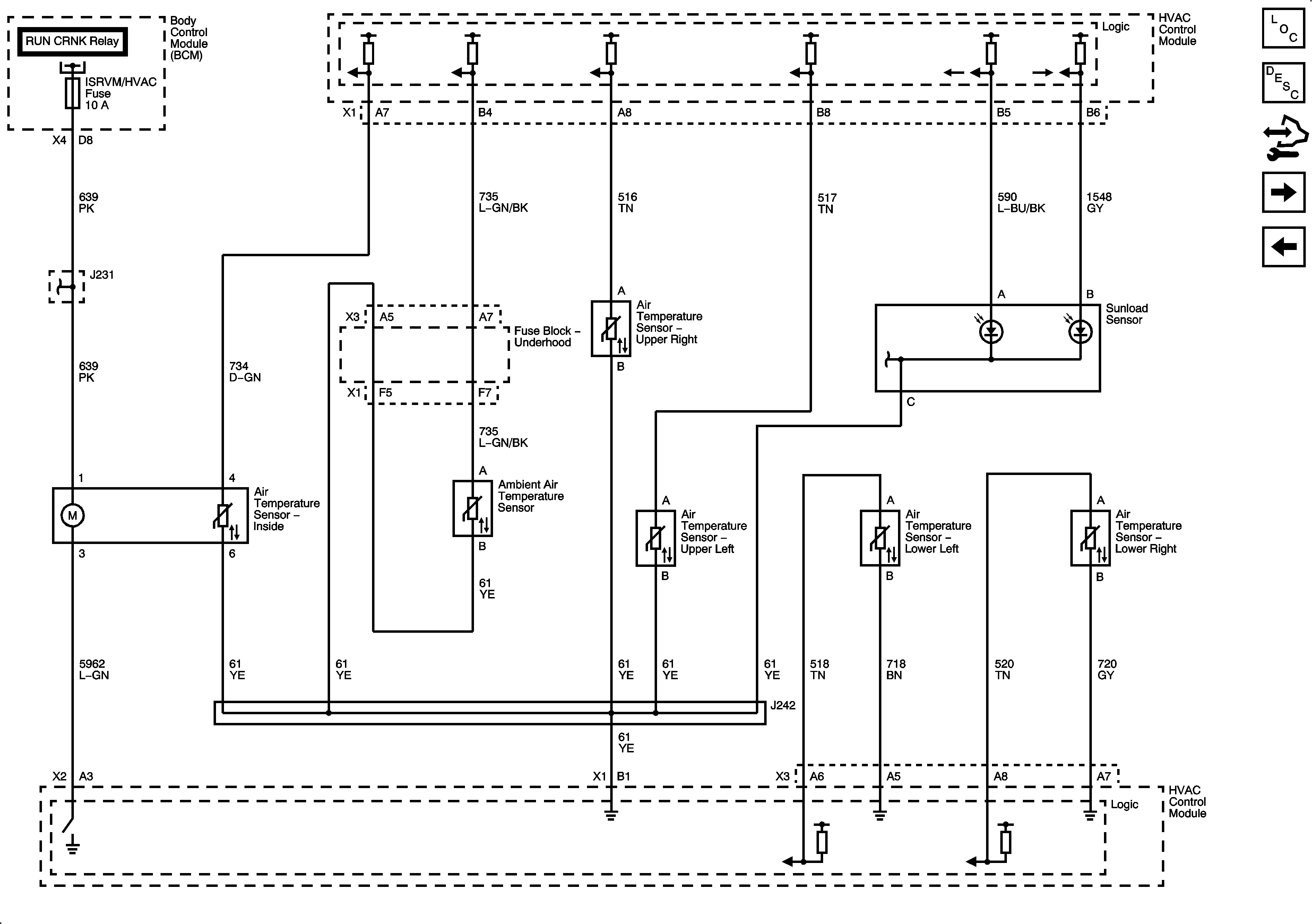
Figure
3:
Air Temperature Sensors
Figure
4:
Mode and Air Temperature Controls