GM Service Manual Online
For 1990-2009 cars only
Makes
🢒
Chevrolet
🢒
2009
🢒
Corvette
🢒
Safety and Security
🢒
Remote Functions
🢒 Remote Function Schematics
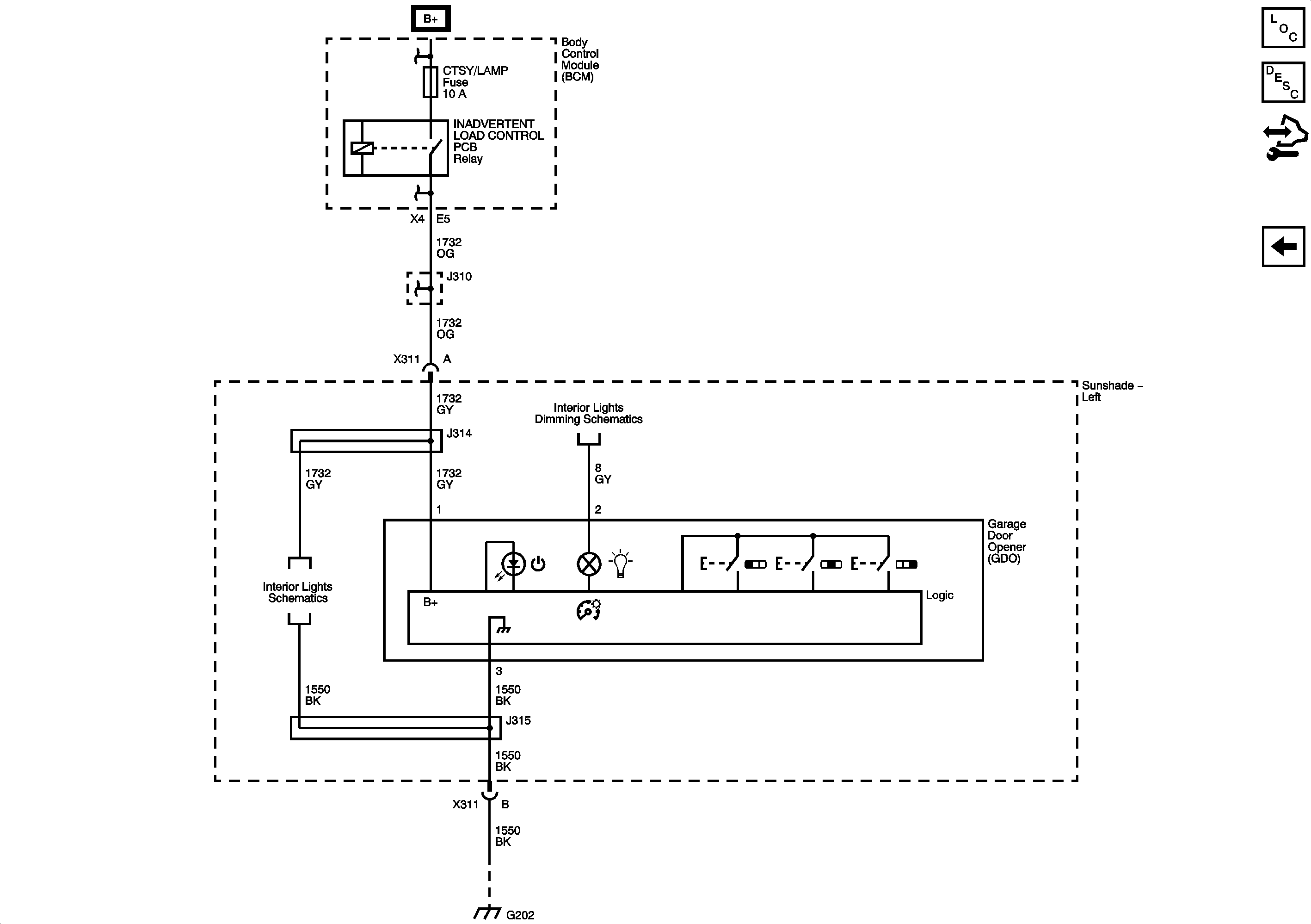
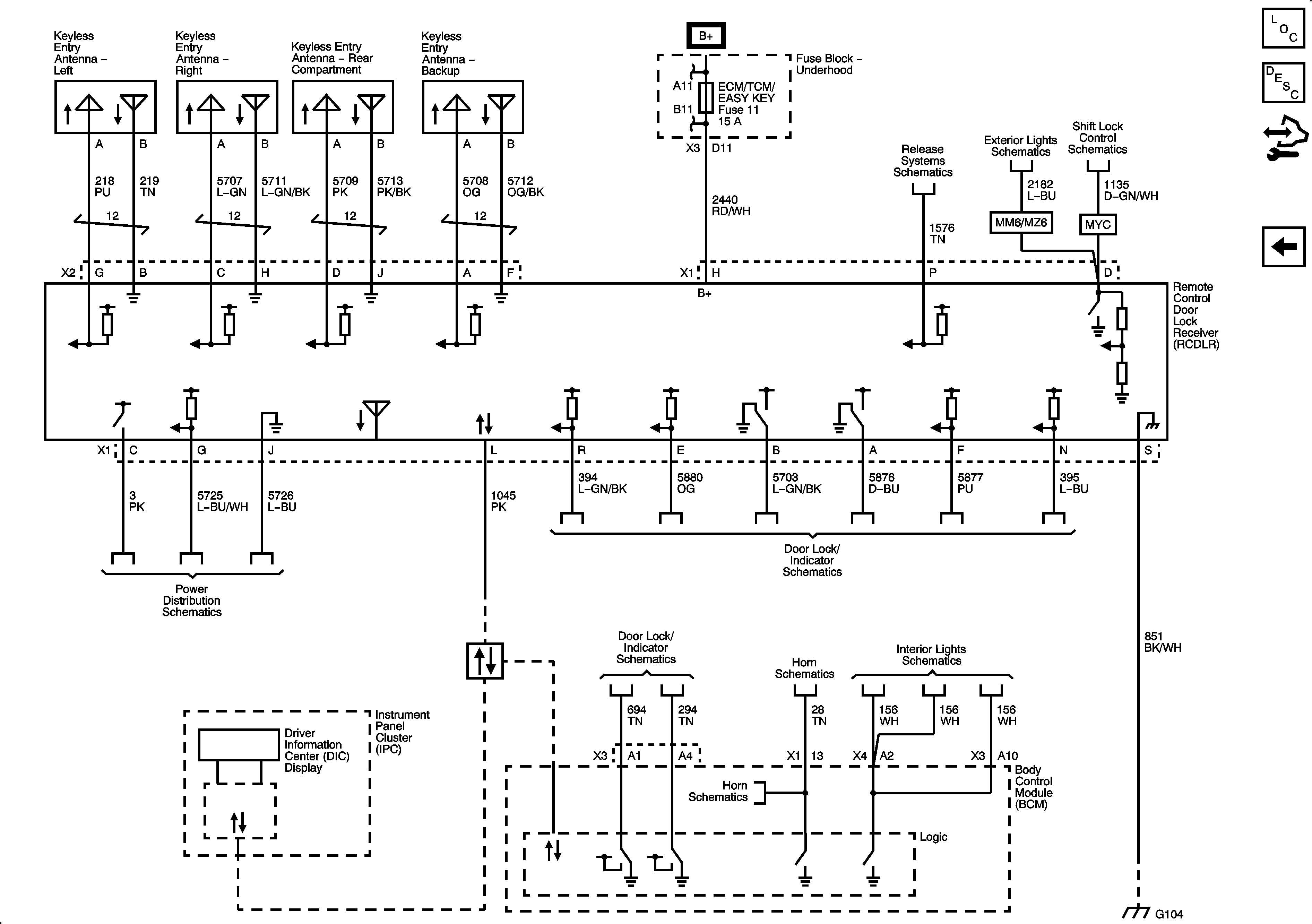
Figure
1:
Keyless Entry
Figure
2:
Garage Door Opener