GM Service Manual Online
For 1990-2009 cars only

Caution: To avoid any vehicle damage, serious personal injury or death when major components are removed from the vehicle and the vehicle is supported by a hoist, support the vehicle with jack stands at the opposite end from which the components are being removed and strap the vehicle to the hoist.

Notice: Refer to Vehicle Lifting and Jacking Notice in the Preface section.

Important: On vehicles equipped with rocker panel moldings, the rocker panel molding lower covers MUST be removed prior to lifting.

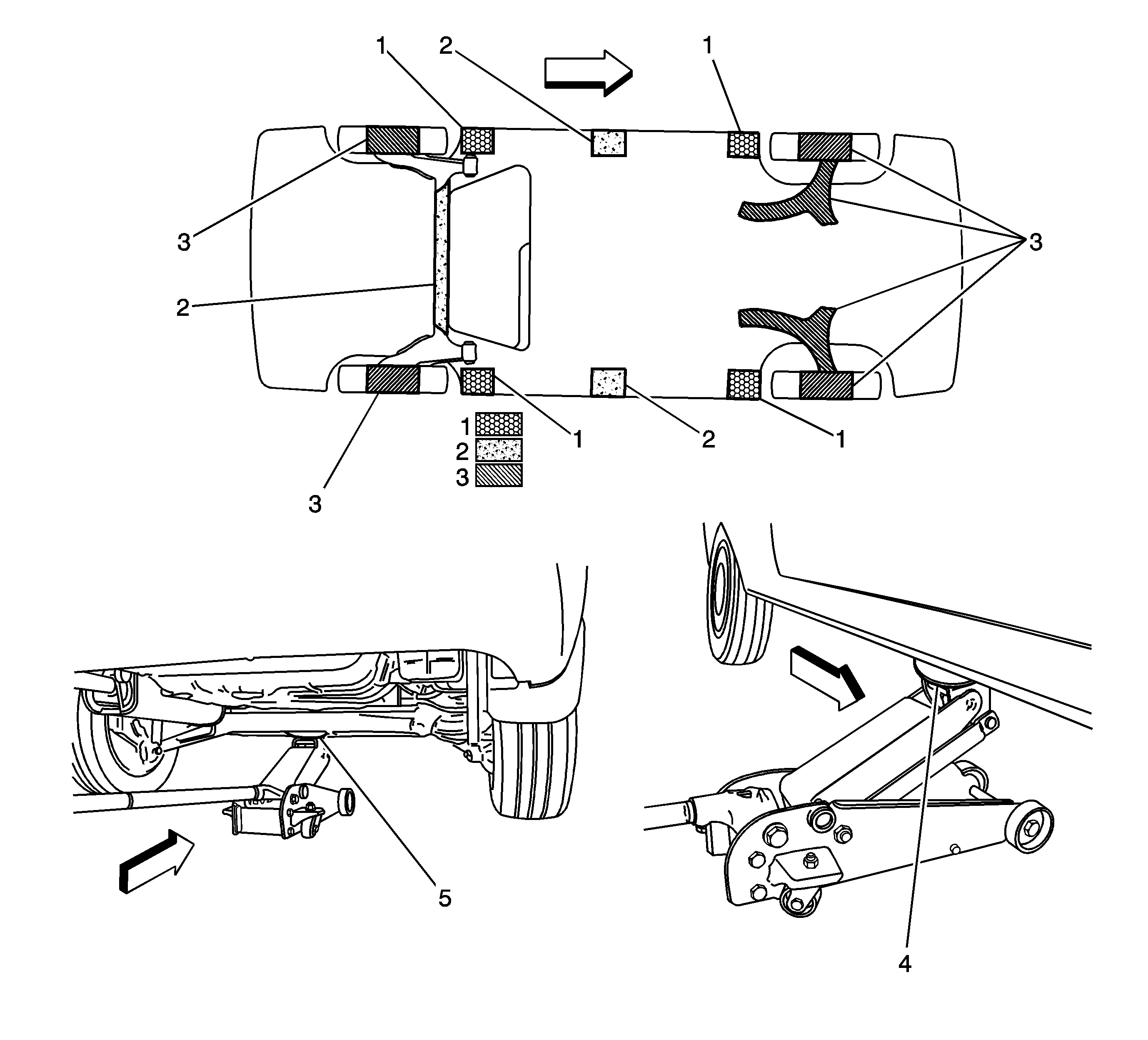
Vehicle Lifting Points

Lifting Points


Object Number: 1885410  Size: LF
(1)Frame Contact Hoist
(1)Frame Contact Hoist
(1)Frame Contact Hoist
(1)Frame Contact Hoist
(2)Floor Jack
(2)Floor Jack
(2)Floor Jack
(3)Suspension Contact Hoist
(3)Suspension Contact Hoist
(3)Suspension Contact Hoist
(4)Center Rocker Lift Point (Left Hand/Right Hand)
(5)Rear Suspension Axle Lift Point

Hoist Location


Object Number: 1886088  Size: LF
(1)Frame Contact Hoist - Rearward of Front Tire
(2)Suspension Contact Hoist - Under Front Lower Control Arm
(3)Suspension Contact Hoist - Lifting on Rear Axle
(4)Frame Contact Hoist - Forward of Rear Tire