GM Service Manual Online
For 1990-2009 cars only
Makes
🢒
Chevrolet
🢒
2004
🢒
Epica
🢒
Steering
🢒
Steering Wheel and Column
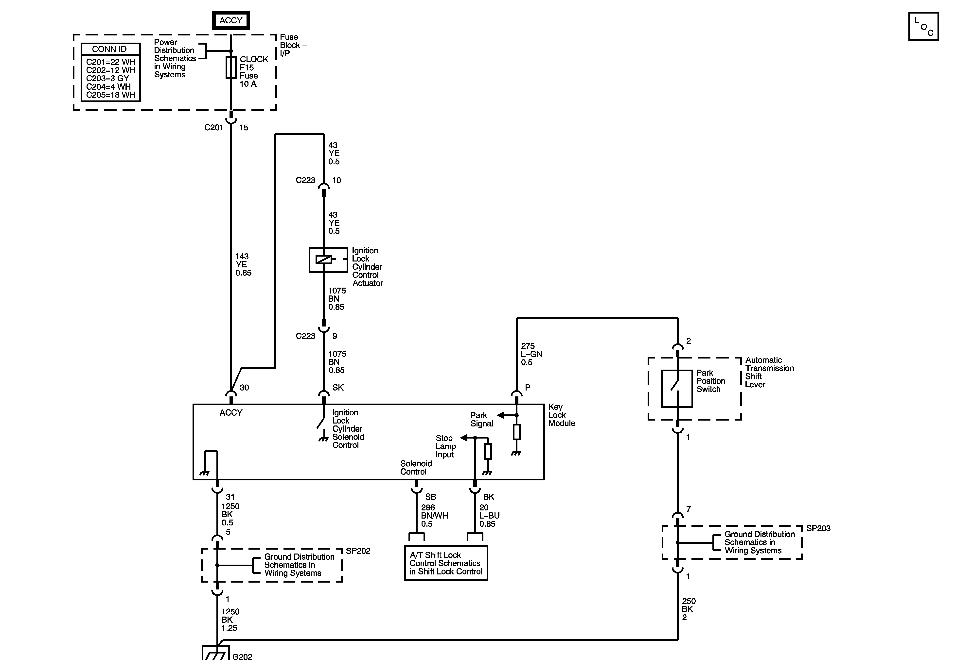
🢒 Column/Ignition Lock Schematics
Ignition Lock Module
Master Electrical Component List
Underhood Fuse Block - IGN1 Fuse, Ignition Switch, I/P Fuse Block - LTR, HTD SEAT, CLK, RADIO, AIR BAG, BCK/UP CRUISE, and ECM Fuses
Automatic Transmission Shift Lock Control - 2.0L
G201, G202
Automatic Transmission Shift Lock Control - 2.0L
G201, G202