GM Service Manual Online
For 1990-2009 cars only
Makes
🢒
Chevrolet
🢒
2004
🢒
Epica
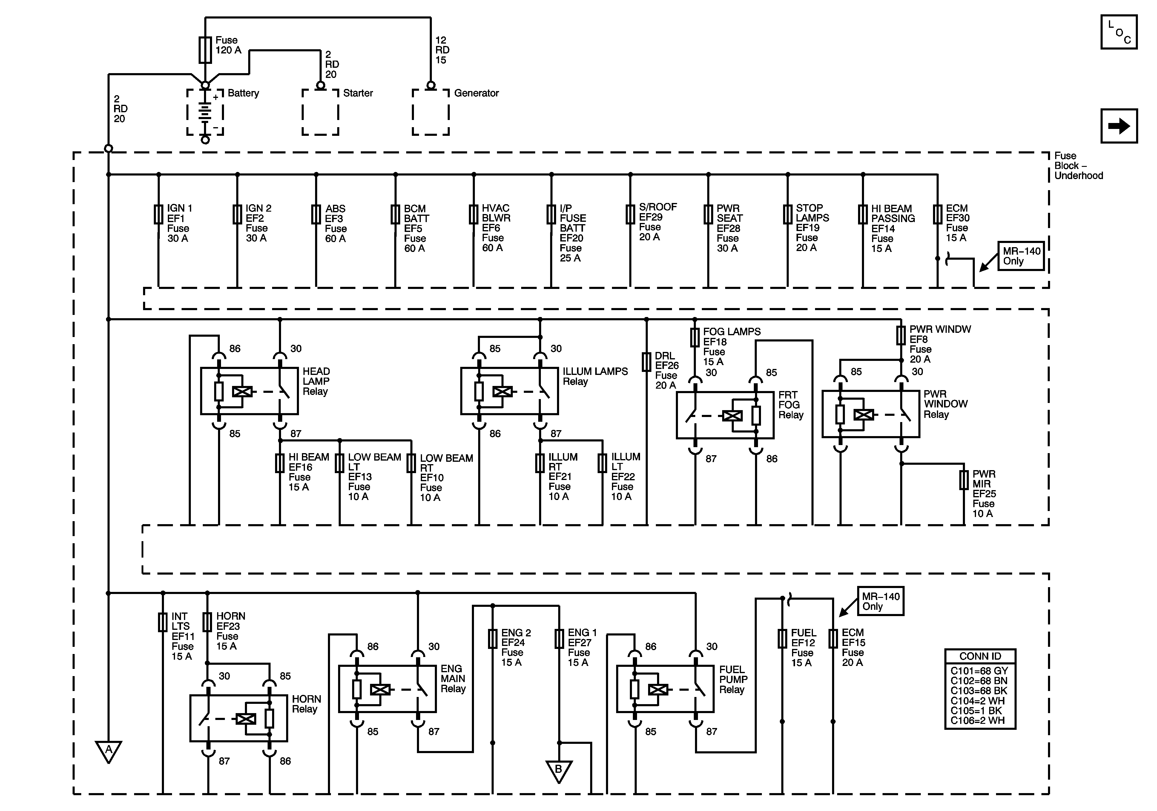
🢒 Underhood Fuse Block - Battery Feeds
Underhood Fuse Block - Battery Feeds
Underhood Fuse Block - Battery Feeds
Master Electrical Component List
Underhood Fuse Block - Battery Feeds
Underhood Fuse Block - Battery Feeds
Underhood Fuse Block - Battery Feeds