GM Service Manual Online
For 1990-2009 cars only
Makes
🢒
Chevrolet
🢒
2004
🢒
Epica
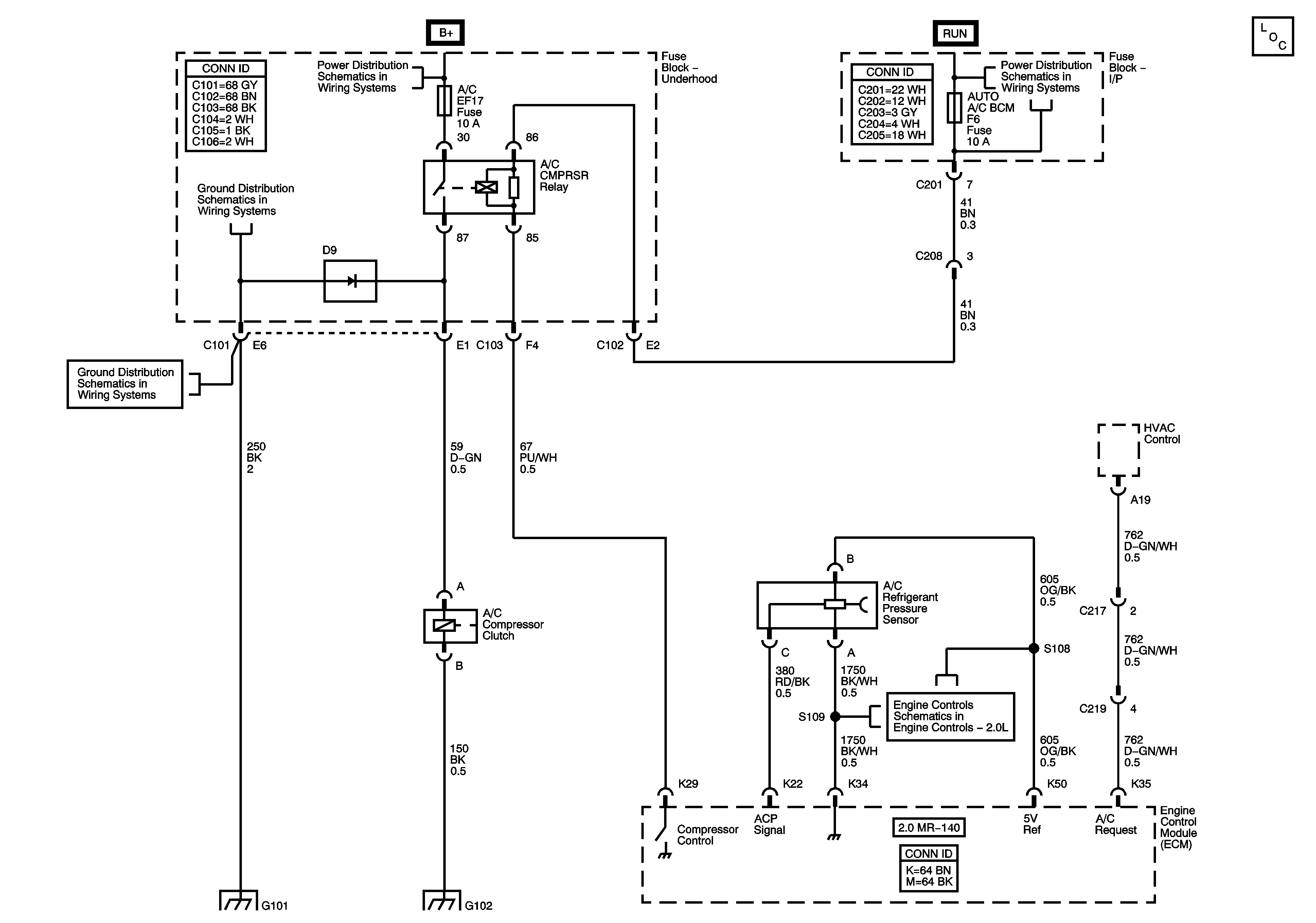
🢒 Compressor Controls (2.0L MR-140)
Compressor Controls (2.0L MR-140)
Compressor Controls (2.0L MR-140)
Master Electrical Component List
Underhood Fuse Block - IGN2 Fuse, Ignition Switch, I/P Fuse Block - AUTO A/C BCM, HVAC EPS, ABS and HTD MIR Fuses
I/P Fuse Block - WPR, TCM BTSI, BCM ABS, CLSTR AUTO A/C and WSWA Fuses
G101
G101
Module Power, Ground, Serial Data, MIL