GM Service Manual Online
For 1990-2009 cars only
Makes
🢒
Chevrolet
🢒
2004
🢒
Epica
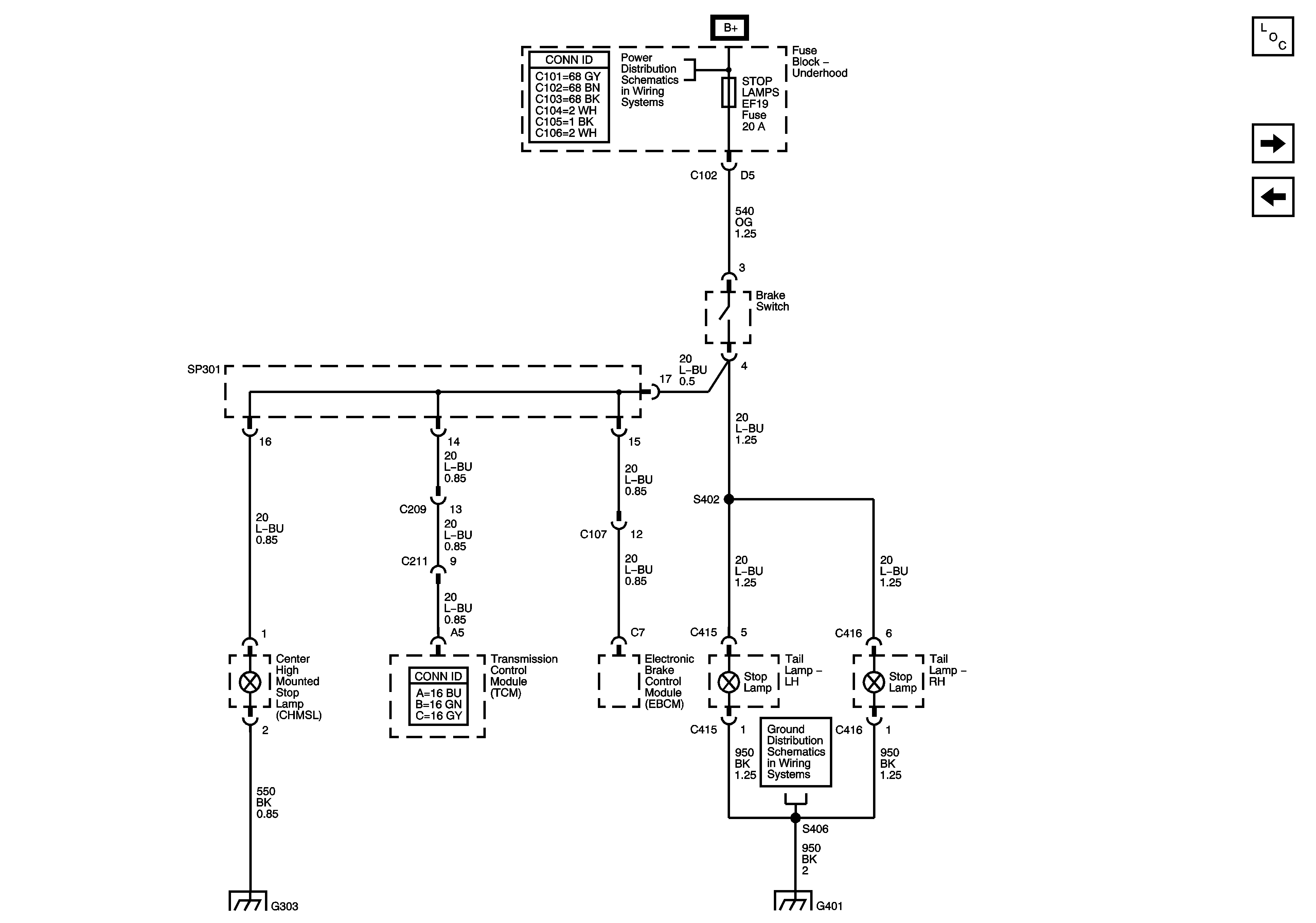
🢒 Stop Lamps
Stop Lamps
Stop Lamps
Master Electrical Component List
Backup Lamps
Turn and Hazard Lamps - Except North America
Underhood Fuse Block - STOP LAMPS, HI BEAM PASSING, and ECM Fuses
G401