GM Service Manual Online
For 1990-2009 cars only
Makes
🢒
Chevrolet
🢒
2004
🢒
Epica
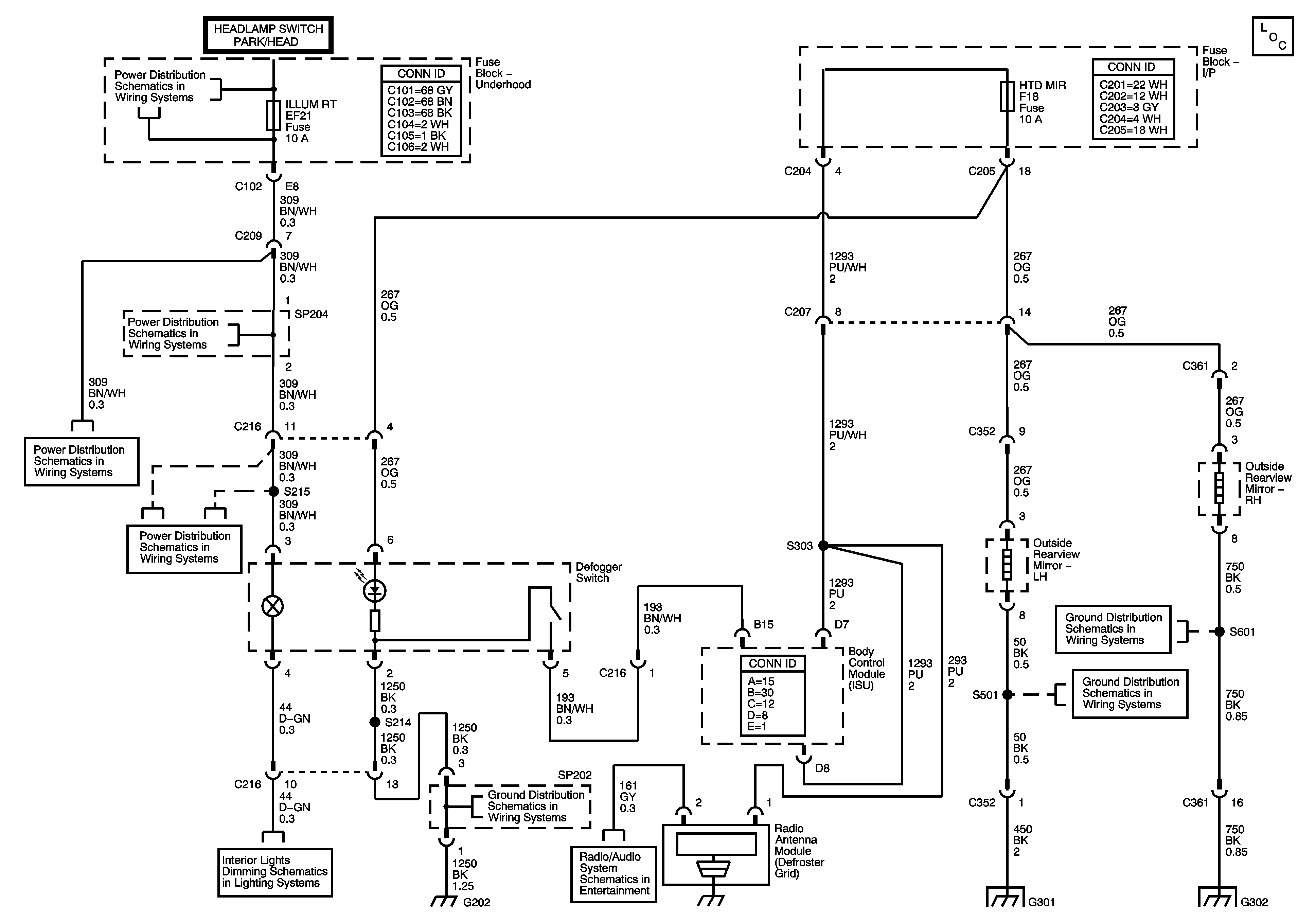
🢒 Defogger Schematics
Defogger Schematics
Defogger Schematics
Master Electrical Component List
Underhood Fuse Block - ABS, BCM BATT, IllUM RT, and ILLUM LT Fuses
Underhood Fuse Block - ABS, BCM BATT, IllUM RT, and ILLUM LT Fuses
Underhood Fuse Block - ABS, BCM BATT, IllUM RT, and ILLUM LT Fuses
Underhood Fuse Block - ABS, BCM BATT, IllUM RT, and ILLUM LT Fuses
IP Illumination
G201, G202
Radio
G302
G301