GM Service Manual Online
For 1990-2009 cars only
Makes
🢒
Chevrolet
🢒
2004
🢒
Epica
🢒 Power Door Locks
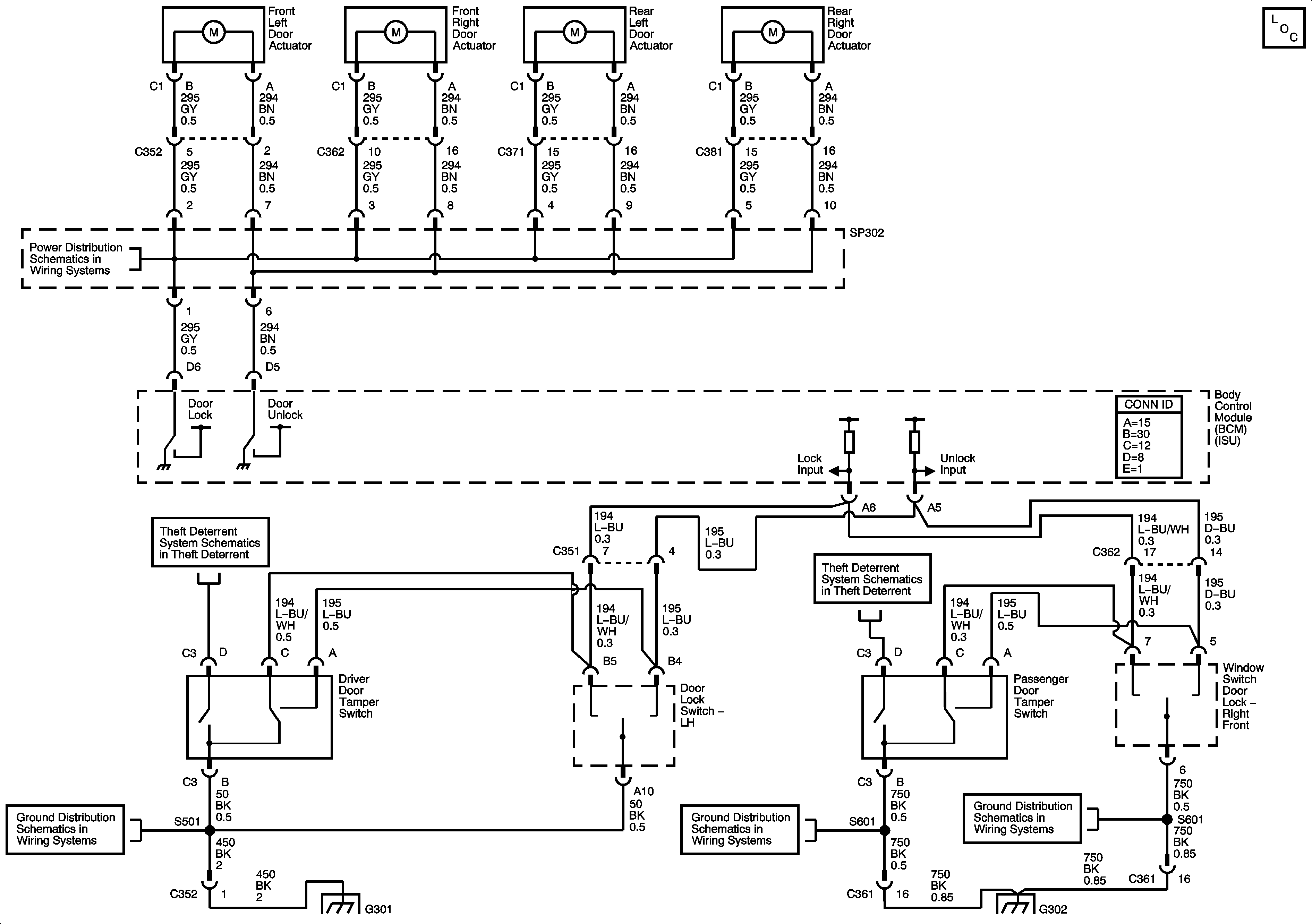
Power Door Locks
Power Door Locks
Master Electrical Component List
Underhood Fuse Block - INT LTS Fuse
Content Theft Deterrent System
Content Theft Deterrent System
G301
G302
G302