GM Service Manual Online
For 1990-2009 cars only
Makes
🢒
Chevrolet
🢒
2004
🢒
Epica
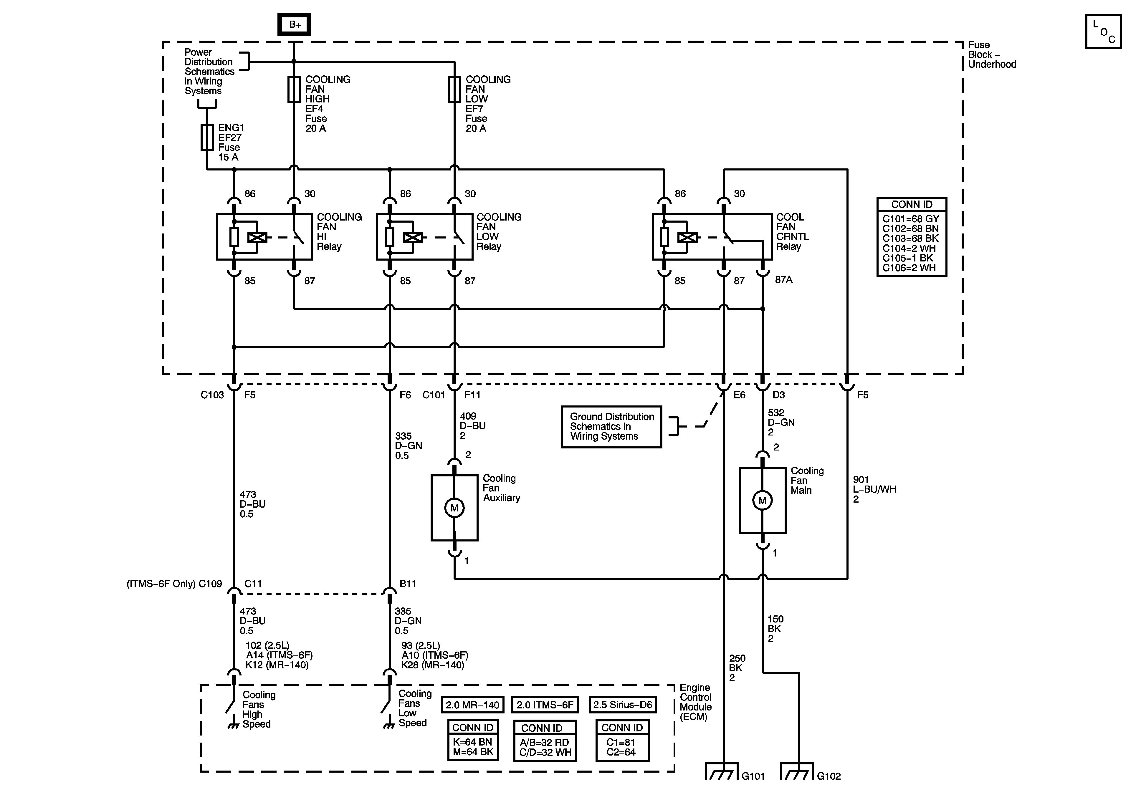
🢒 Cooling Fans
Cooling Fans
Cooling Fans
Master Electrical Component List
Underhood Fuse Block - ENG1, COOL FAN HIGH, and COOL FAN LOW Fuses
G101