GM Service Manual Online
For 1990-2009 cars only
Makes
🢒
Chevrolet
🢒
2004
🢒
Epica
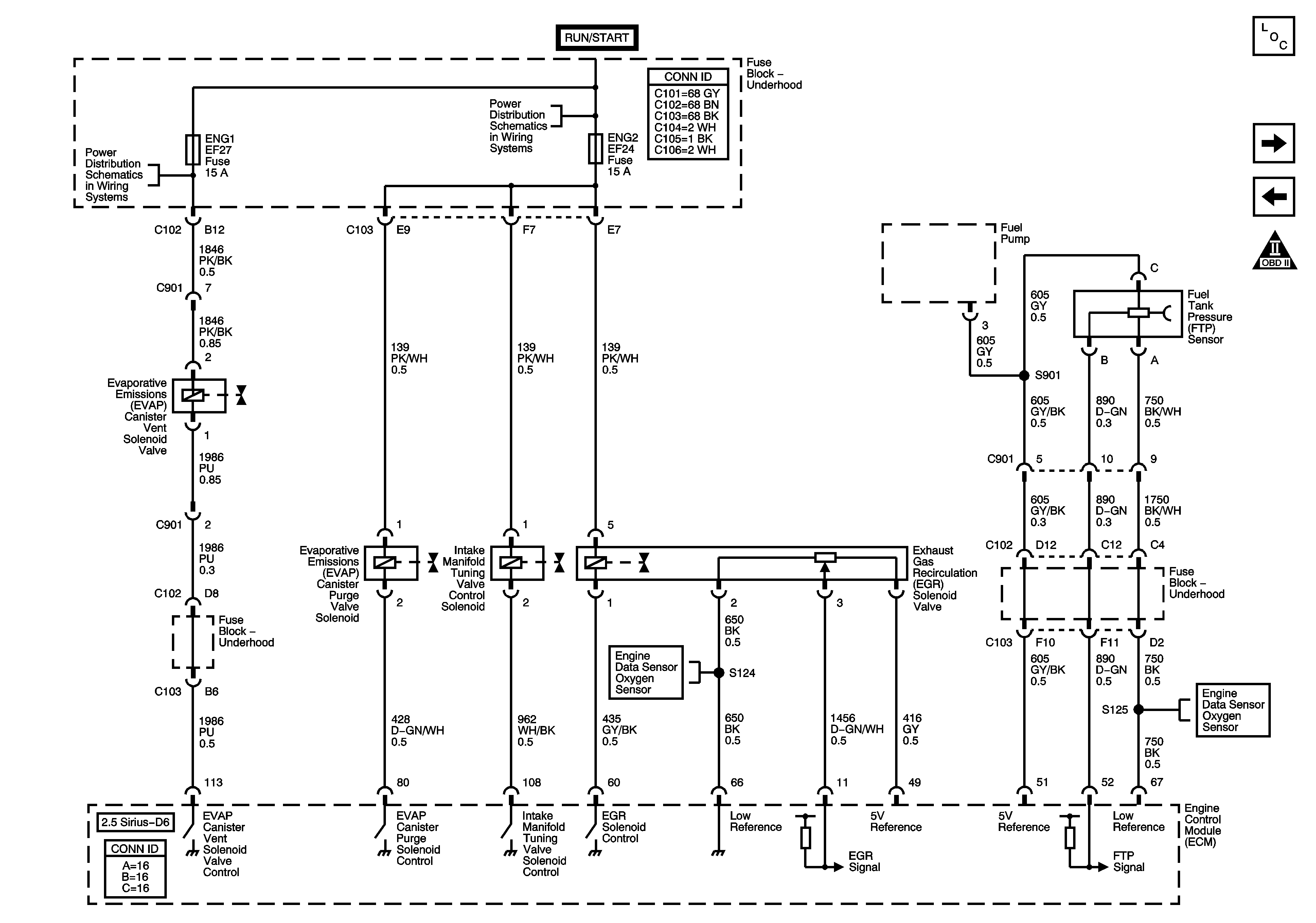
🢒 Fuel Controls - Evaporative Emissions Controls, Device Controls
Fuel Controls - Evaporative Emissions Controls, Device Controls
Fuel Controls - Evaporative Emissions Controls, Device Controls
Master Electrical Component List
Controlled/Monitored Subsystem References
Fuel Controls - Fuel Pump Controls and Fuel Injectors
Engine Controls Schematic Icons
Underhood Fuse Block - ENG1, COOL FAN HIGH, and COOL FAN LOW Fuses
Underhood Fuse Block (2.5L) - ENG MAIN Relay and ENG2 Fuse
Engine Data Sensors - Oxygen Sensors
Engine Data Sensors - Oxygen Sensors