GM Service Manual Online
For 1990-2009 cars only
Makes
🢒
Chevrolet
🢒
2004
🢒
Epica
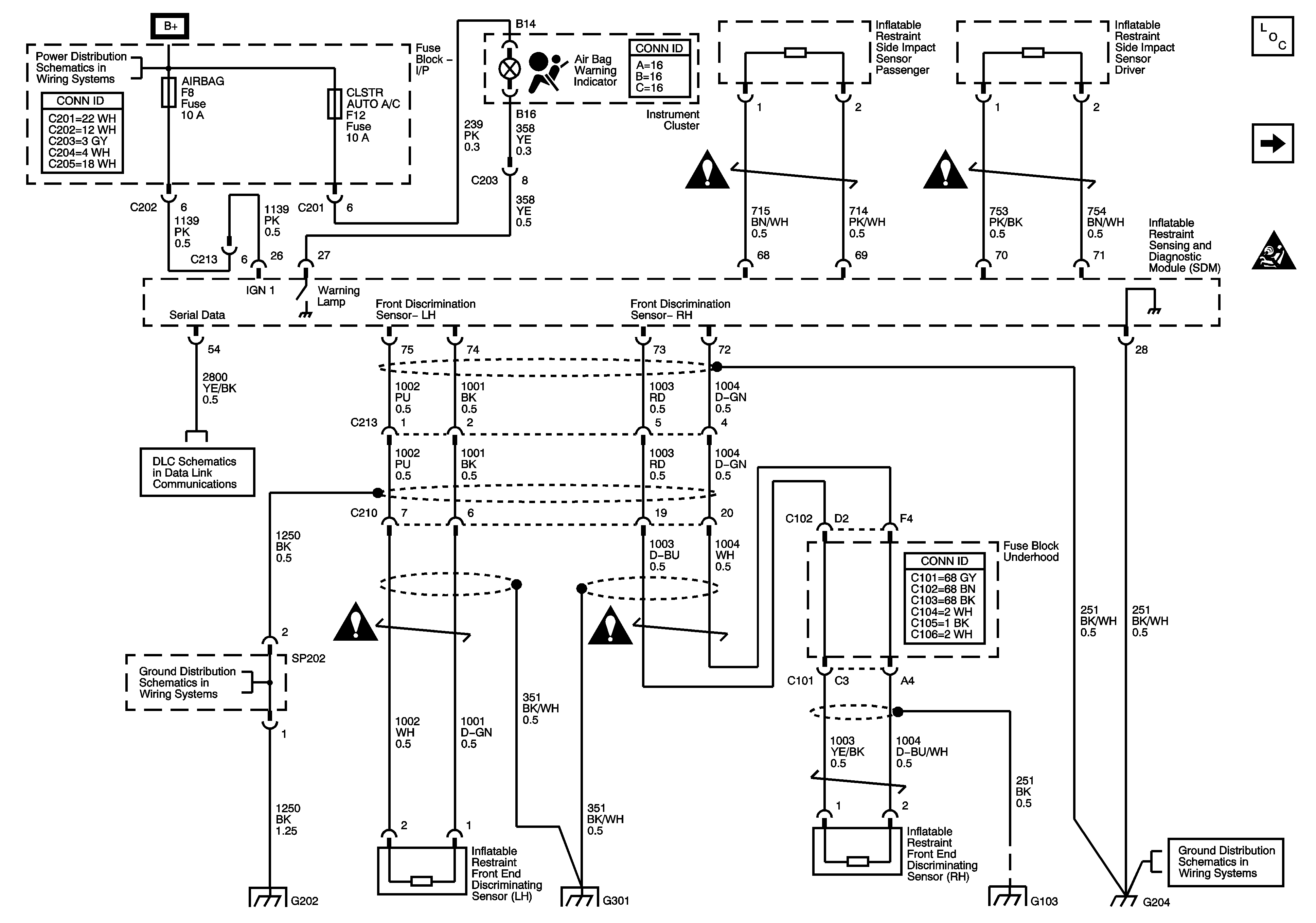
🢒 Power, Ground and Impact Sensors
Power, Ground and Impact Sensors
Power, Ground and Impact Sensors
Master Electrical Component List
Airbag and Pretensioner Deployment Loops
SIR Schematic Icons
Underhood Fuse Block - IGN1 Fuse, Ignition Switch, I/P Fuse Block - LTR, HTD SEAT, CLK, RADIO, AIR BAG, BCK/UP CRUISE, and ECM Fuses
SIR Schematic Icons
SIR Schematic Icons
Data Link Connector
SIR Schematic Icons
SIR Schematic Icons
G201, G202
G204