GM Service Manual Online
For 1990-2009 cars only
Makes
🢒
Chevrolet
🢒
2004
🢒
Epica
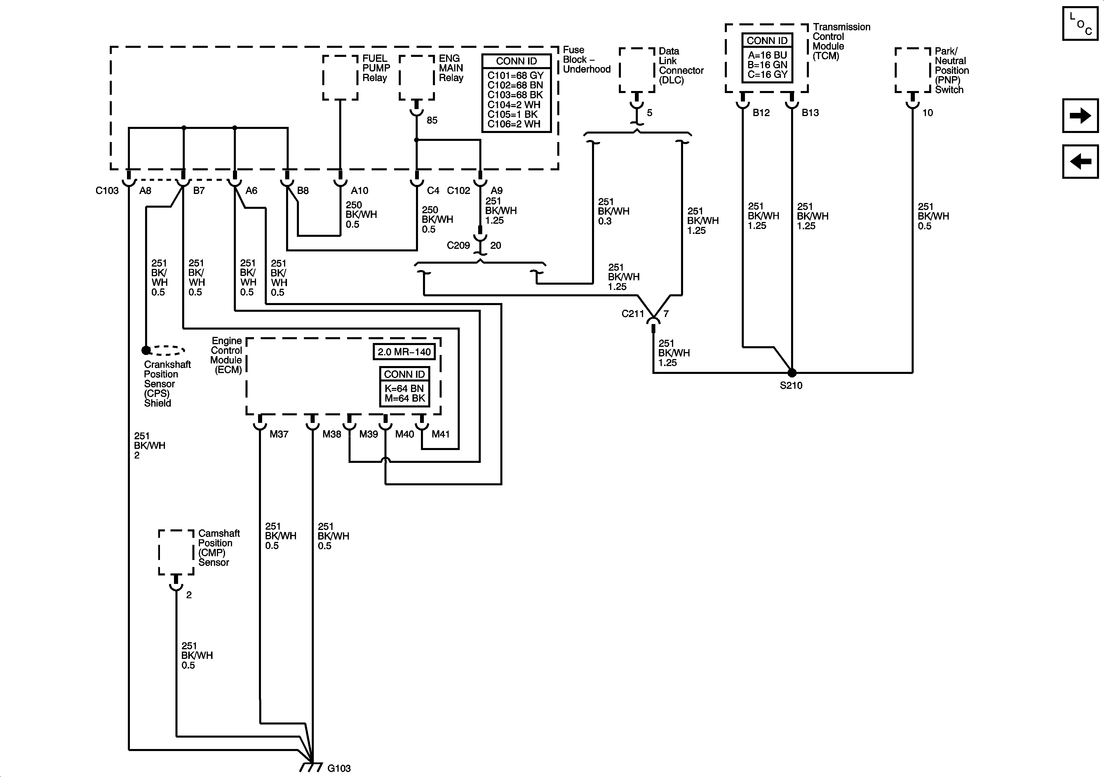
🢒 G103 (MR-140)
G103 (MR-140)
G103 (MR-140)
Master Electrical Component List
G103 and G104 (ITMS-6F)
G102