GM Service Manual Online
For 1990-2009 cars only
Makes
🢒
Chevrolet
🢒
2004
🢒
Epica
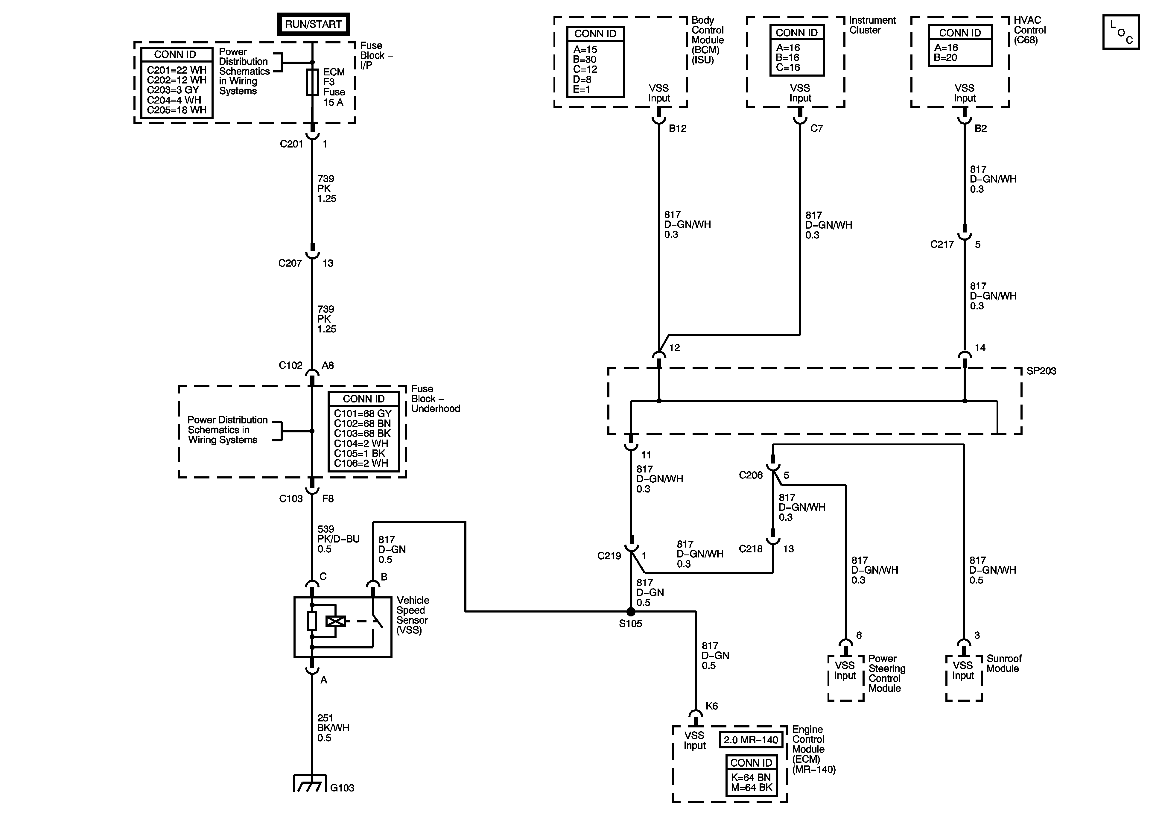
🢒 Vehicle Speed Sensor (VSS) - European Emissions
Vehicle Speed Sensor (VSS) - European Emissions
Vehicle Speed Sensor (VSS) - European Emissions
Master Electrical Component List
Underhood Fuse Block - Fuel Pump Relay, FUEL and ECM Fuses
Underhood Fuse Block - Fuel Pump Relay, FUEL and ECM Fuses