GM Service Manual Online
For 1990-2009 cars only
Makes
🢒
Chevrolet
🢒
2005
🢒
Epica
🢒
Transmission/Transaxle
🢒
Shift Lock Control
🢒 Shift Lock Control Schematics
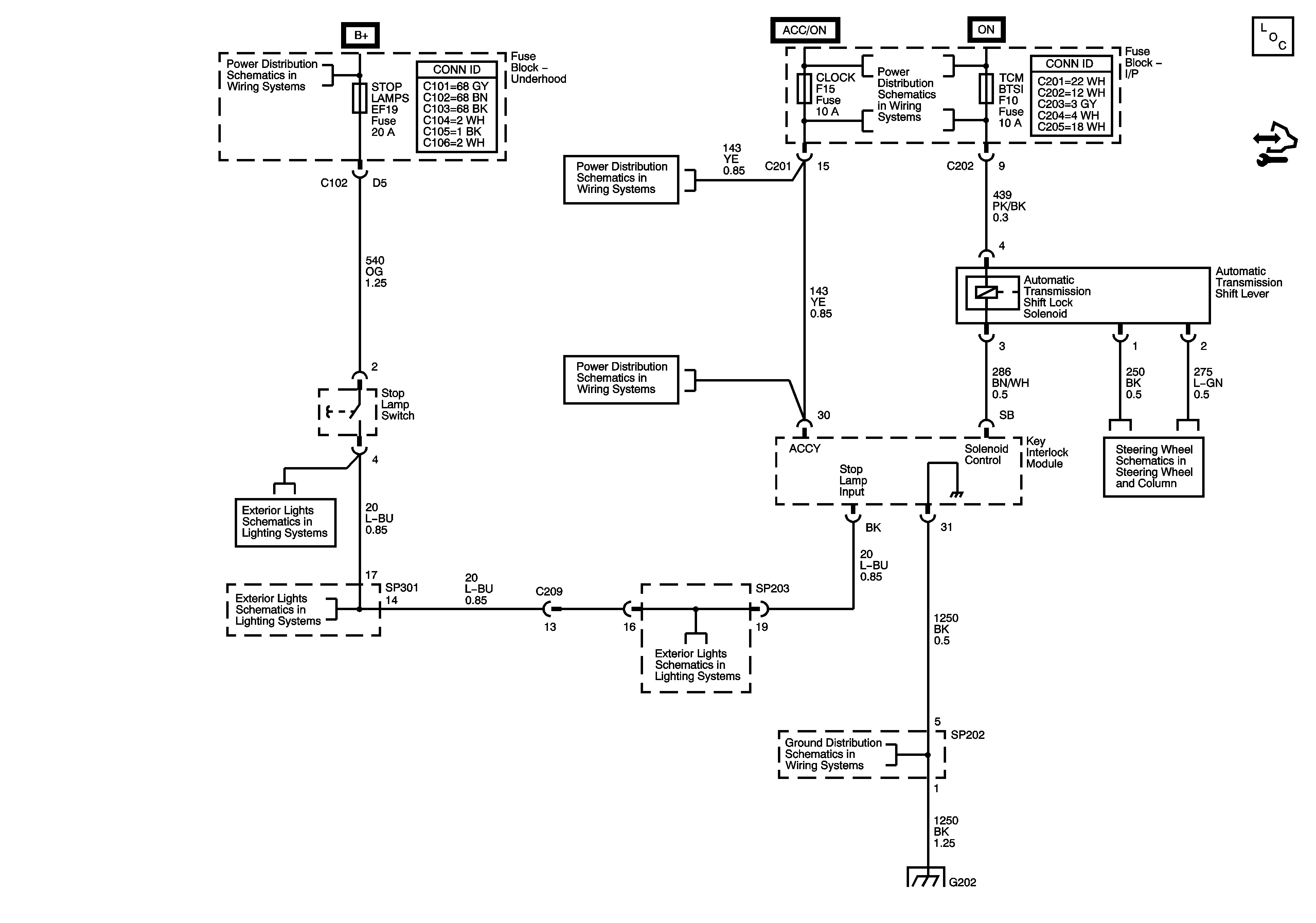
Shift Lock Control Schematics 2.0L
Automatic Transmission Shift Lock Control - 2.0L
Master Electrical Component List
WPR, TCM BTSI, BCM ABS, CLSTR AUTO A/C, WSWA Fuses
G201, G202, SP203
G201, G202, SP203
Shift Lock Control Schematics 2.5L
Automatic Transmission Shift Lock Control - 2.5L
Master Electrical Component List
STOP LAMPS, HI BEAM PASSING, ECM Fuses
IGN 1, Fuse, Ignition Switch, I/P Fuse Block, - LTR, HTD SEAT, CLK, RADIO, AIR BAG, BCK/UP, CRUISE, ECM Fuses
IGN 1, Fuse, Ignition Switch, I/P Fuse Block, - LTR, HTD SEAT, CLK, RADIO, AIR BAG, BCK/UP, CRUISE, ECM Fuses
IGN 1, Fuse, Ignition Switch, I/P Fuse Block, - LTR, HTD SEAT, CLK, RADIO, AIR BAG, BCK/UP, CRUISE, ECM Fuses
Stop Lamps
Column/Ignition Lock Schematics
Stop Lamps
G201, G202, SP203