GM Service Manual Online
For 1990-2009 cars only
Makes
🢒
Chevrolet
🢒
2006
🢒
Epica
🢒
Body
🢒
Roof
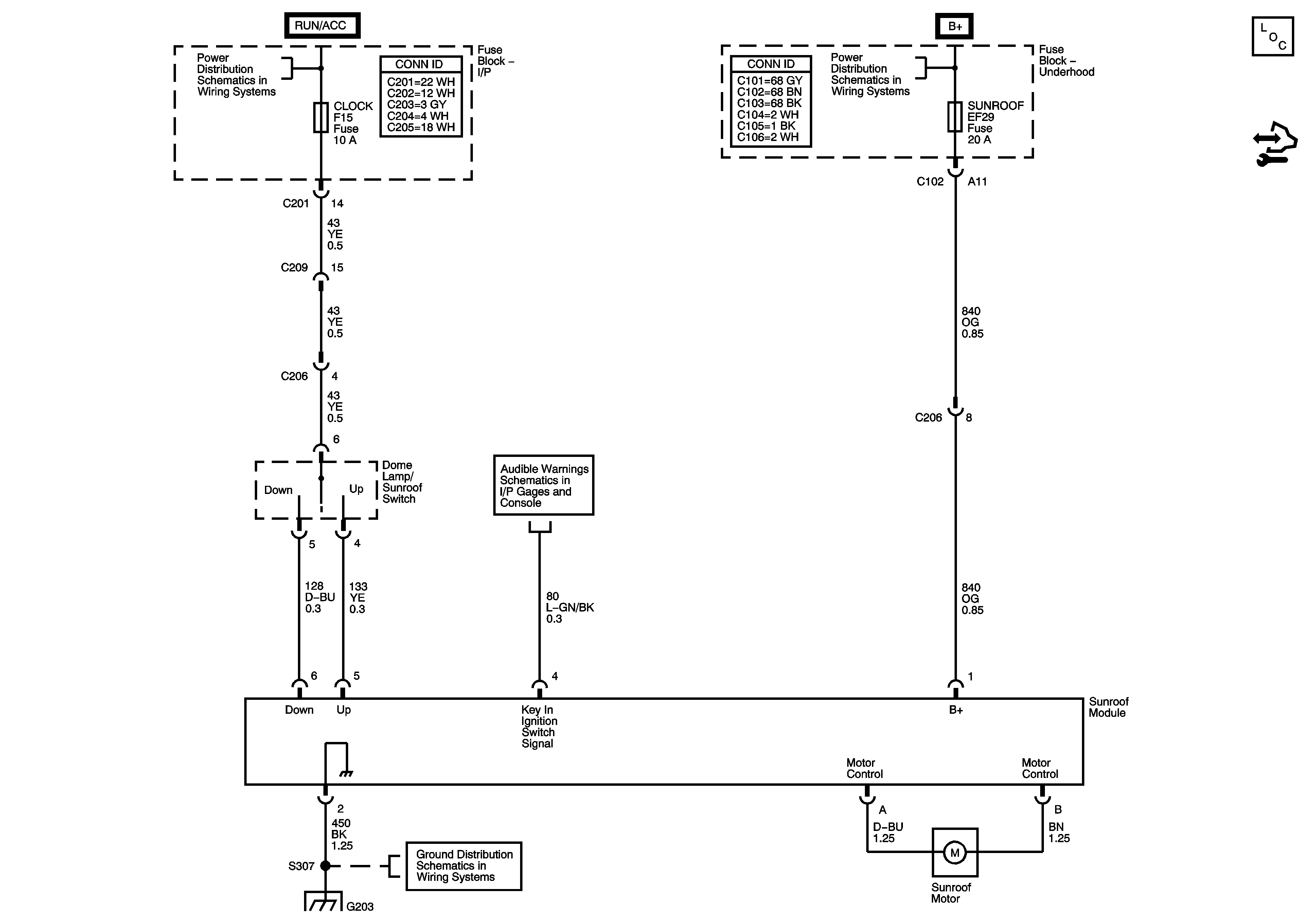
🢒 Sunroof Schematics
Master Electrical Component List
IGN 1, Fuse, Ignition Switch, I/P Fuse Block, - LTR, HTD SEAT, CLK, RADIO, AIR BAG, BCK/UP, CRUISE, ECM Fuses
HVAC, BLWR, S/ROOF, PWR SEAT Fuses
Audible Warnings Schematics
G203, S307
G203, S307