GM Service Manual Online
For 1990-2009 cars only
Makes
🢒
Chevrolet
🢒
2006
🢒
Epica
🢒
Body
🢒
Seats
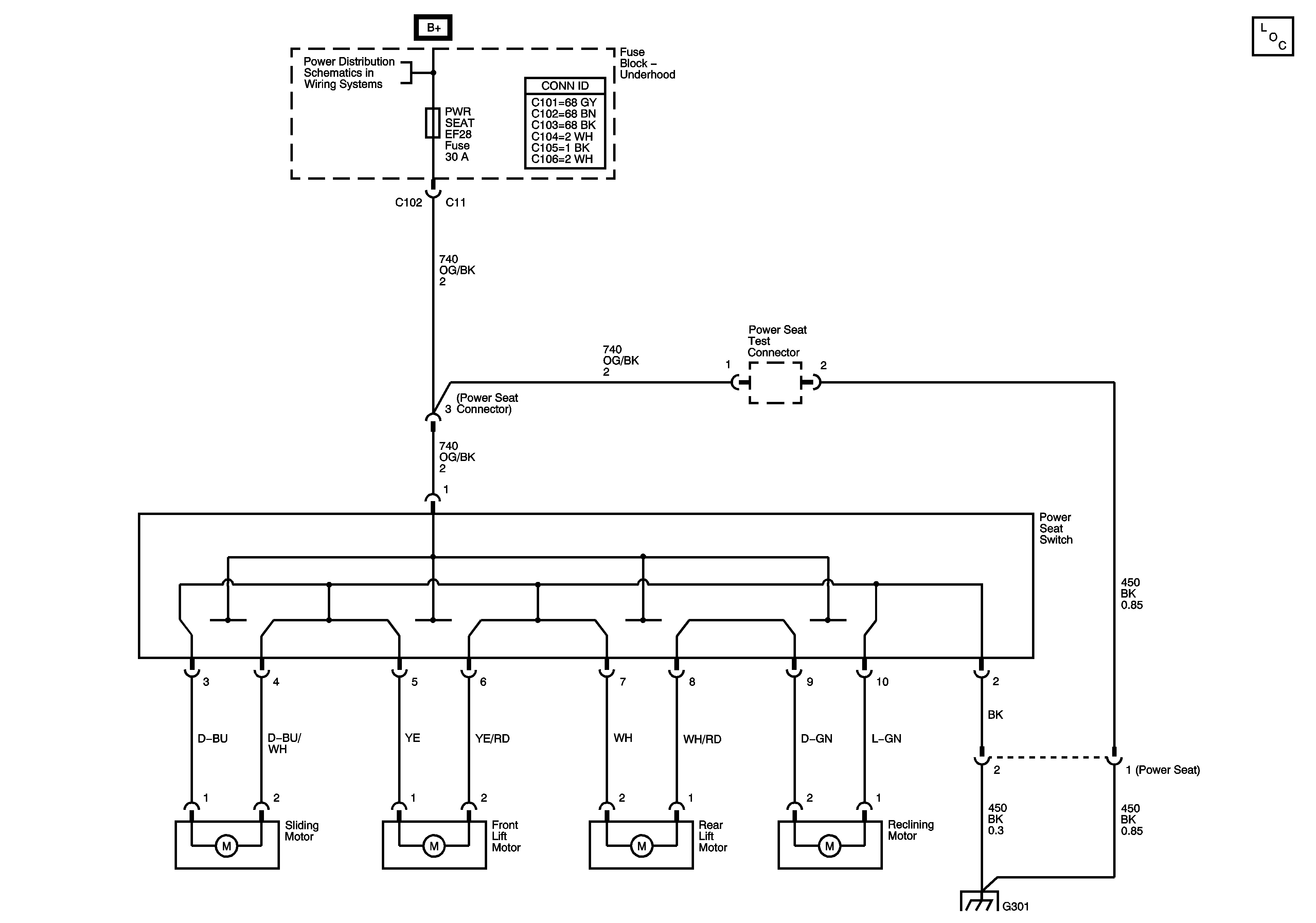
🢒 Power Seats Schematics
Master Electrical Component List
HVAC, BLWR, S/ROOF, PWR SEAT Fuses
G301