GM Service Manual Online
For 1990-2009 cars only
Makes
🢒
Chevrolet
🢒
2006
🢒
Epica
🢒
Accessories
🢒
Entertainment
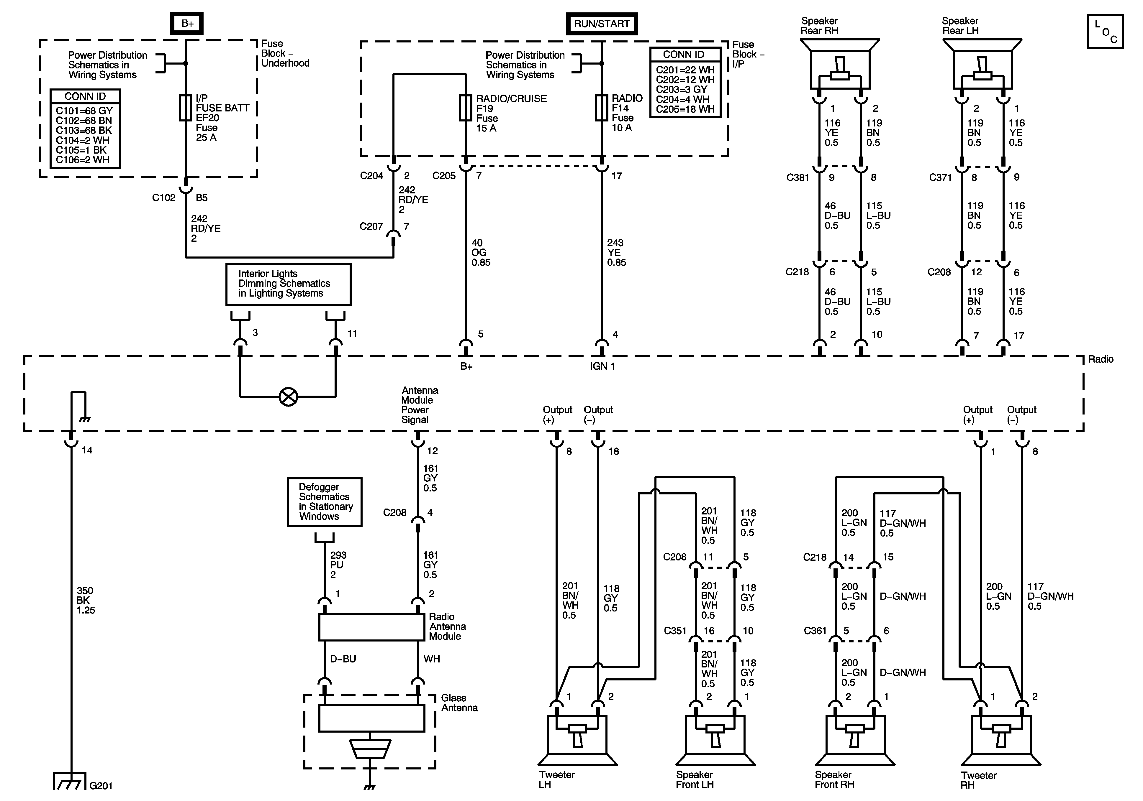
🢒 Radio/Audio System Schematics
Master Electrical Component List
A/C, IP BATT Fuses, I/P Fuse Block, RADIO, CRUISE, AUTO A/C CLSTR, DLC Fuses
IGN 1, Fuse, Ignition Switch, I/P Fuse Block, - LTR, HTD SEAT, CLK, RADIO, AIR BAG, BCK/UP, CRUISE, ECM Fuses
Interior Lights Dimming Schematics
Defogger Schematics
G201, G202, SP203