GM Service Manual Online
For 1990-2009 cars only
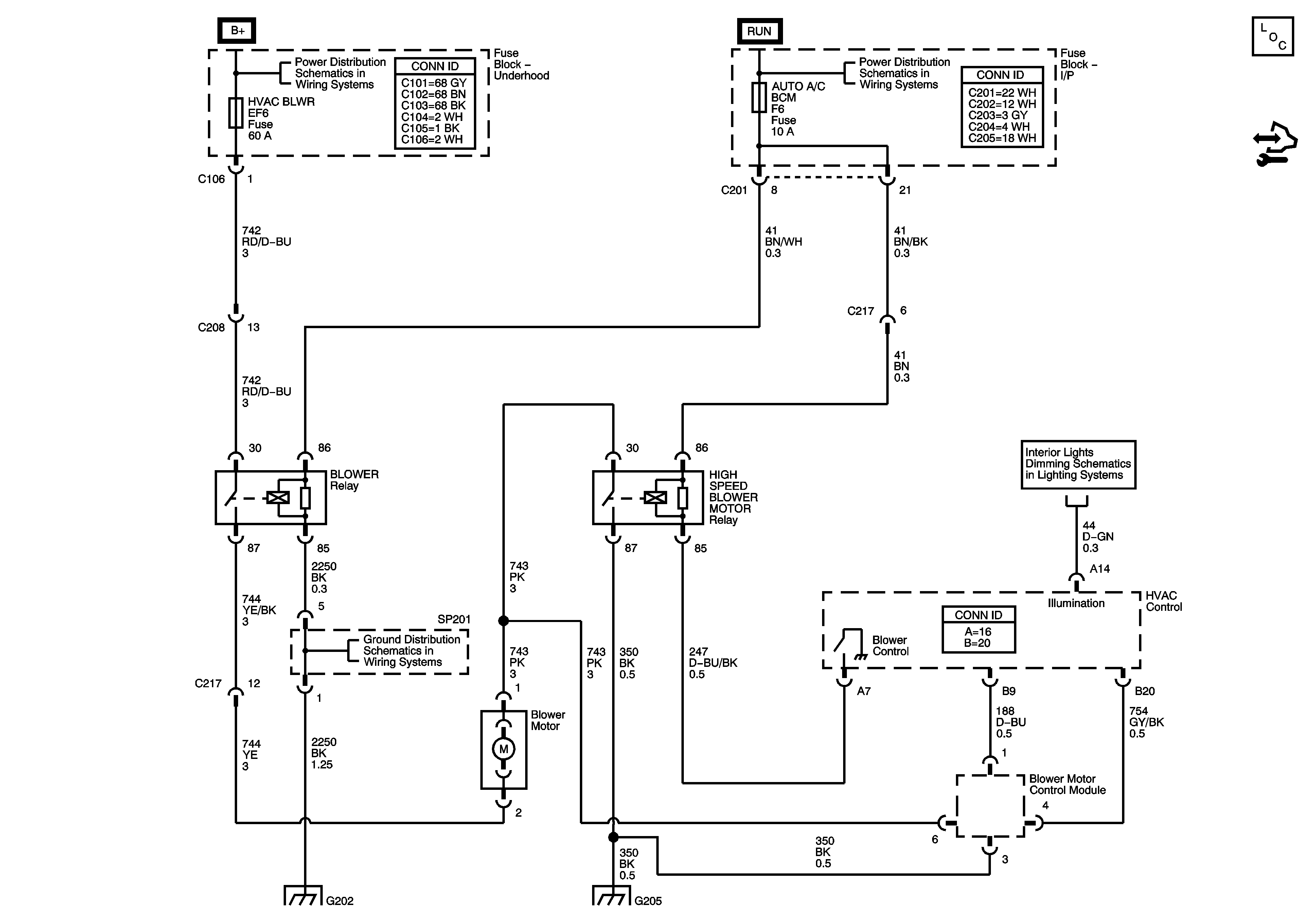
Figure 1:

Blower Controls


Object Number: 1685609  Size: FS
Master Electrical Component List
HVAC, BLWR, S/ROOF, PWR SEAT Fuses
IGN 2 Fuse, Ignition Switch, I/P Fuse Block - AUTO A/C BCM, HVAC EPS, TPMS, ABS, HTD MIR FusesIGN 2 Fuse, Ignition Switch, I/P Fuse Block - AUTO A/C BCM, HVAC EPS, TPMS, ABS, HTD MIR Fuses
G201, G202, SP203
Interior Lights Dimming Schematics
G202, SP201
G205 (C68), G205 (C60)
Figure 2:

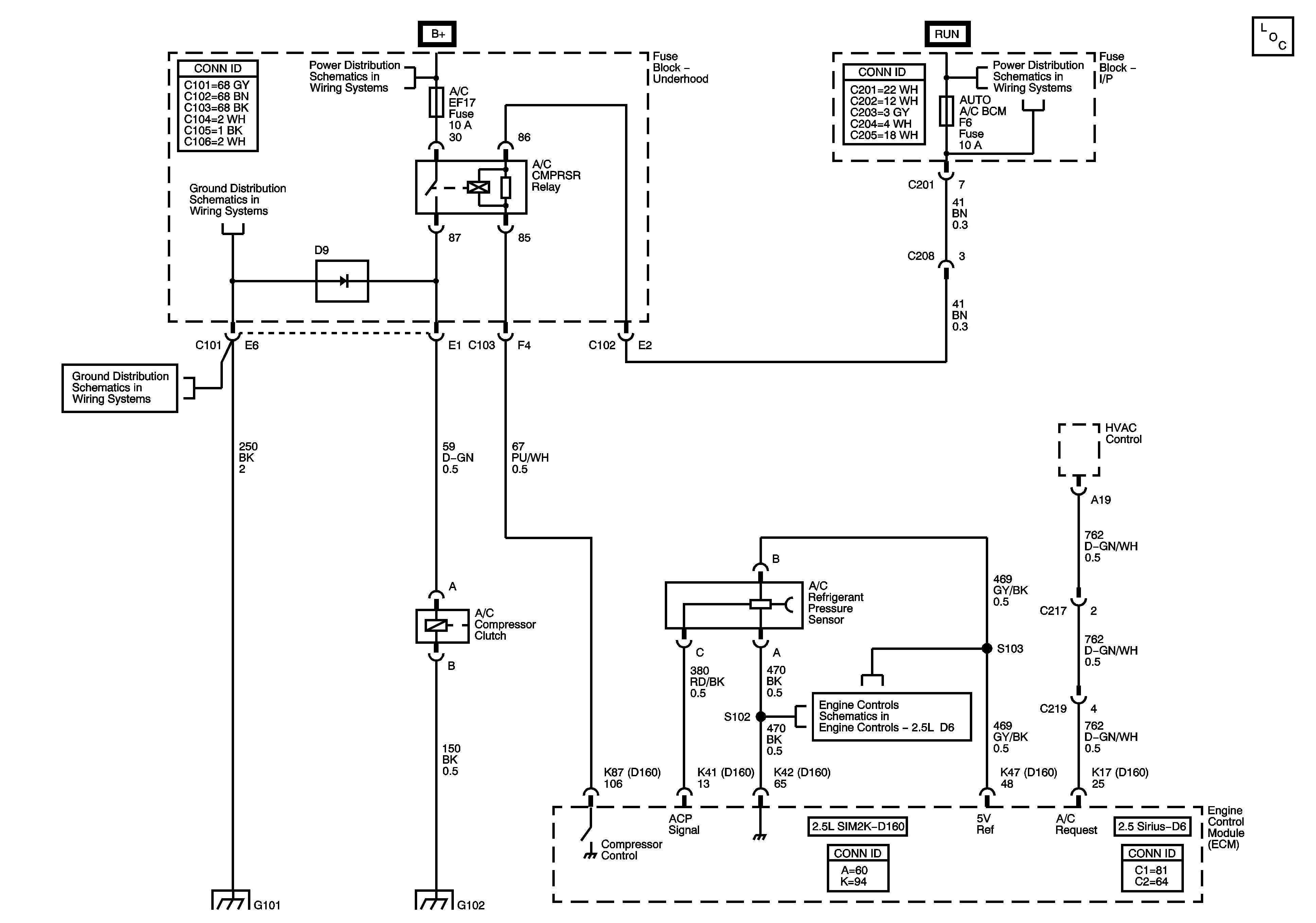
Compressor Controls (2.5L)


Object Number: 1692678  Size: FS
Master Electrical Component List
A/C, IP BATT Fuses, I/P Fuse Block, RADIO, CRUISE, AUTO A/C CLSTR, DLC Fuses
IGN 2 Fuse, Ignition Switch, I/P Fuse Block - AUTO A/C BCM, HVAC EPS, TPMS, ABS, HTD MIR FusesIGN 2 Fuse, Ignition Switch, I/P Fuse Block - AUTO A/C BCM, HVAC EPS, TPMS, ABS, HTD MIR Fuses
G101
ECM Power and Ground, Serial Data, Malfunction Indicator Control
G101
G102
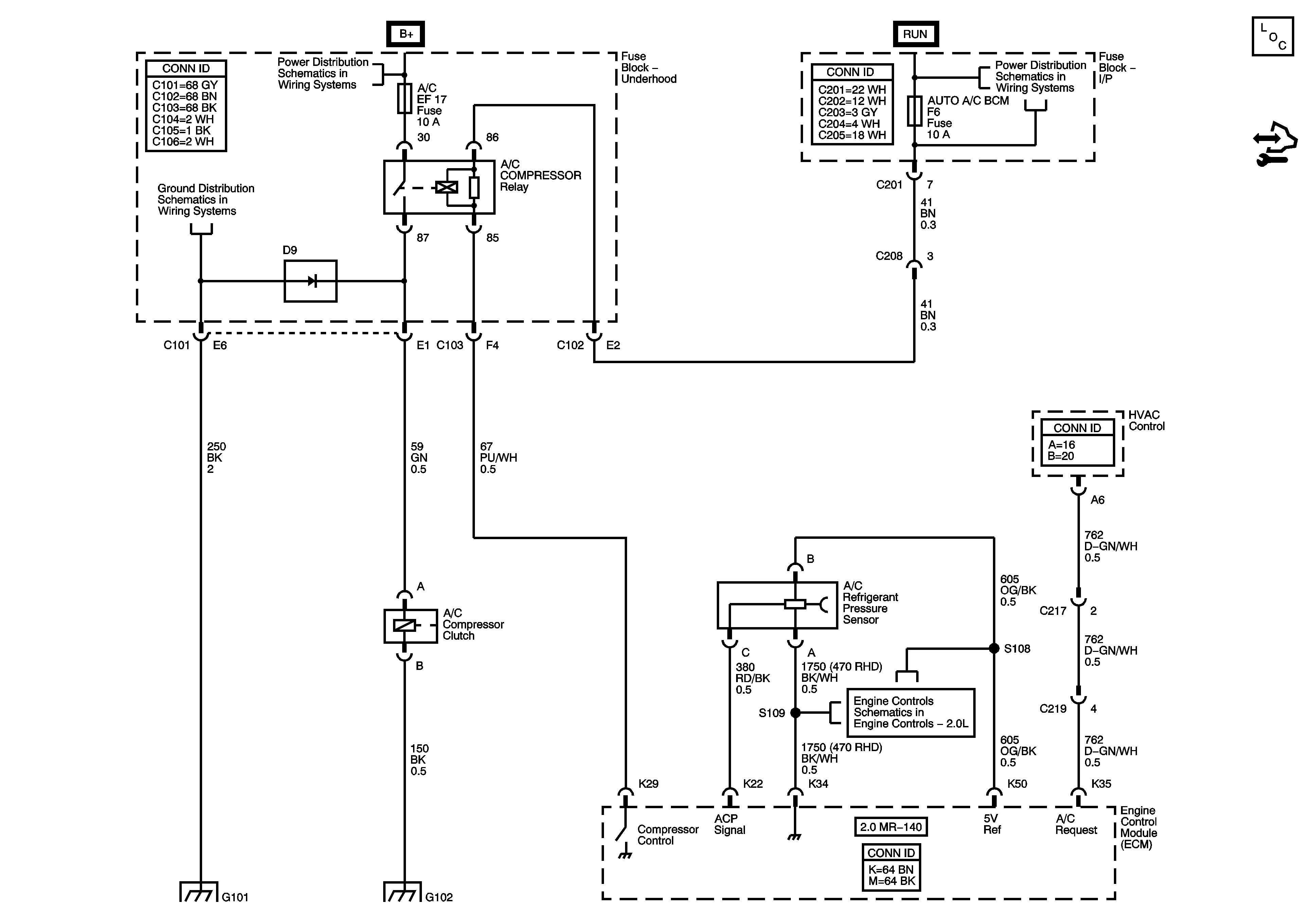
Figure 3:

Compressor Controls (2.0L MR 140)


Object Number: 1685610  Size: FS
Master Electrical Component List
A/C, IP BATT Fuses, I/P Fuse Block, RADIO, CRUISE, AUTO A/C CLSTR, DLC Fuses
IGN 2 Fuse, Ignition Switch, I/P Fuse Block - AUTO A/C BCM, HVAC EPS, TPMS, ABS, HTD MIR FusesIGN 2 Fuse, Ignition Switch, I/P Fuse Block - AUTO A/C BCM, HVAC EPS, TPMS, ABS, HTD MIR Fuses
G101
ECT, TP, MAP, IAT Sensors
G101
G102
Figure 4:

Compressor Controls (2.0L ITMS-6F)


Object Number: 1461126  Size: FS
Master Electrical Component List
A/C, IP BATT Fuses, I/P Fuse Block, RADIO, CRUISE, AUTO A/C CLSTR, DLC Fuses
IGN 2 Fuse, Ignition Switch, I/P Fuse Block - AUTO A/C BCM, HVAC EPS, TPMS, ABS, HTD MIR FusesIGN 2 Fuse, Ignition Switch, I/P Fuse Block - AUTO A/C BCM, HVAC EPS, TPMS, ABS, HTD MIR Fuses
G101
ECT, TP, MAP, IAT Sensors
G101
G102
Figure 5:

Air Delivery and Temperature Controls


Object Number: 1685611  Size: FS
Master Electrical Component List
A/C, IP BATT Fuses, I/P Fuse Block, RADIO, CRUISE, AUTO A/C CLSTR, DLC Fuses
IGN 2 Fuse, Ignition Switch, I/P Fuse Block - AUTO A/C BCM, HVAC EPS, TPMS, ABS, HTD MIR FusesIGN 2 Fuse, Ignition Switch, I/P Fuse Block - AUTO A/C BCM, HVAC EPS, TPMS, ABS, HTD MIR Fuses
Transmission Control Module (TCM) Power, Ground, Serial Data, Hold Mode Indicator Control
Manual Transmission Schematics - ITMS-6F
Wipers/Washer Systems Schematics (North America)
G205 (C68), G205 (C60)