GM Service Manual Online
For 1990-2009 cars only
Makes
🢒
Chevrolet
🢒
2006
🢒
Epica
🢒 Engine Cooling Schematics
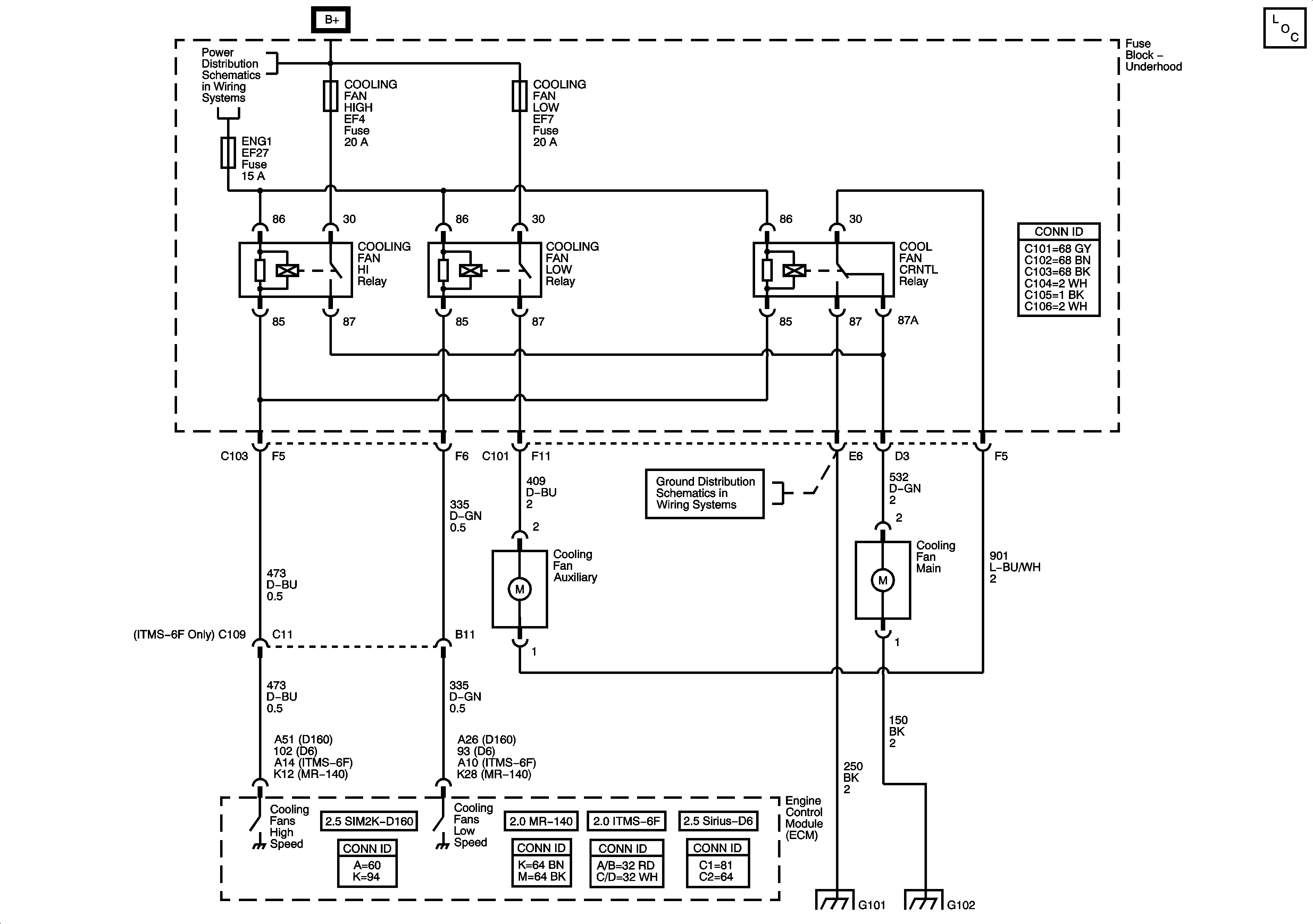
Engine Cooling Schematics
Master Electrical Component List
ENG 1, COOL FAN HIGH, COOL FAN LOW Fuses
G101
G101
G102