GM Service Manual Online
For 1990-2009 cars only
Makes
🢒
Chevrolet
🢒
2006
🢒
Epica
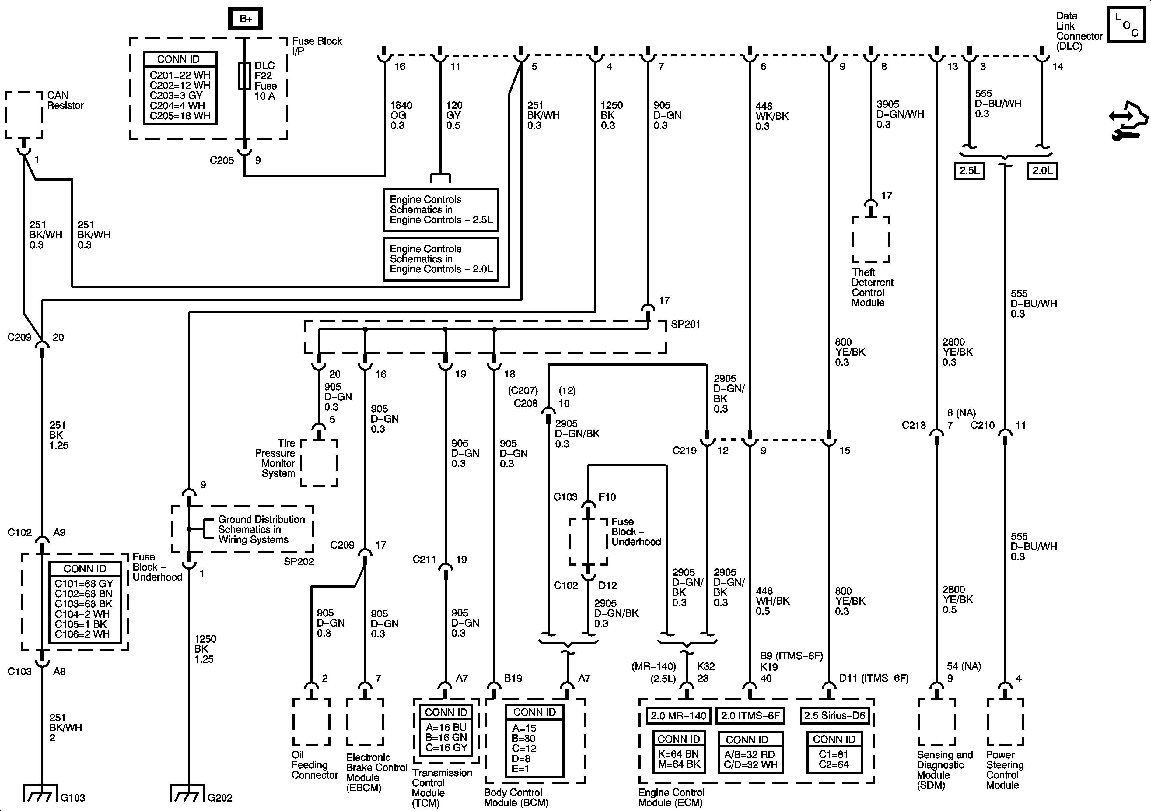
🢒 DLC Schematics
DLC Schematics
Master Electrical Component List
ECM Power and Ground, Serial Data, Malfunction Indicator Control
ECM Power and Ground, Serial Data, Malfunction Indicator Control
G202, SP202
G202, SP202
G103 (2.0L MR140)