GM Service Manual Online
For 1990-2009 cars only
Makes
🢒
Chevrolet
🢒
2006
🢒
Epica
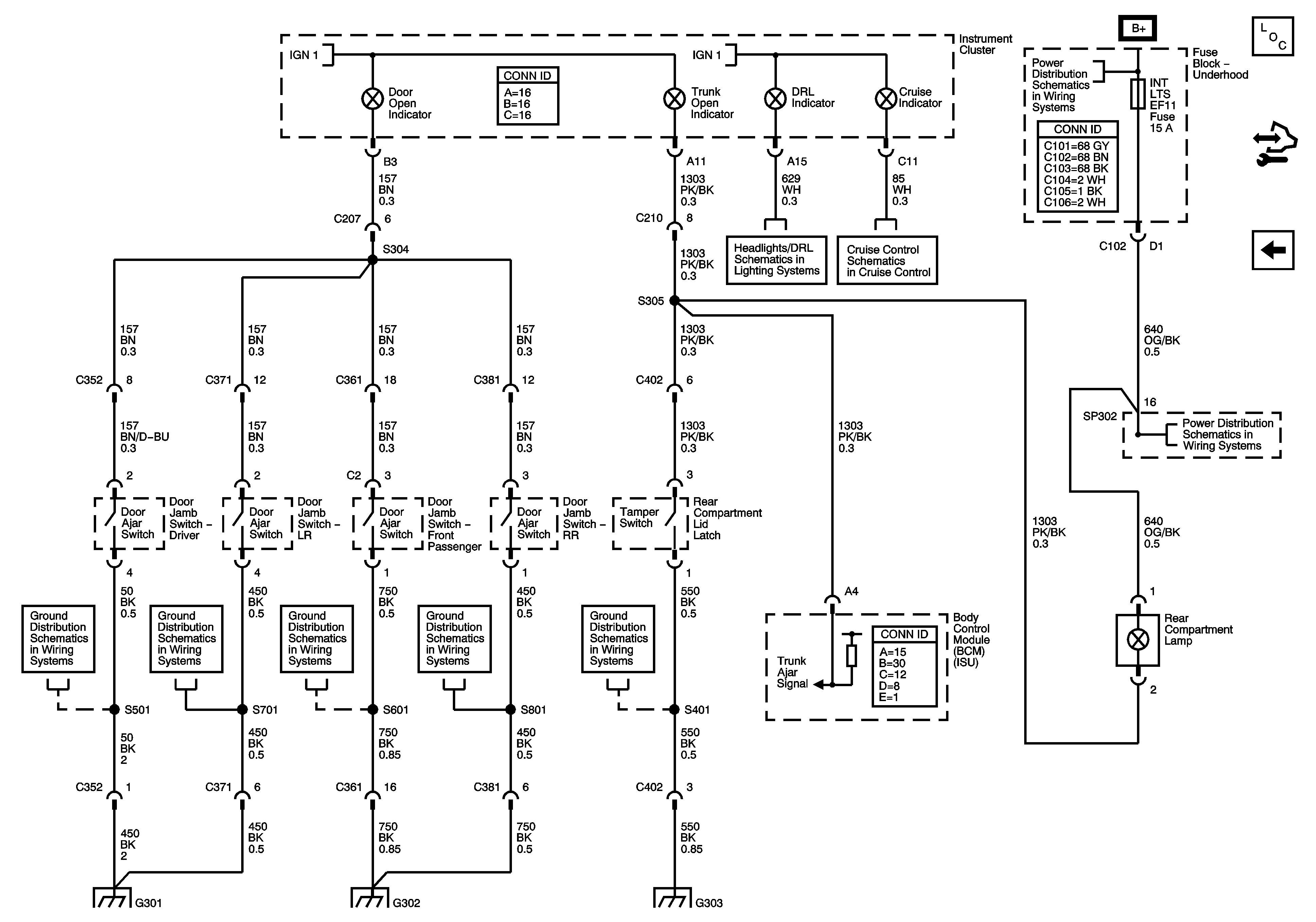
🢒 Door Open, Trunk Open, DRL, Cruise Indicators
Door Open, Trunk Open, DRL, Cruise Indicators
Door Open, Trunk Open, DRL, Cruise Indicators
Master Electrical Component List
TPM, ABS, TCS, Brake, Charge, Seat Belt, SIR, Oil Pressure, High Beam Indicators
Daytime Running Lamps (DRL) (North America)
Cruise Control Schematics
INT LTS, FRT DEFOG Fuses
G301
G301
G302
G302
G303
INT LTS, FRT DEFOG Fuses
G301
G302
G303