GM Service Manual Online
For 1990-2009 cars only
Makes
🢒
Chevrolet
🢒
2006
🢒
Epica
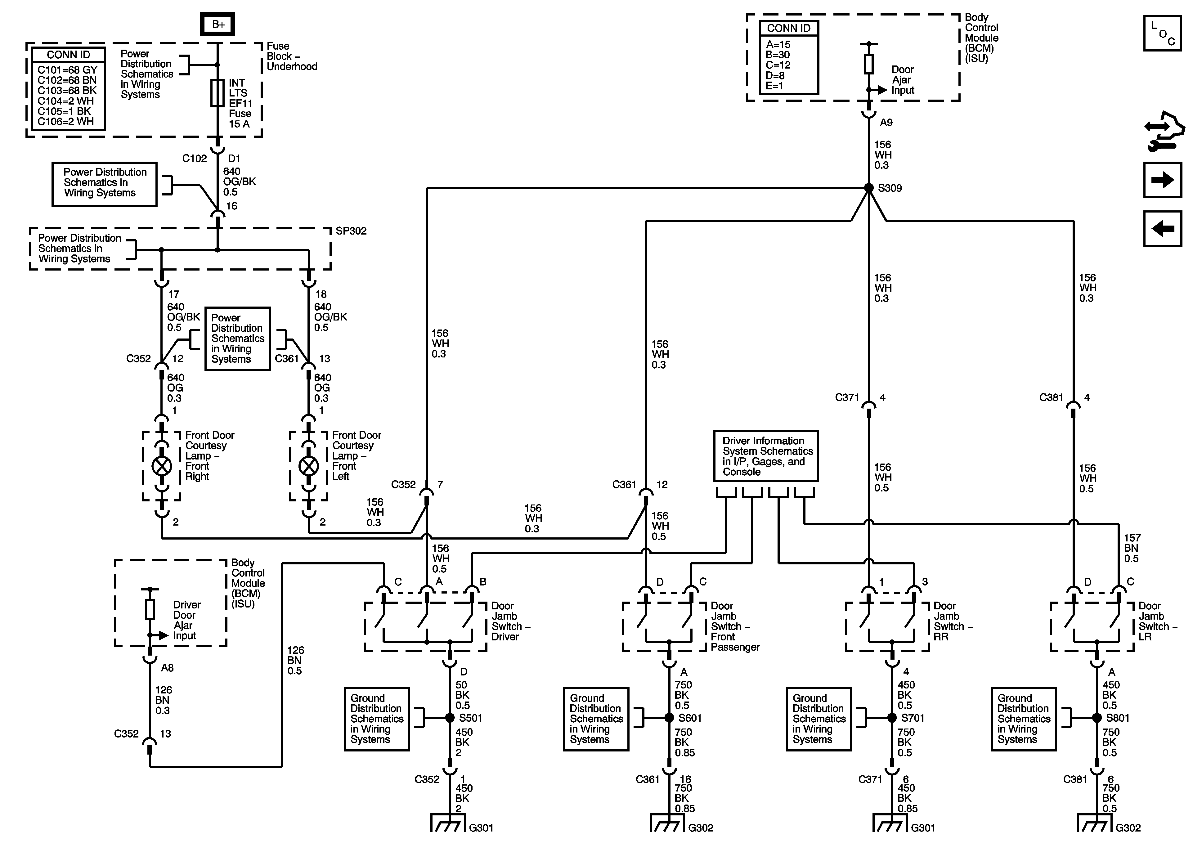
🢒 Door Courtesy Lamps and Door Jamb switches
Door Courtesy Lamps and Door Jamb switches
Door Courtesy Lamps and Door Jamb Switches
Master Electrical Component List
Rear Compartment Lamp
I/P Compartment, Roof Courtesy Lamps
INT LTS, FRT DEFOG Fuses
INT LTS, FRT DEFOG Fuses
INT LTS, FRT DEFOG Fuses
INT LTS, FRT DEFOG Fuses
G301
G302
G301
G302
G301
G302
G301
G302