GM Service Manual Online
For 1990-2009 cars only
Makes
🢒
Chevrolet
🢒
2006
🢒
Epica
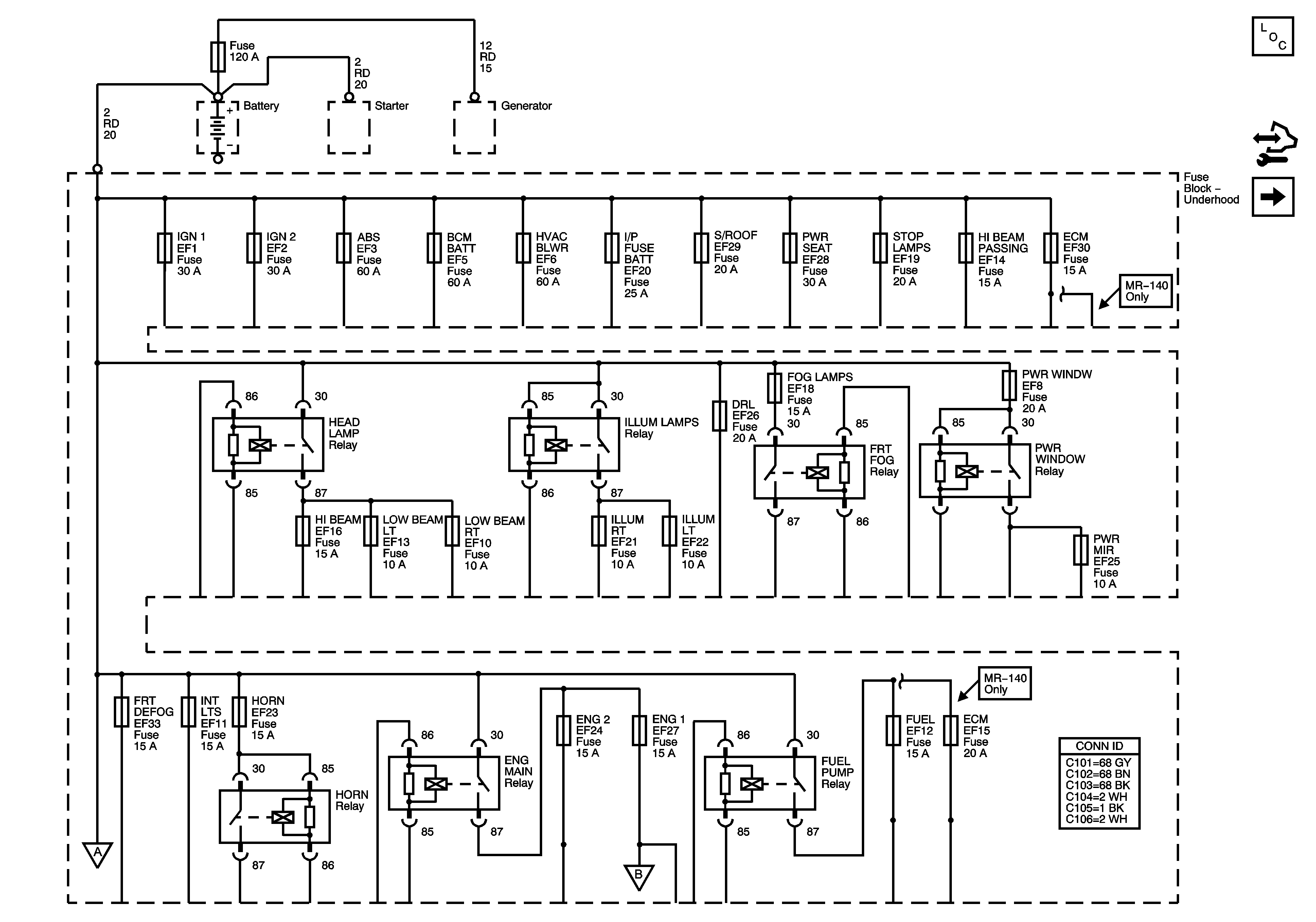
🢒 Fuse Block - Underhood Bussing (1 of 2)
Fuse Block - Underhood Bussing (1 of 2)
Fuse Block - Underhood Bussing (1 of 2)
Master Electrical Component List
Fuse Block - Underhood Bussing (2 of 2)