GM Service Manual Online
For 1990-2009 cars only
Makes
🢒
Chevrolet
🢒
2006
🢒
Epica
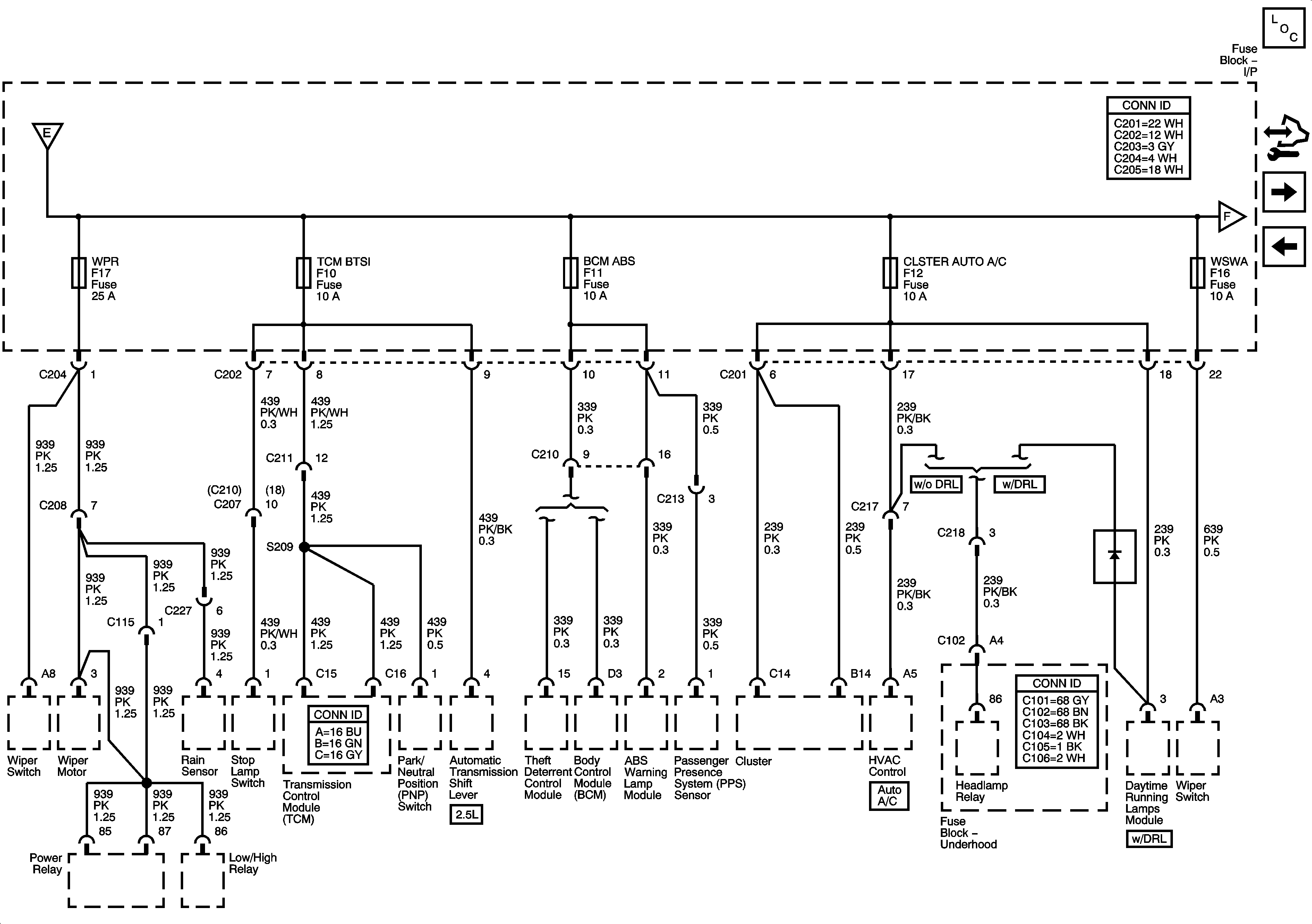
🢒 WPR, TCM BTSI, BCM ABS, CLSTR AUTO A/C, WSWA Fuses
WPR, TCM BTSI, BCM ABS, CLSTR AUTO A/C, WSWA Fuses
WPR, TCM BTSI, BCM ABS, CLSTR AUTO A/C, WSWA Fuses
Master Electrical Component List
IGN 2 Fuse, Ignition Switch, I/P Fuse Block - AUTO A/C BCM, HVAC EPS, TPMS, ABS, HTD MIR FusesIGN 2 Fuse, Ignition Switch, I/P Fuse Block - AUTO A/C BCM, HVAC EPS, TPMS, ABS, HTD MIR Fuses
IGN 1, Fuse, Ignition Switch, I/P Fuse Block, - LTR, HTD SEAT, CLK, RADIO, AIR BAG, BCK/UP, CRUISE, ECM Fuses