GM Service Manual Online
For 1990-2009 cars only
Makes
🢒
Chevrolet
🢒
2006
🢒
Epica
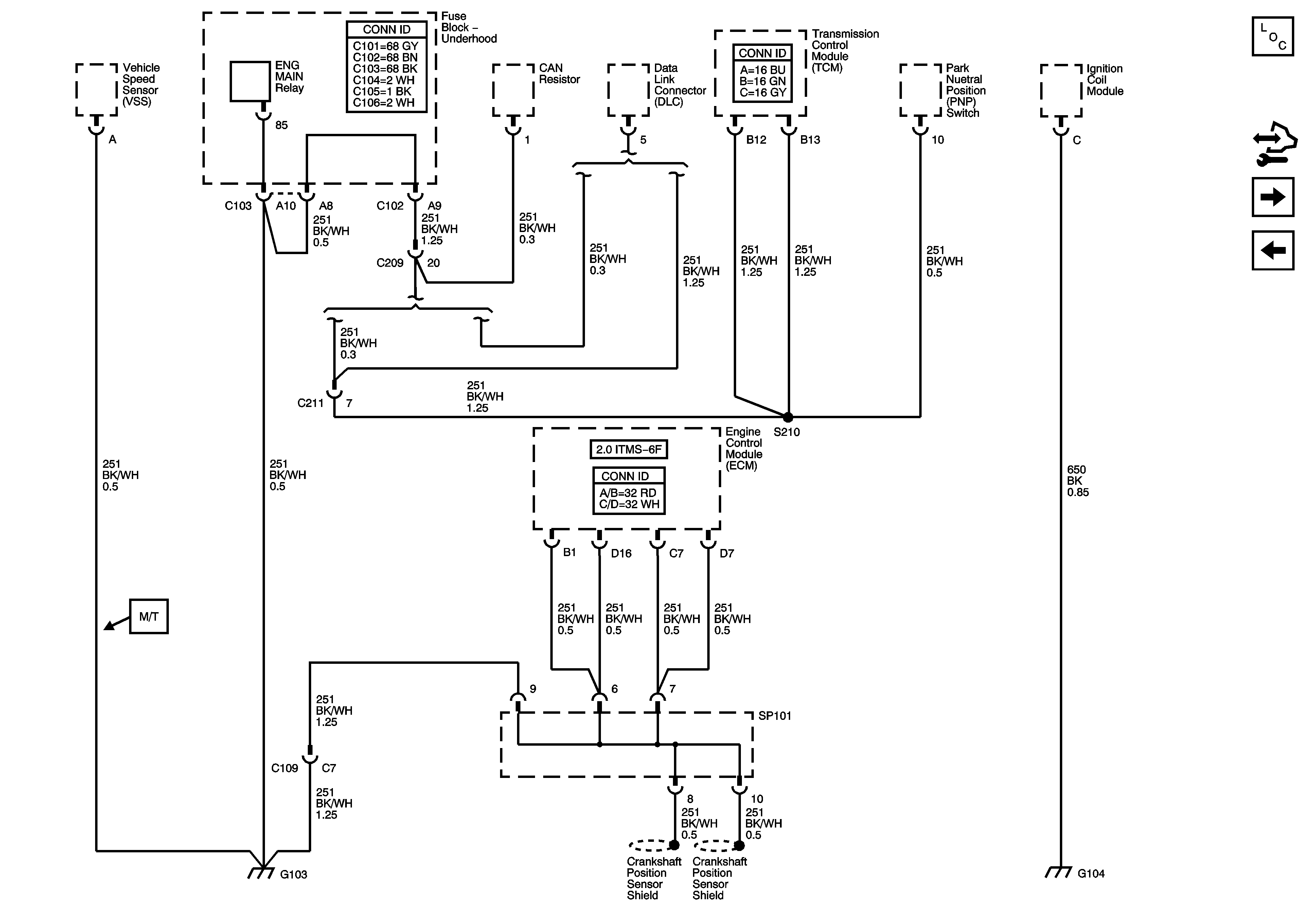
🢒 G103 and G104 (2.0L ITMS-6F)
G103 and G104 (2.0L ITMS-6F)
G103 and G104 (2.0L ITMS-6F)
Master Electrical Component List
G103 (2.5L)
G103 (2.0L MR140)