GM Service Manual Online
For 1990-2009 cars only
Makes
🢒
Chevrolet
🢒
2007
🢒
Epica
🢒
Engine
🢒
Cruise Control
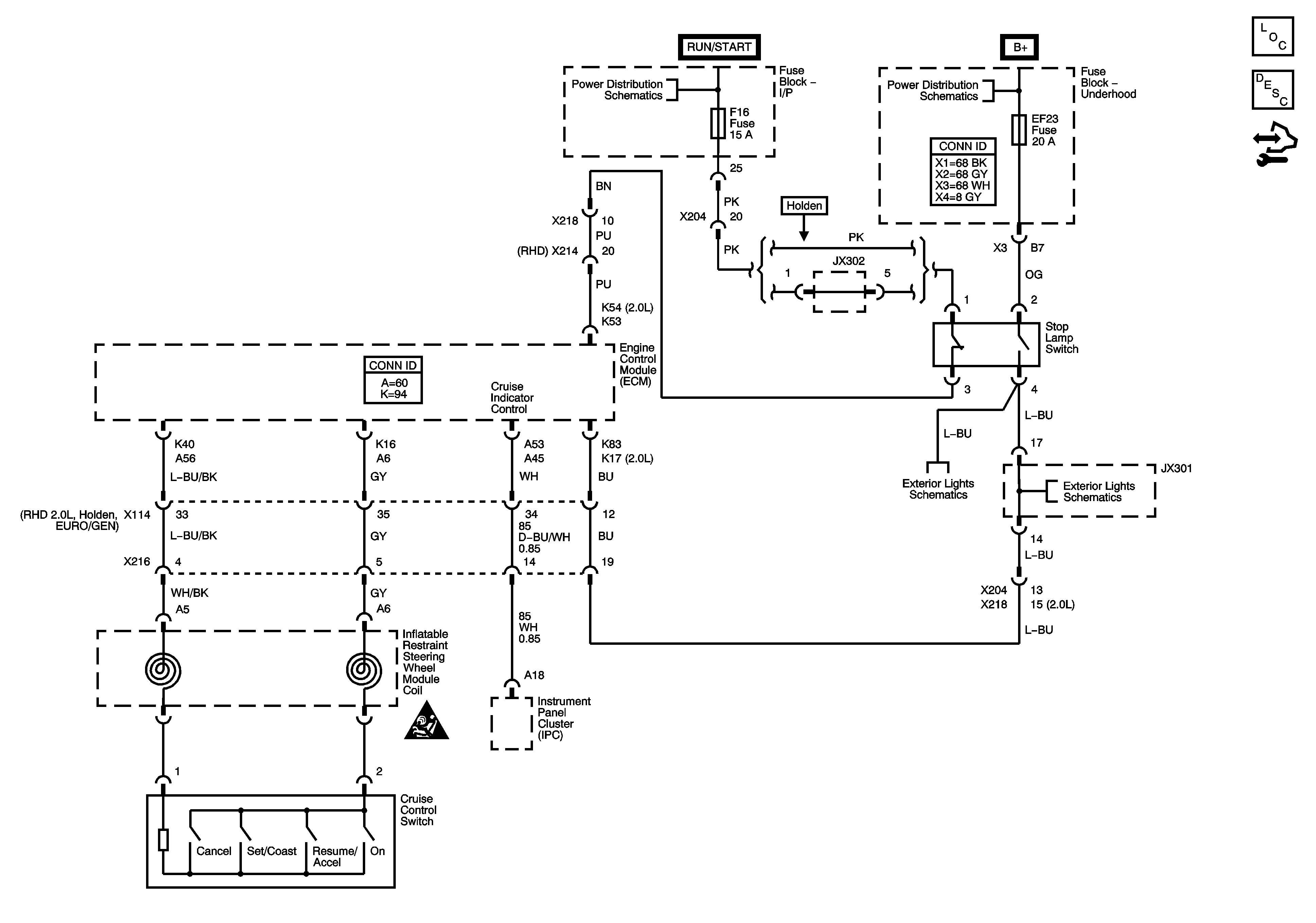
🢒 Cruise Control Schematics
Master Electrical Component List
Cruise Control Description and Operation
Control Module References
EF8, EF4 Fuses, Ignition Switch, F1, F2, F3, F4, F5, F6, F7, F10, F11, F12, F13, F14, F16, F17, F18, F20, F21, F23 Fuses
EF17, EF21, EF23, EF35, EF36, EF37 Fuses
Park Lamps
Park Lamps
SIR Caution for Zoning