GM Service Manual Online
For 1990-2009 cars only
Figure 1:

Engine Control Module (ECM) Power, Ground, Serial Data, MIL


Object Number: 1864711  Size: FS
Master Electrical Component List
Control Module References
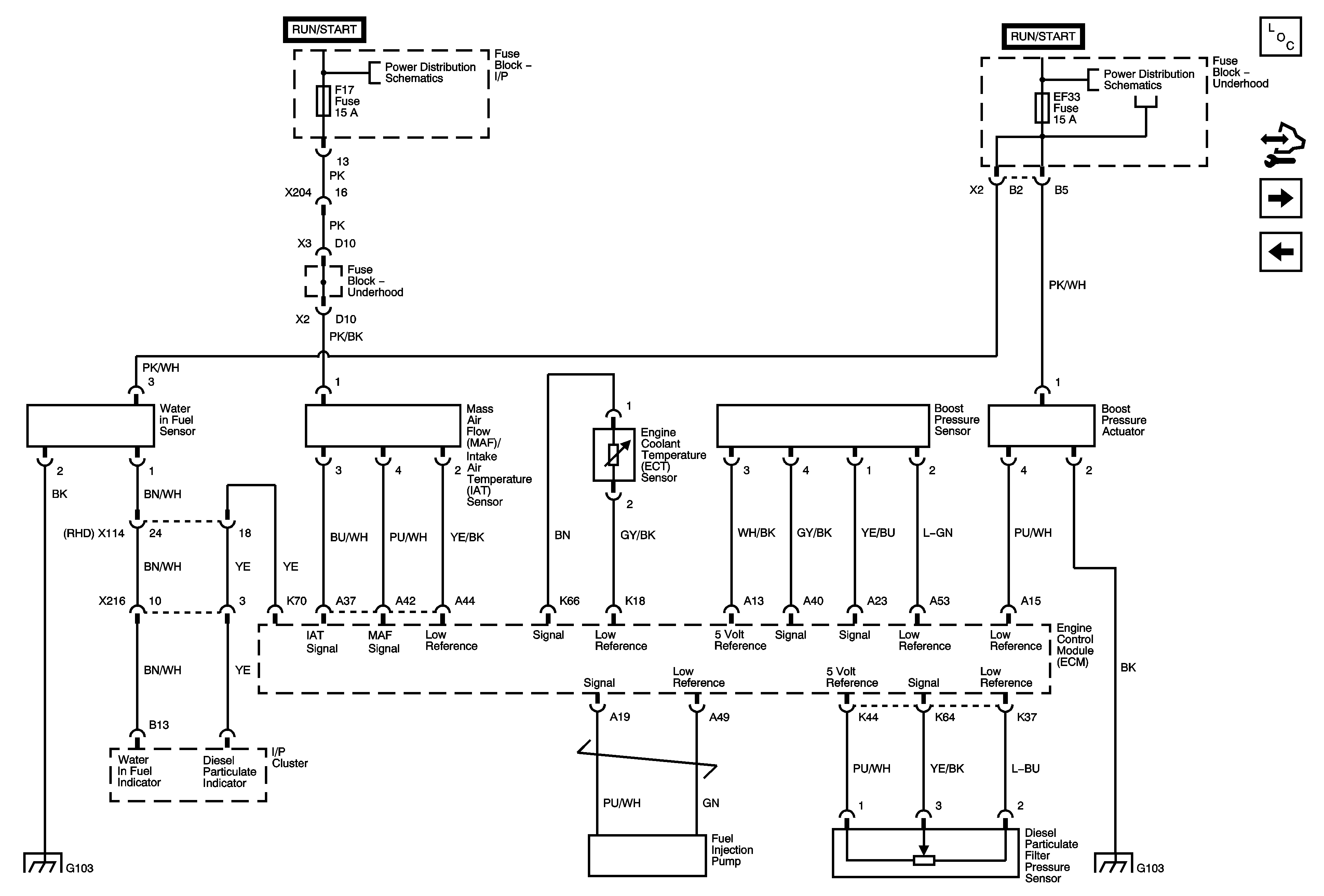
Water in Fuel, MAF, ECT, IAT, Boost Pressure, Diesel Particulate Filter Sensors, Fuel Injuection Pump, Boost Pressure Actuator
Alternator, EF1, EF3, EF5, EF18, EF19, EF27, EF30, EF33 Fuses
Alternator, EF1, EF3, EF5, EF18, EF19, EF27, EF30, EF33 Fuses
Alternator, EF1, EF3, EF5, EF18, EF19, EF27, EF30, EF33 Fuses
Power, Ground and Gages
DLC Schematics
G103, G105, G201
Figure 2:

Water in Fuel, MAF, ECT, IAT, Boost Pressure, Diesel Particulate FilterMAP, Rough Road Wheel Speed Sensors


Object Number: 1864713  Size: FS
Master Electrical Component List
Control Module References
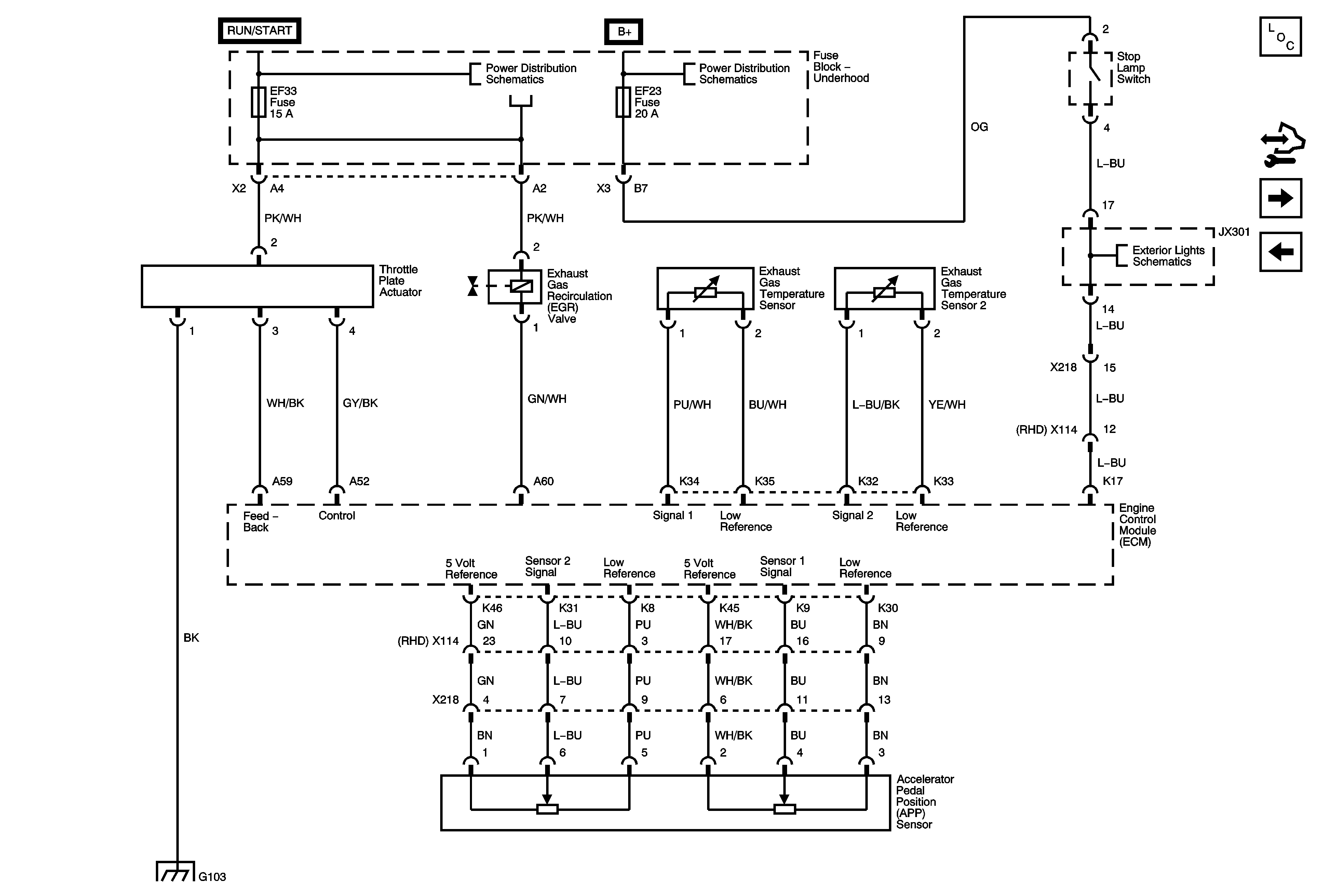
Throttle Plate Actuator, APP Sensor, EGR Valve, Exhaust Gas Temperature Sensors
ECM Power and Ground, Serial Data, Malfunction Indicator Control
Alternator, EF1, EF3, EF5, EF18, EF19, EF27, EF30, EF33 Fuses
Alternator, EF1, EF3, EF5, EF18, EF19, EF27, EF30, EF33 Fuses
G103, G105, G201
G103, G105, G201
Figure 3:

Throttle Plate Actuator, APP Sensor, EGR Valve, Exhaust Gas Temperature Sensors


Object Number: 1864714  Size: FS
Master Electrical Component List
Control Module References
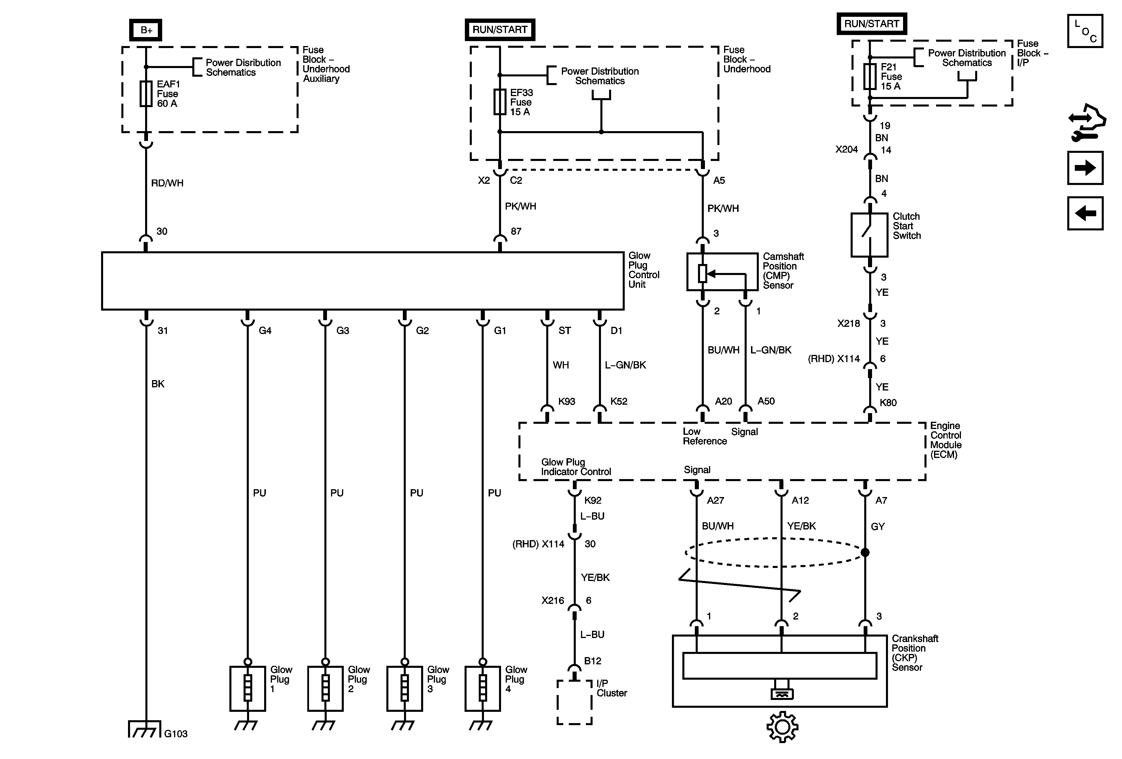
Glow Plug Control, CKP, CMP Sensors, Clutch Start Switch
Water in Fuel, MAF, ECT, IAT, Boost Pressure, Diesel Particulate Filter Sensors, Fuel Injuection Pump, Boost Pressure Actuator
Alternator, EF1, EF3, EF5, EF18, EF19, EF27, EF30, EF33 Fuses
Alternator, EF1, EF3, EF5, EF18, EF19, EF27, EF30, EF33 Fuses
Park Lamps
G103, G105, G201
Figure 4:

Glow Plug Control, CMP, CKP Sensors, Clutch Start Switch


Object Number: 1864716  Size: FS
Master Electrical Component List
Control Module References
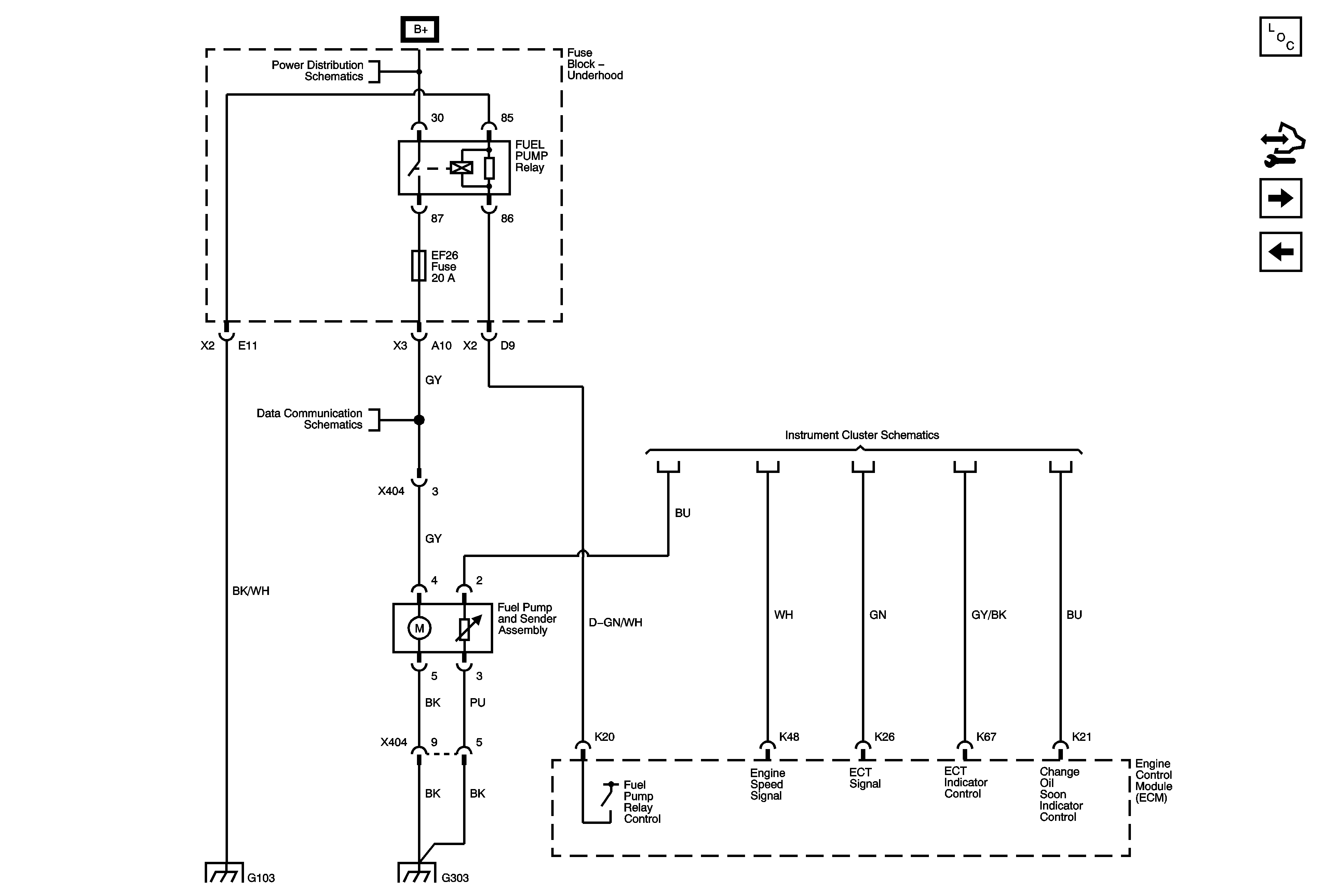
Fuel Pump
Throttle Plate Actuator, APP Sensor, EGR Valve, Exhaust Gas Temperature Sensors
Alternator, EF1, EF3, EF5, EF18, EF19, EF27, EF30, EF33 Fuses
Alternator, EF1, EF3, EF5, EF18, EF19, EF27, EF30, EF33 Fuses
Alternator, EF1, EF3, EF5, EF18, EF19, EF27, EF30, EF33 Fuses
G103, G105, G201
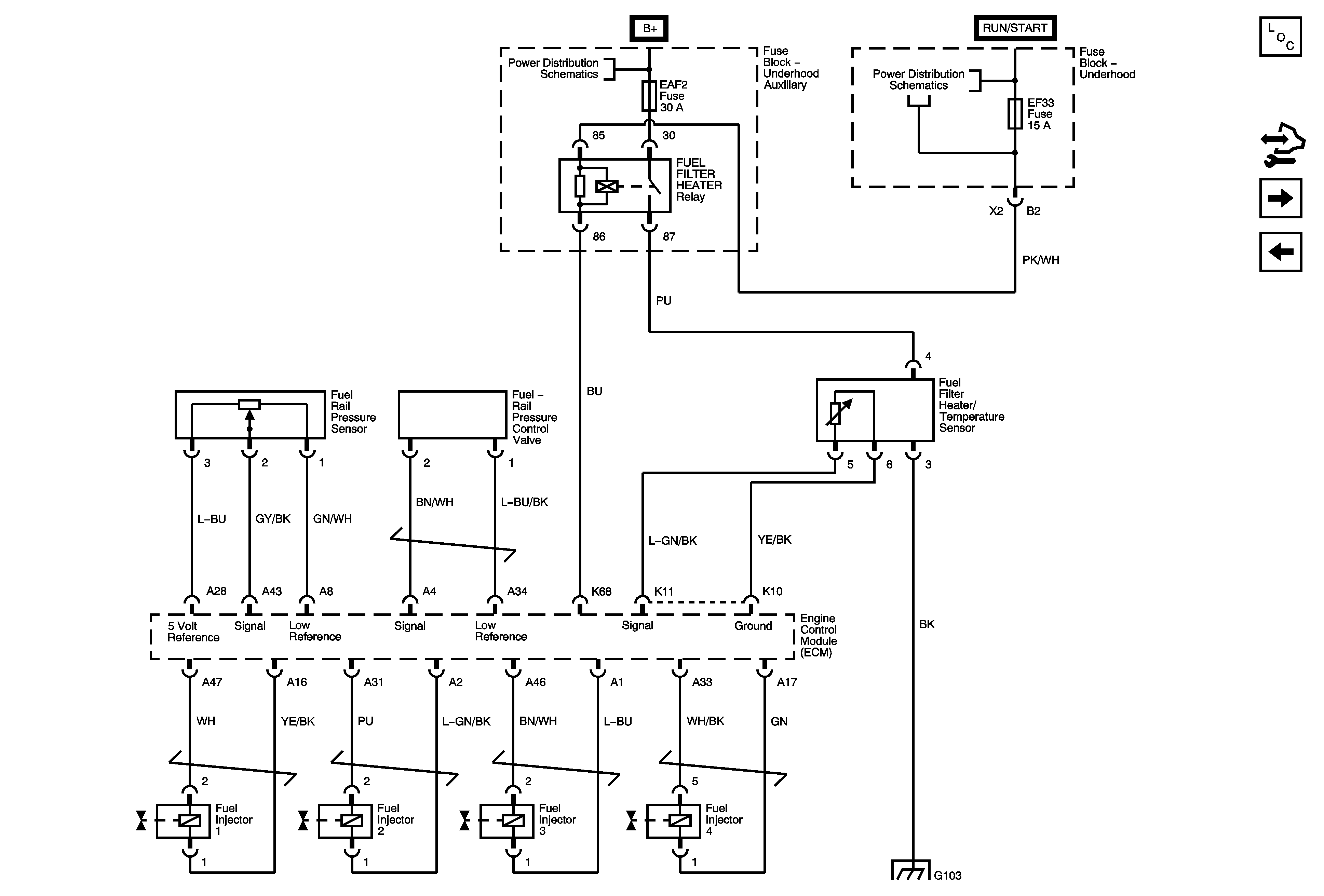
Figure 5:

Fuel Pump


Object Number: 1864717  Size: FS
Master Electrical Component List
Control Module References
Fuel Rail Pressor Sensor and Control Valve, Fuel Filter Heater and Temperature Sensor, Fuel Injectors
Glow Plug Control, CKP, CMP Sensors, Clutch Start Switch
Alternator, EF1, EF3, EF5, EF18, EF19, EF27, EF30, EF33 Fuses
DLC Schematics
Power, Ground and Gages
G103, G105, G201
G303
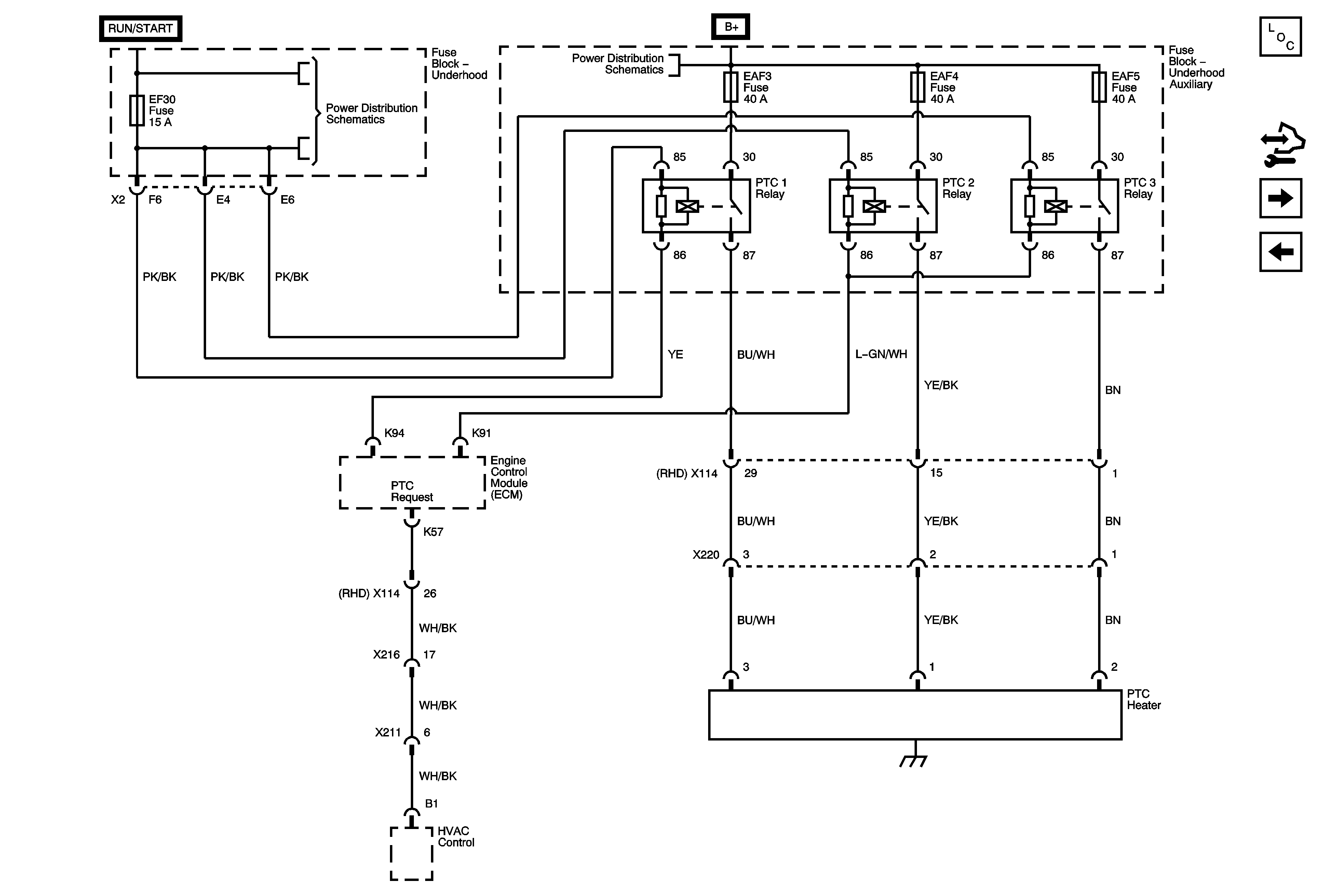
Figure 6:

Fuel Rail Pressure Sensor and Control Valve, Fuel Filter Heater and Temperature Sensor, Fuel Injectors


Object Number: 1864719  Size: FS
Master Electrical Component List
Control Module References
PTC Heater
Fuel Pump
Alternator, EF1, EF3, EF5, EF18, EF19, EF27, EF30, EF33 Fuses
Alternator, EF1, EF3, EF5, EF18, EF19, EF27, EF30, EF33 Fuses
G103, G105, G201
Figure 7:

PTC Heater


Object Number: 1864720  Size: FS
Master Electrical Component List
Control Module References
Controlled/Monitored Subsystem References
Fuel Rail Pressor Sensor and Control Valve, Fuel Filter Heater and Temperature Sensor, Fuel Injectors
Alternator, EF1, EF3, EF5, EF18, EF19, EF27, EF30, EF33 Fuses
Alternator, EF1, EF3, EF5, EF18, EF19, EF27, EF30, EF33 Fuses
Figure 8:

Controlled/Monitored Subsystem References


Object Number: 1864721  Size: FS
Master Electrical Component List
Control Module References
PTC Heater
Charging System
Blower Controls
Blower Controls
Engine Cooling Schematics