GM Service Manual Online
For 1990-2009 cars only
Figure 1:

Radio Power and Ground, Steering Wheel Controls, Antenna


Object Number: 1861352  Size: FS
Master Electrical Component List
Speakers w/o Amp - LHD
SIR Schematic Icons
Alternator, EF1, EF3, EF5, EF18, EF19, EF27, EF30, EF33 Fuses
Interior Lights Dimming Control
SIR Schematic Icons
G103, G105, G201
Figure 2:

Speakers w/o Amp - LHD


Object Number: 1861358  Size: FS
Master Electrical Component List
Speakers w/o Amp - RHD
Radio Power and Ground, Steering Wheel Controls, Antenna
Figure 3:

Speakers w/o Amp - RHD


Object Number: 1865762  Size: FS
Master Electrical Component List
Speakers w/ Amp - LHD
Speakers w/o Amp - LHD
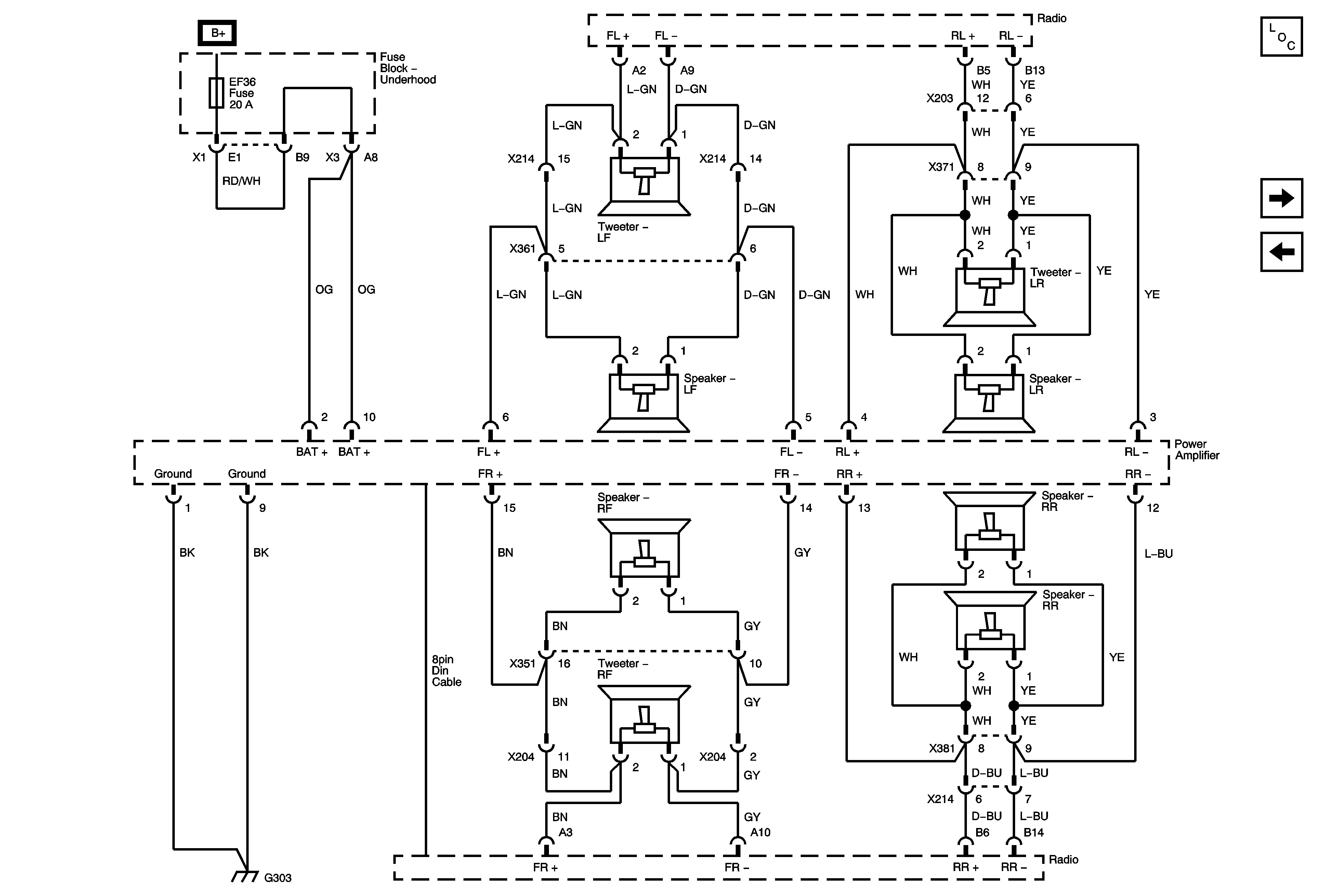
Figure 4:

Speakers w/ Amp - LHD


Object Number: 1861360  Size: FS
Master Electrical Component List
Speakers w/Amp - RHD
Speakers w/o Amp - RHD
G303
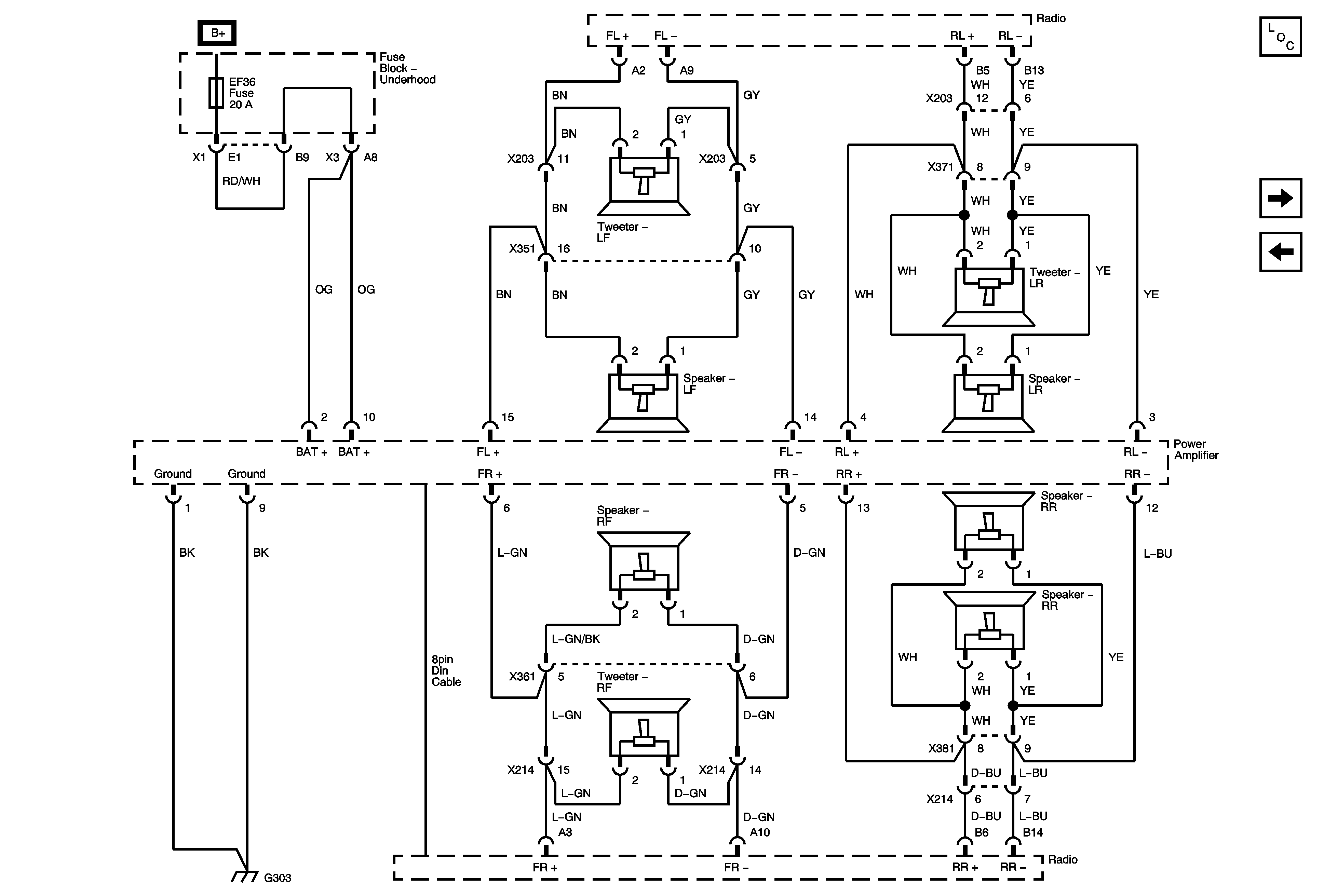
Figure 5:

Speakers w/ Amp - RHD


Object Number: 1865779  Size: FS
Master Electrical Component List
Subwoofer
Speakers w/ Amp - LHD
G303
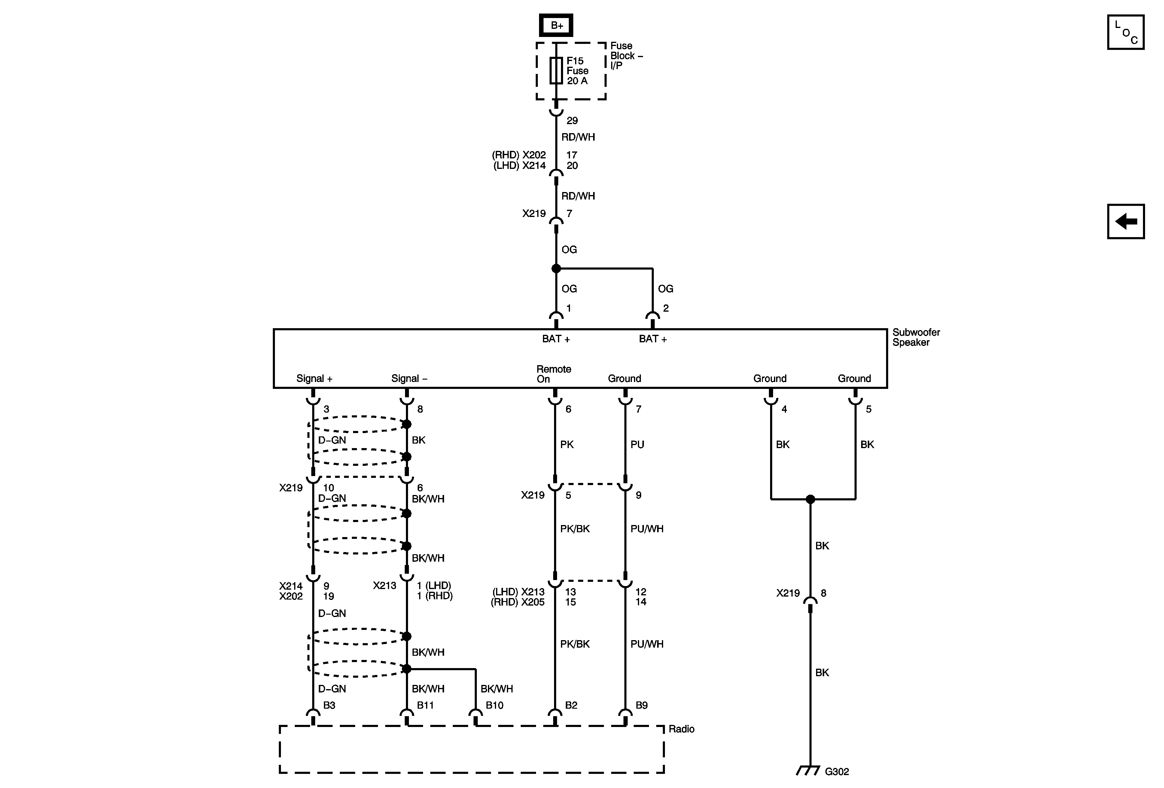
Figure 6:

Subwoofer


Object Number: 1861361  Size: FS
Master Electrical Component List
Speakers w/Amp - RHD