GM Service Manual Online
For 1990-2009 cars only
Makes
🢒
Chevrolet
🢒
2007
🢒
Epica
🢒
Driver Information and Entertainment
🢒
Secondary and Configurable Customer Controls
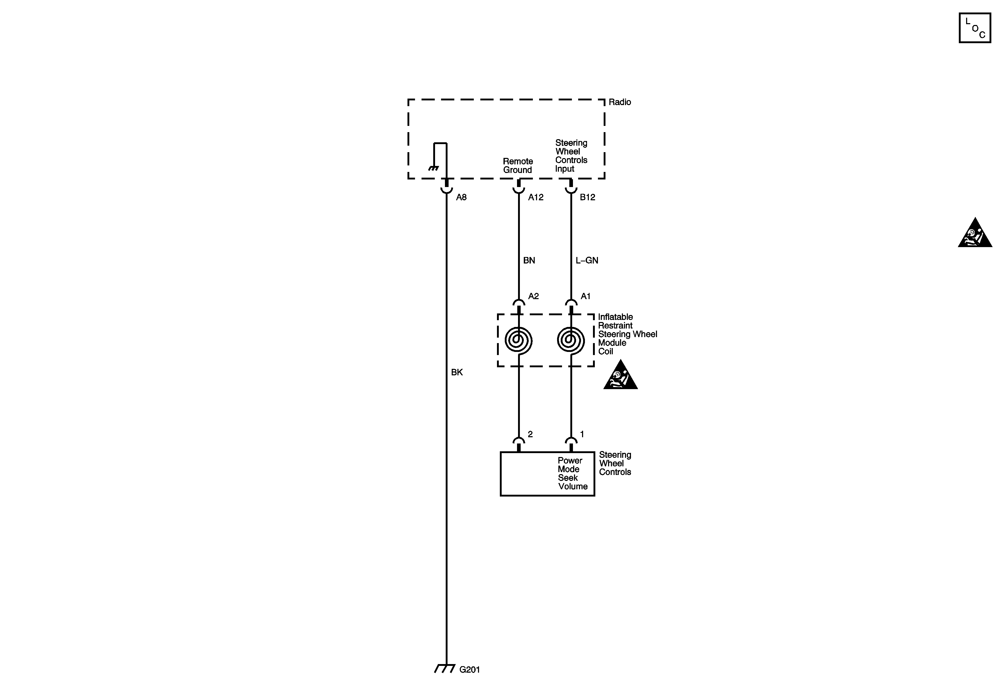
🢒 Steering Wheel Secondary/Configurable Control Schematics
Master Electrical Component List
SIR Schematic Icons
SIR Schematic Icons
G103, G105, G201