GM Service Manual Online
For 1990-2009 cars only
Figure 1:

Blower Controls


Object Number: 1861825  Size: FS
Master Electrical Component List
Control Module References
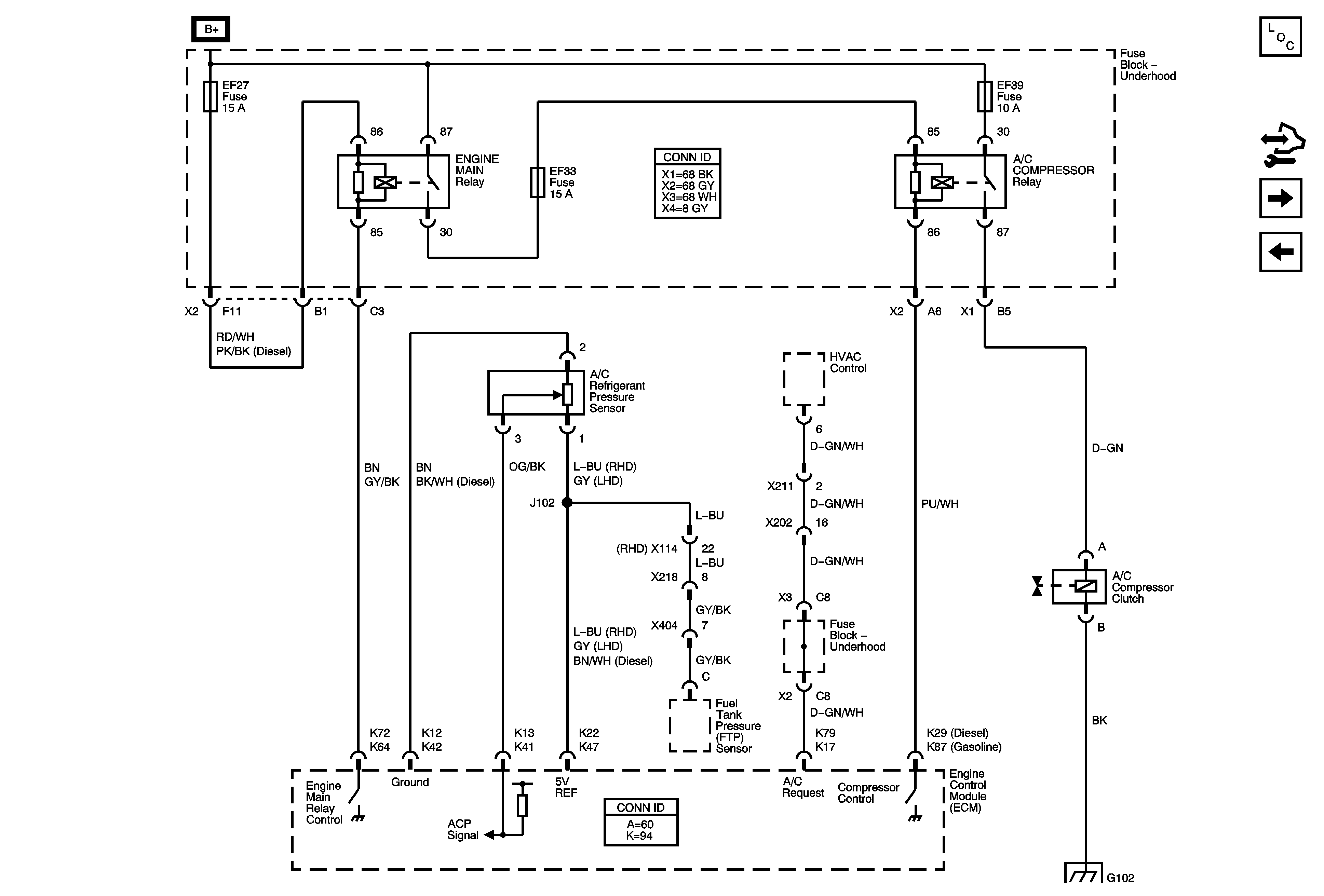
Compressor Controls (2.5L)
G203, G204
G202 (1 of 2)
Figure 2:

Compressor Controls (2.5L)


Object Number: 1861827  Size: FS
Master Electrical Component List
Control Module References
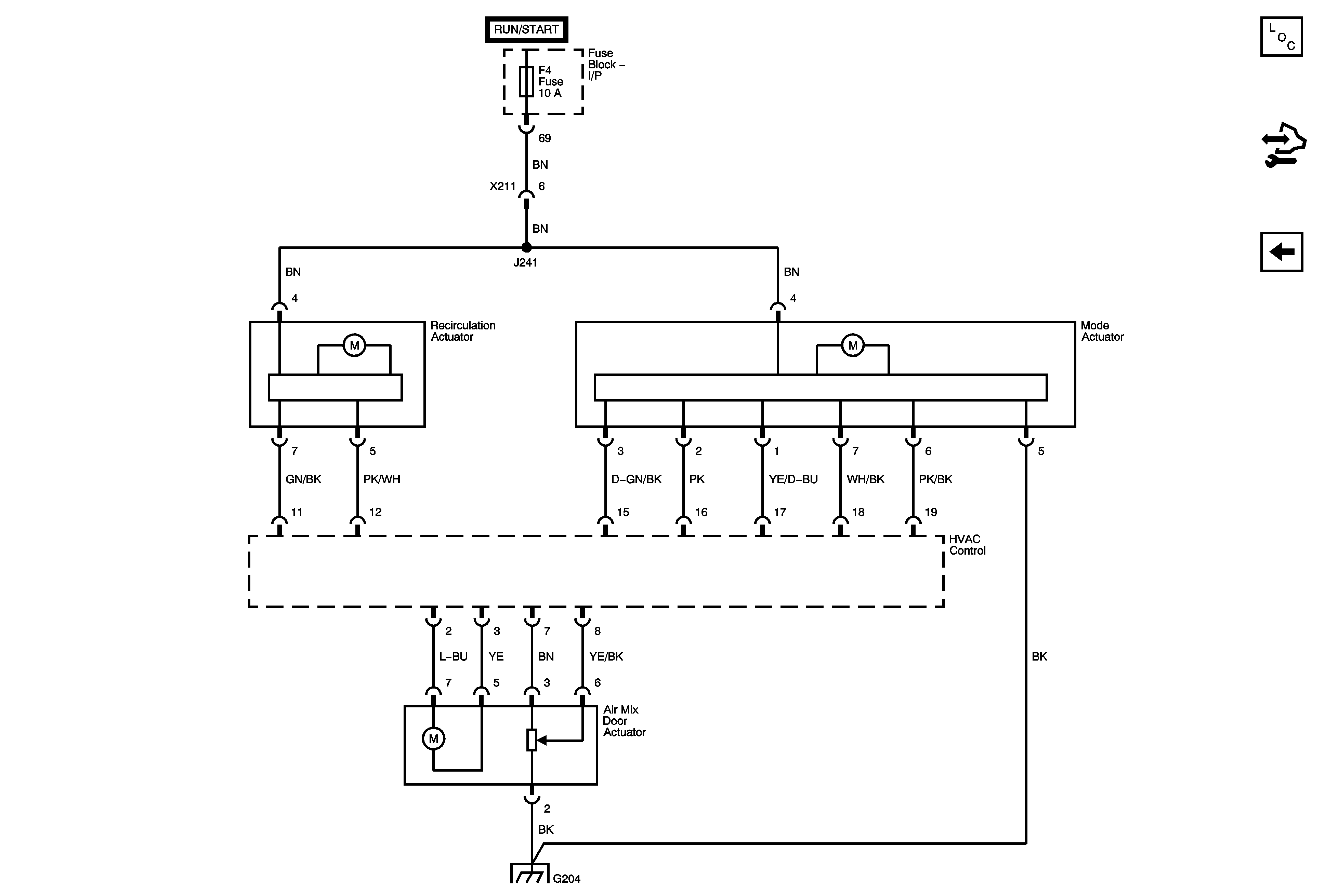
Air Delivery Controls
Blower Controls
G102
Figure 3:

Air Delivery Controls


Object Number: 1861829  Size: FS
Master Electrical Component List
Control Module References
Compressor Controls (2.5L)
G203, G204