GM Service Manual Online
For 1990-2009 cars only
Makes
🢒
Chevrolet
🢒
2007
🢒
Epica
🢒
Safety and Security
🢒
Object Detection
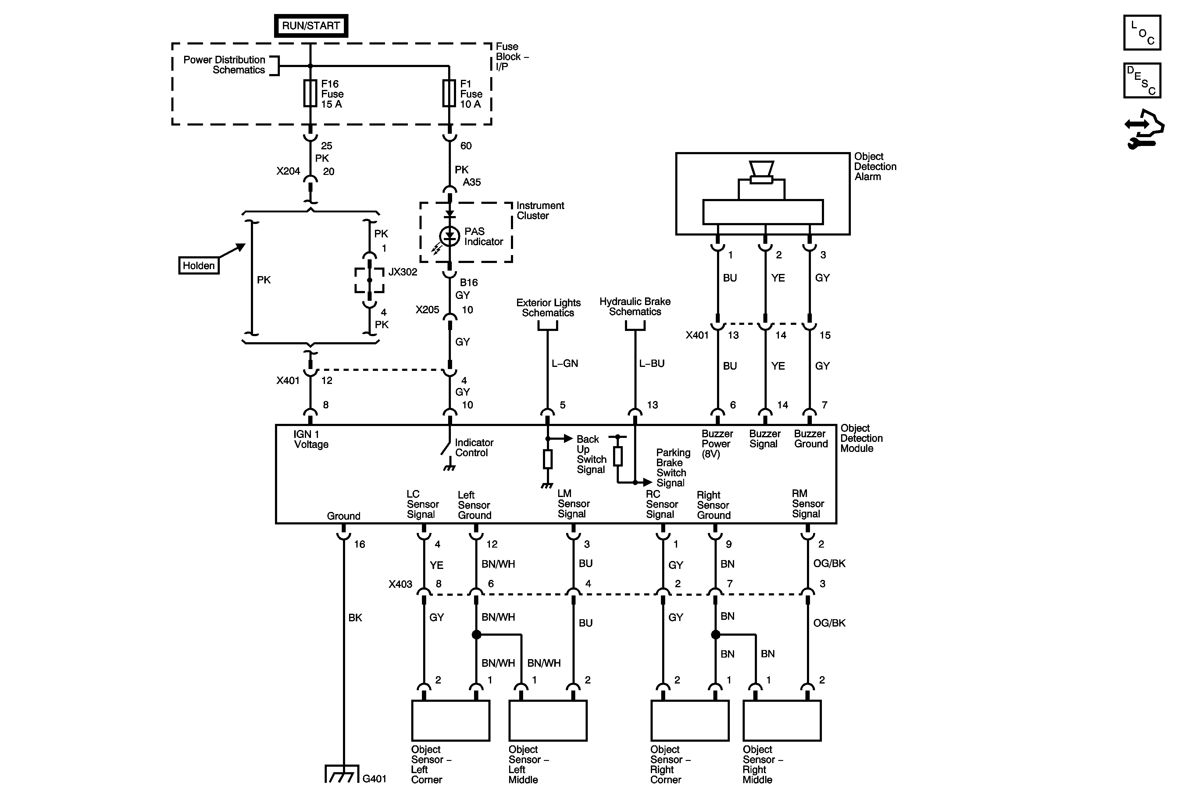
🢒 Object Detection Schematics
Master Electrical Component List
Theft Systems Description and Operation
Control Module References
Alternator, EF1, EF3, EF5, EF18, EF19, EF27, EF30, EF33 Fuses
Park Lamps
Brake Warning System Schematics
G401