GM Service Manual Online
For 1990-2009 cars only
Makes
🢒
Chevrolet
🢒
2007
🢒
Epica
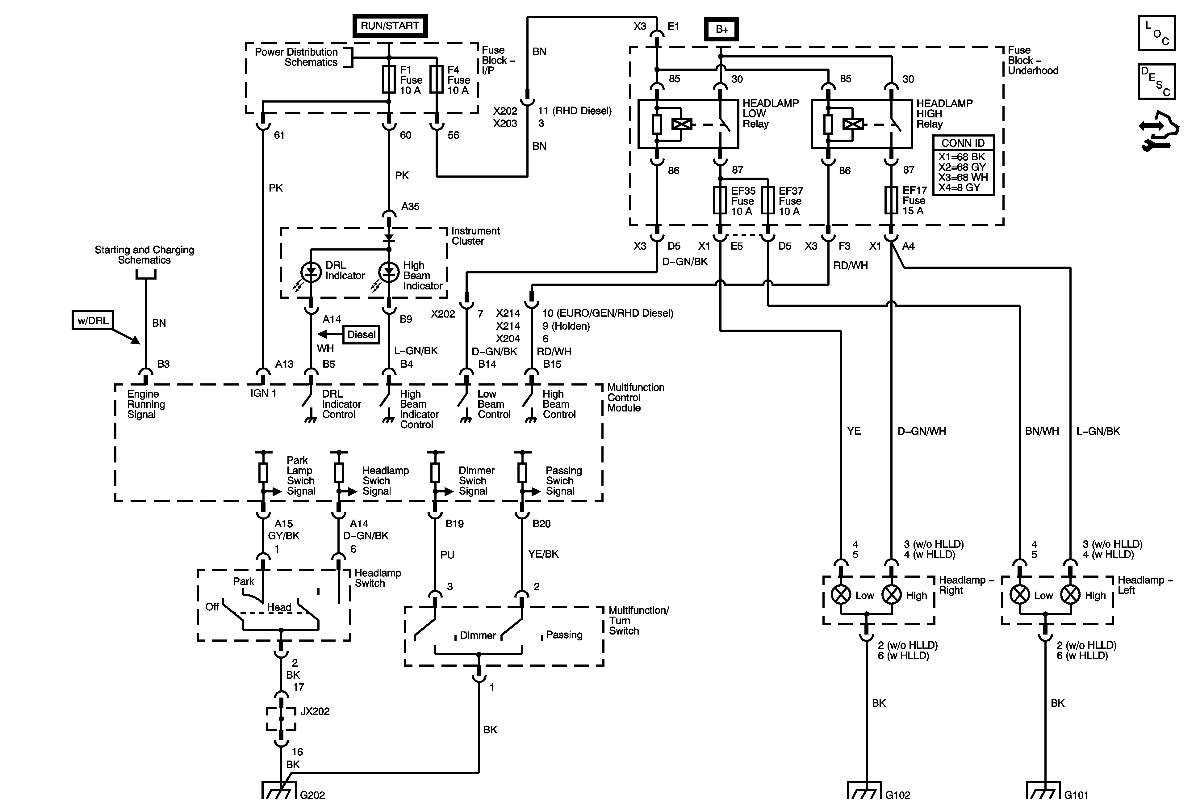
🢒 Headlights/Daytime Running Lights (DRL)
Headlights/Daytime Running Lights (DRL)
Master Electrical Component List
Exterior Lighting Systems Description and Operation
Control Module References
Alternator, EF1, EF3, EF5, EF18, EF19, EF27, EF30, EF33 Fuses
Charging System
G202 (1 of 2)
G102
G101, G106, G107