GM Service Manual Online
For 1990-2009 cars only
Makes
🢒
Chevrolet
🢒
2007
🢒
Epica
🢒 Interior Lights Dimming
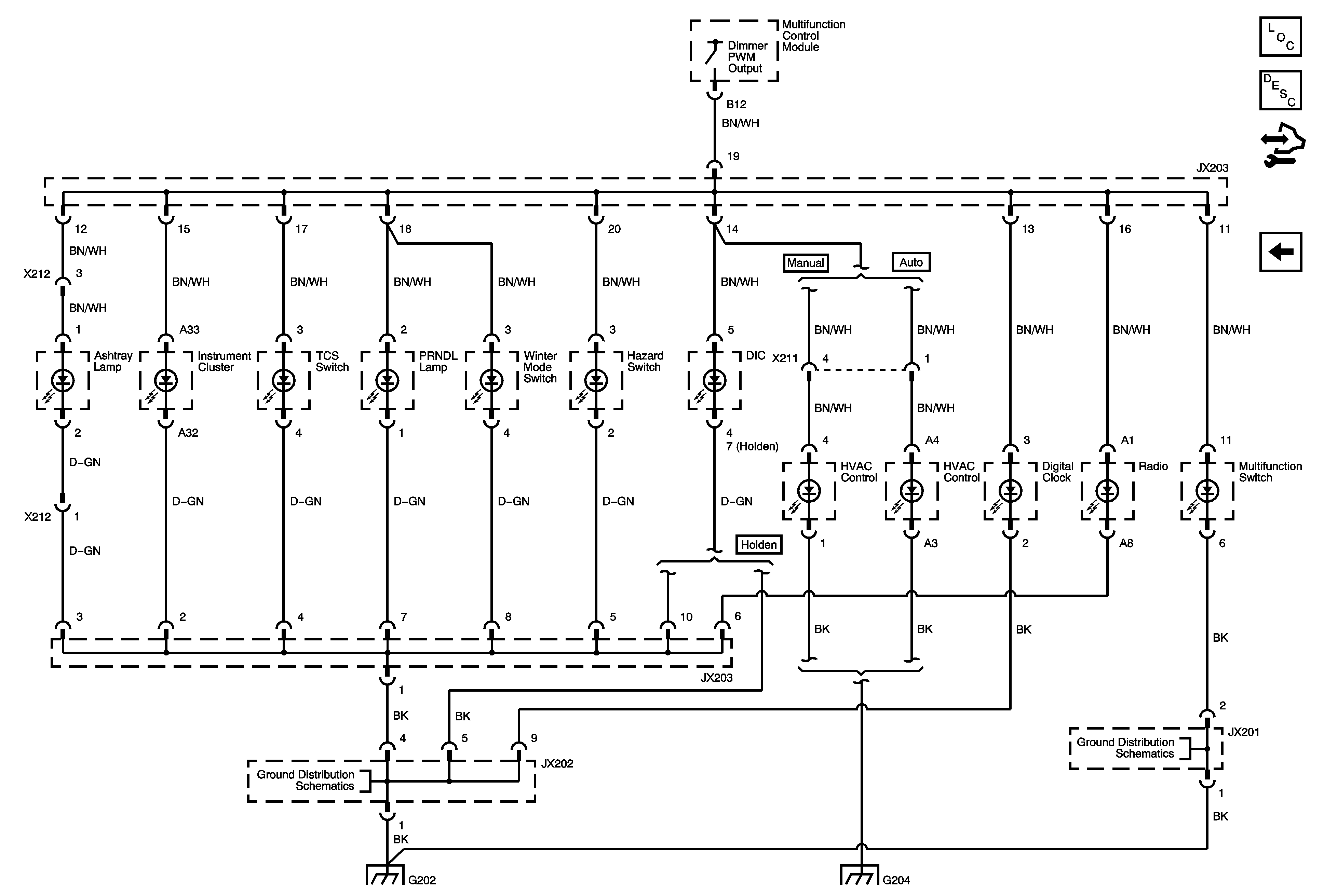
Interior Lights Dimming
Interior Lights Dimming
Master Electrical Component List
Interior Lighting Systems Description and Operation
Control Module References
Interior Lights Dimming Control
G101, G106, G107
G101, G106, G107
G202 (1 of 2)
G203, G204